Foram encontradas 49 questões.
Antônio Augusto entra em efetivo exercício no cargo de assistente em Administração, em 01 de novembro de 2007. No período de 01 de março de 2008 a 10 de março de 2008, participou das sessões do Tribunal do Júri, na qualidade de jurado, não comparecendo, portanto, na repartição neste período, reapresentando-se no dia 11 de março de 2008. Diante disto, pode-se afirmar que:
Provas
Questão presente nas seguintes provas
Sendo V1=15 V, R1= 286 Ohms, R2= 140 Ohms e Vd1 = 0,7 V, as intensidades de corrente nos resistores abaixo são de:

Provas
Questão presente nas seguintes provas
TEXTO PARA A QUESTÃO ABAIXO.
“Todo o Brasil foi ocupado pelos indígenas até os portugueses aqui aportarem. Se exacerbarmos a ocupação pretérita, nós vamos ter de entregar aos indígenas a minha cidade maravilhosa do Rio de janeiro.”
(Veja essa, 14-05-08)
No mesmo texto há outro termo sublinhado ‘pelos indígenas’.
Indique a alternativa em que esse termo aparece analisado sintaticamente correto.
Provas
Questão presente nas seguintes provas
A alternativa que obedece aos princípios da gramática normativa, em relação à regência nominal e verbal, nessa ordem, é:
Provas
Questão presente nas seguintes provas
TEXTO PARA A QUESTÃO ABAIXO.
“Todo o Brasil foi ocupado pelos indígenas até os portugueses aqui aportarem. Se exacerbarmos a ocupação pretérita, nós vamos ter de entregar aos indígenas a minha cidade maravilhosa do Rio de janeiro.”
(Veja essa, 14-05-08)
Observe.
I. Não ganha-se uma batalha apenas na guerra.
II. Dar-me-ia bons conselhos, se precisasse.
III. Trata-se de pessoas de bem. Jamais incomodaram-nos.
A colocação pronominal está correta em:
Provas
Questão presente nas seguintes provas
TEXTO PARA A QUESTÃO ABAIXO.
“Todo o Brasil foi ocupado pelos indígenas até os portugueses aqui aportarem. Se exacerbarmos a ocupação pretérita, nós vamos ter de entregar aos indígenas a minha cidade maravilhosa do Rio de janeiro.”
(Veja essa, 14-05-08)
Os termos destacados no texto “até” e “Se” estabelecem, respectivamente, a relação de:
Provas
Questão presente nas seguintes provas
TEXTO PARA A QUESTÃO ABAIXO.
“A mulher que for apanhada sozinha na rua será espancada e mandada de volta para casa”.
Aponte a alternativa que contém a análise correta da oração ‘que for apanhada sozinha na rua’, no texto.
Provas
Questão presente nas seguintes provas
Um circuito digital “A” foi construído para monitorar o funcionamento de um circuito digital “B”. Para assegurar o funcionamento do circuito “B”, o circuito A verifica se há atividade no circuito “B” através do envio de um sinal e aguarda uma resposta do circuito “B” por um intervalo de tempo, “tk”. Caso esta resposta seja recebida, o circuito “B” está funcionando normalmente e “A” não tem nada a fazer. Caso “B” não responda, dentro do intervalo “tk“, “A” detecta que “B” parou de funcionar (travou) e então envia um sinal de reset ao circuito “B” e este se reinicia. Em sistemas digitais microprocessados, “tk “ é definido como:
Provas
Questão presente nas seguintes provas
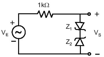
A figura ilustra um circuito alimentado por uma fonte de tensão senoidal da forma VE(t)=20sen(t) , onde Z1 e Z2 são diodos do tipo zener de tensões, respectivamente, 16 V e 10 V. O sinal de saída VS(t) deverá ter, aproximadamente, a forma:

Provas
Questão presente nas seguintes provas
Uma dada saída de um circuito integrado tem valor de fan-out igual a 8. A quantas entradas digitais essa saída pode ser interligada?
Provas
Questão presente nas seguintes provas
Cadernos
Caderno Container