Foram encontradas 70 questões.
- Segurança da InformaçãoPrincípios de Segurança da Informação
- Segurança da InformaçãoCriptografia, Assinatura e Certificado Digital
A Autoridade Certificadora (AC) emite certificados digitais com o objetivo de atestar a associação entre uma chave pública e uma entidade que pode ser uma pessoa física, pessoa jurídica, cliente de rede ou servidor de rede.
Quando um certificado é emitido para uma pessoa física, o certificado digital contém a assinatura digital apenas da(o)
Provas
Disciplina: TI - Desenvolvimento de Sistemas
Banca: CESGRANRIO
Orgão: UNIRIO
Ao analisar uma reclamação sobre uma aplicação Web que não funcionava bem em um computador específico, cuja configuração de software é muito antiga, um atendente de Help Desk suspeitou que o problema fosse a versão do JavaScript disponível no navegador Chrome desse computador.
Para obter um relatório que inclui a versão do JavaScript sendo executado (Como em “JavaScript: V8 7.5.288.30”), o que esse atendente deve digitar no campo destinado à URL?
Provas
Um cliente de correio-eletrônico, como o Mozilla Thunderbird, pode acessar suas caixas de mensagem por dois protocolos básicos.
Qual protocolo realiza o sincronismo entre o cliente e o servidor de e-mail, replicando as ações de leitura ou troca de diretório no servidor e permitindo que as mensagens sejam guardadas tanto na máquina local quanto no servidor?
Provas
Segundo a Microsoft, o Windows 8 disponibiliza a possibilidade de armazenar em cache os arquivos ou fazer backups de diferentes versões dos mesmos. Esse recurso se chama Histórico de Arquivos e vem desabilitado por default.
Esse recurso exige um(a)
Provas
A Figura abaixo mostra uma planilha Excel com duas tabelas. A primeira tabela representa uma escala de preços pagos por quilômetro até uma certa distância para o transporte de certo material. Por exemplo, se o transporte for de 54 km, serão pagos R$ 8,00 por quilômetro. A segunda tabela foi criada para calcular imediatamente o preço de um transporte, dada uma distância.

Que fórmula pode ser usada na célula B5 para calcular o valor desejado?
Provas
Disciplina: TI - Organização e Arquitetura dos Computadores
Banca: CESGRANRIO
Orgão: UNIRIO
Nos diferentes níveis de hierarquia de memória, observa-se que
Provas
- UniãoExecutivoDecreto 1.171/1994: Código de Ética do Servidor Público Civil do Poder Executivo Federal
K, cidadão no pleno exercício dos seus direitos políticos, requereu a um certo órgão público o reconhecimento de determinado benefício a que, no seu entender, faria jus. Ao procurar informações no órgão competente, recebeu a noticia de que seu requerimento tinha grande probabilidade de ser deferido, embora o agente público que havia fornecido tal informação já tivesse ciência de que houvera o seu indeferimento.
Nesse caso, consoante as normas do Decreto n° 1.171/1994, o tal agente público que prestou essa informação a K violou o direito à
Provas

Com base nos dados da Figura acima, qual a expressão da função de transferência, obtida por V0(s)/V1(s) do circuito?
Provas

Se em determinado instante, os níveis lógicos dos sinais são: A=1, B=0 e C=0; então, os níveis lógicos das saídas nos pinos 04, 10 e 13 serão, respectivamente:
Provas
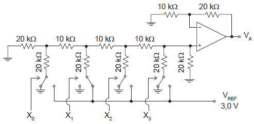
Sendo assim, qual será a tensão analógica, em volts, que a saída VO exibirá quando a entrada digital for o número X3 X2 X1 X0 = 0010, conforme ilustrado acima?
Provas
Caderno Container