Foram encontradas 700 questões.
Disciplina: Direito Educacional e Tecnológico
Banca: FUNDATEC
Orgão: UNIPAMPA
Para responder a questão, considere o Regimento Geral da UNIPAMPA.
O artigo 69 do referido Regimento define que a Direção da Unidade Universitária, integrada por Diretor, Coordenador Acadêmico e Coordenador Administrativo, é o órgão executivo que coordena e superintende todas as atividades do Campus. Nesse sentido e com base no referido Regimento, a partir dos integrantes da Direção da Unidade Universitária arrolados na Coluna 1, relacione com suas respectivas atribuições ou competências apontadas na Coluna 2.
Coluna 1
1. Diretor.
2. Coordenador Acadêmico.
3. Coordenador Administrativo.
Coluna 2
( ) Exercer o controle disciplinar sobre docentes, discentes e servidores técnico-administrativos em educação que desempenham atividades no Campus, ouvidas as chefias imediatas.
( ) Promover a gestão pela qualidade no Campus, estimulando a participação dos servidores e colaboradores na implantação e adaptação de métodos de trabalho direcionados à excelência e ao alcance dos objetivos institucionais, buscando a satisfação e valorização dos ativos intelectuais.
( ) Emitir atestados e certificar documentos relativos às informações sobre sua guarda, inclusive pertinentes aos estágios conveniados.
( ) Adotar as medidas pertinentes nos pedidos de licença discente.
( ) Coordenar e manter controle sistemático sobre os serviços terceirizados prestados ao Campus.
( ) Colaborar na elaboração de projetos com vistas ao desenvolvimento das atividades acadêmicas e administrativas.
A ordem correta de preenchimento dos parênteses, de cima para baixo, é:
Provas
- Linguagens e Suportes MidiáticosProdução AudiovisualLuz, Iluminação e Luminotécnica em Audiovisual e Cinema
Observe os seguintes procedimentos para se conectar um computador laptop a um projetor.
"Os projetores normalmente usam cabos _____________. Você deve conectar o cabo a uma porta de vídeo correspondente no computador. Apesar de alguns computadores terem ambos os tipos de portas de vídeo, a maioria dos laptops só possui um tipo. Alguns projetores podem ser conectados a uma porta USB no computador com um cabo USB."
A alternativa que completa corretamente a lacuna acima é:
Provas
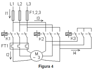
Para responder à questão , analise a figura 4 abaixo.

Na figura 4, está representado o diagrama de força de uma chave estrela-triângulo. A sequência de operação da chave para colocar o motor em marcha é:
Provas
Disciplina: Segurança e Saúde no Trabalho (SST)
Banca: FUNDATEC
Orgão: UNIPAMPA
A Norma Regulamentadora N° 10 do Ministério do Trabalho e Emprego – NR10 Segurança em Instalações e Serviços em Eletricidade – especifica no item 10.2.4 como deve ser constituído e mantido o Prontuário de Instalações Elétricas, que contém diversos itens obrigatórios. Marque a alternativa que apresenta um item que NÃO deve estar no referido prontuário, segundo esta norma.
Provas
Assinale com V, se verdadeiro, ou F, se falso, nos parênteses abaixo.
A indutância de uma bobina depende da(o)
( ) seção do condutor utilizado no enrolamento.
( ) corrente que circula pela mesma.
( ) número de espiras que forma o enrolamento.
( ) material que compõe o seu núcleo.
( ) tensão aplicada nos seus terminais.
( ) da área abrangida em cada espira.
A ordem correta de preenchimento dos parênteses, de cima para baixo, é:
Provas
Observe a figura abaixo, que apresenta um programa em diagrama de blocos gravado em um CLP.

Marque a alternativa que apresenta ERRO com relação à lógica apresentada no diagrama. Considere a entrada como pushbotton.
Provas
Analise as assertivas abaixo sobre as precauções de segurança em instalações com animais inoculados com microrganismo do Grupo de Risco 2.
I. Todos os resíduos e forrações das gaiolas devem ser eliminados sem a necessidade de descontaminação.
II. As caixas/gaiolas têm de ser descontaminadas logo após a utilização.
III. As roupas e equipamentos de proteção têm, obrigatoriamente, que ficar no interior do laboratório.
IV. As carcaças dos animais eliminados devem ser colocadas em lixeiras.
Quais estão corretas?
Provas
A norma brasileira NBR 5410 é a norma de referência para instalações elétricas de baixa tensão no Brasil. Com base nesta norma, marque a alternativa que apresenta ERRO conceitual.
Provas
Disciplina: Agronomia (Engenharia Agronômica)
Banca: FUNDATEC
Orgão: UNIPAMPA
Em relação à altimetria, analise as seguintes afirmativas, assinalando V, se verdadeiras, ou F, se falsas.
( ) Altimetria é a parte da topografia que trata dos métodos e instrumentos empregados no estudo e na representação do relevo do solo.
( ) O relevo do terreno é estudado em função das determinações das cotas ou altitudes dos pontos característicos que o definem.
( ) Para calcular as cotas ou altitudes, é necessário que se determinem, primeiramente, as diferenças de nível entre os pontos definidores da altimetria do terreno em estudo.
( ) O teodolito é um equipamento utilizado para realizar três tipos de nivelamento altimétrico: latitude, longitude e equatorial.
A sequência correta de preenchimento dos parênteses, de cima para baixo, é:
Provas
- JornalismoTécnicas de apuração, redação, objetividade, edição e produção jornalísticaTécnicas e Práticas do Jornalismo
Considere as seguintes afirmações sobre a edição de títulos em jornais impressos. Assinale V, se verdadeira, e F, se falsa.
I. Em títulos de duas linhas, as duas linhas devem ter o mesmo tamanho, ou a segunda deve exceder a primeira.
II. Em títulos de três linhas, a primeira deve ter o mesmo tamanho da terceira.
III. Ao quebrar o título, sempre que possível palavras pertencentes à mesma estrutura sintática devem ser separadas.
IV. No título quebrado em duas ou mais linhas, palavras hifenizadas não devem ser separadas.
Assinale a alternativa que apresenta a sequência correta.
Provas
Caderno Container