Foram encontradas 2.550 questões.

Com base na figura acima, que representa um quadripolo de duas portas, em que os valores de resistências são dados em ohms, julgue o item a seguir.
O valor da impedância do quadripolo (impedância de entrada da porta 1) é maior que \( 9 \Omega \).
Provas

Considerando o circuito elétrico representado na figura acima, em que as resistências são dadas em ohms, julgue o item a seguir.
O circuito equivalente de Thévenin nos terminais a–b do circuito tem impedância equivalente igual a \( 1/3 \Omega \).
Provas
Considere que uma onda plana se propague do meio 1 para o meio 2 e tenha incidência normal a uma superfície plana que separe os dois meios. Considere, ainda, que o meio 1 seja o espaço livre, e o meio 2 possua permissividade dielétrica \( ε_2 = 2 \ ε_0 \), permeabilidade magnética \( μ_2 = 8 \ μ_0 \) e condutividade desprezível em relação ao produto \( \omegaε_2 \). Com base nessas informações e sabendo que, nesses dados, \( ε_0 \) e \( μ_0 \) são, respectivamente, a permissividade dielétrica e a permeabilidade magnética do espaço livre, e ω é a frequência do campo elétrico da onda incidente em rad/s, julgue o item a seguir.
A impedância intrínseca do meio 2 é igual a quatro vezes a do espaço livre.
Provas
Considere que uma onda plana se propague do meio 1 para o meio 2 e tenha incidência normal a uma superfície plana que separe os dois meios. Considere, ainda, que o meio 1 seja o espaço livre, e o meio 2 possua permissividade dielétrica \( ε_2 = 2 \ ε_0 \), permeabilidade magnética \( μ_2 = 8 \ μ_0 \) e condutividade desprezível em relação ao produto \( \omegaε_2 \). Com base nessas informações e sabendo que, nesses dados, \( ε_0 \) e \( μ_0 \) são, respectivamente, a permissividade dielétrica e a permeabilidade magnética do espaço livre, e ω é a frequência do campo elétrico da onda incidente em rad/s, julgue o item a seguir.
A amplitude do campo elétrico no meio 2 é superior à amplitude do campo elétrico incidente a partir do espaço livre.
Provas

Considerando o circuito lógico representado na figura acima, julgue o item a seguir.
A expressão booleana de saída é \( S = A ⋅ B + \overline C + C ⋅ \overline D \).
Provas

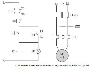
Com base nas figuras acima, que representam diagramas de força e de comando de um motor de indução trifásico, que permitem que esse motor seja acionado mediante partida direta, julgue o item a seguir.
Se o motor de indução estiver acionando uma carga mecânica que solicita 1,73 kW da rede elétrica nos terminais do estator do motor, é correto afirmar, considerando-se que a tensão de linha da rede seja 200 V, que a corrente de linha mínima do motor em regime permanente não será inferior a 5 A (assuma que \( \sqrt 3 \approx 1,73 \)).
Provas
Disciplina: Engenharia de Alimentos
Banca: CESPE / CEBRASPE
Orgão: UNIPAMPA
Acerca dos resíduos gerados na indústria de laticínios, julgue o item a seguir.
A demanda bioquímica de oxigênio (DBO) e a demanda química de oxigênio (DQO) dos efluentes gerados na planta independem do produto fabricado, pois as concentrações de oxigênio não variam para a oxidação de diferentes constituintes do leite, tais como gordura, carboidratos e proteínas.
Provas
Disciplina: Engenharia de Alimentos
Banca: CESPE / CEBRASPE
Orgão: UNIPAMPA
Com relação aos processos de conservação de alimentos pelo frio e à produção industrial de frio, julgue o item a seguir.
Os compostos químicos denominados crioprotetores, que apresentam baixa afinidade com a água, são adicionados aos alimentos para evitar a formação de cristais de gelo e a desidratação celular durante o congelamento desses alimentos.
Provas
Disciplina: Engenharia de Alimentos
Banca: CESPE / CEBRASPE
Orgão: UNIPAMPA
A irradiação é obtida a partir de isótopos e, em menor extensão, a partir de raios X e elétrons. Acerca da utilização da irradiação ionizante em alimentos, julgue os itens subsecutivos.
Mesmo depois de embalados ou congelados, os alimentos podem passar por processos de irradiação com a finalidade de se destruírem microrganismos neles presentes.
Provas
Frequentemente, em empreendimentos públicos, necessita-se de realização de vistorias, avaliação de imóveis, elaboração de perícias, relatórios técnicos e pareceres. É o que ocorre, por exemplo, em desapropriações, sub-rogações e renovações de contratos de locação. A respeito dessas atividades e da legislação que rege o exercício da engenharia, julgue o item a seguir.
Na avaliação de conjunto de unidades autônomas padronizadas, deve ser realizada vistoria interna de todas as unidades, permitindo-se a realização de amostragem aleatória apenas em situações excepcionais e, nesse caso, de um percentual mínimo de 50% do total das unidades de cada bloco ou conjunto de unidades de mesma tipologia.
Provas
Caderno Container