Foram encontradas 680 questões.
Para se avaliar um experimento sobre a fisiologia respiratória de um peixe marinho em laboratório, são necessários cuidados com algumas variáveis dentro do laboratório e com os aquários onde eles serão mantidos. Assinale a alternativa que representa uma variável que NÃO se espera ter influência sobre um experimento desse tipo.
Provas
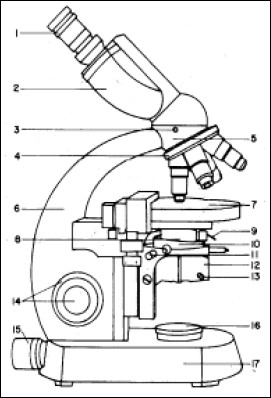
Ao lado está representado um microscópio de luz, em vista lateral, com suas partes indicadas por números de 1 a 17.

Preencha a segunda coluna, fazendo a correspondência do número com a parte que ele indica.
1
4
7
14
16
17
( ) Mesa ou platina.
( ) Revólver.
( ) Base.
( ) Campo luminoso.
( ) Lente ocular.
( ) Parafusos macrométrico e micrométrico.
Assinale a alternativa que apresenta a sequência, de cima para baixo.
Provas
A abertura numérica de uma lente objetiva é fator importante para a determinação da qualidade da imagem ao microscópio de luz. Com relação a esse fator, é correto afirmar:
Provas
Disciplina: Administração Financeira e Orçamentária
Banca: UFPR
Orgão: UNILA
A respeito dos princípios orçamentários, assinale a alternativa correta.
Provas
Disciplina: Administração Financeira e Orçamentária
Banca: UFPR
Orgão: UNILA
Em relação ao orçamento público, identifique as alternativas a seguir como verdadeiras (V) ou falsas (F).
( ) De acordo com a Constituição Federal, o orçamento anual é composto de: orçamento fiscal, orçamento de seguridade social e orçamento de investimento das empresas.
( ) A Lei de Diretrizes Orçamentárias tem vigência de quatro anos, sendo três anos para gestão do administrador que a elaborou e mais um ano para o próximo governante.
( ) A própria Lei Orçamentária pode conter autorizações ao Executivo para abrir créditos especiais e suplementares até determinada importância.
( ) A lei que instituir o plano plurianual estabelecerá, de forma regionalizada, diretrizes, objetivos e metas da administração pública federal para as despesas de capital e outras delas decorrentes, e para as despesas relativas aos programas de duração continuada.
Assinale a alternativa que apresenta a sequência correta, de cima para baixo.
Provas
Disciplina: Administração Financeira e Orçamentária
Banca: UFPR
Orgão: UNILA
Com relação à Lei de Orçamento, numere a segunda coluna de acordo com sua correspondência com a primeira coluna.
1. Créditos suplementares.
2. Créditos especiais.
3. Créditos extraordinários.
( ) São destinados a atender despesas urgentes e imprevisíveis, em caso de comoção social interna, calamidade pública ou em caso de guerra.
( ) São destinados a atender reforço de dotação orçamentária que se tornou insuficiente.
( ) São destinados a atender despesas para as quais não havia dotação orçamentária específica.
Assinale a alternativa que apresenta a numeração correta da segunda coluna, de cima para baixo.
Provas
Disciplina: Administração Financeira e Orçamentária
Banca: UFPR
Orgão: UNILA
O tipo de orçamento público é a característica que determina a maneira pela qual o orçamento é elaborado, dependendo do regime político vigente, daí dizer-se que os orçamentos variam segundo a forma de governo e podem ser classificados de três tipos:
Provas
A Exposição de Normas de Auditoria n.º 29 (ENA 29) estabelece que o sistema de controle interno de uma empresa se decompõe em dois grupos de controle: os de natureza contábil e os de natureza administrativa. Os controles contábeis compreendem o plano de organização e todos os sistemas, métodos e procedimentos relativos à salvaguarda dos bens, direitos e obrigações e à fidedignidade dos registros financeiros. Os controles administrativos compreendem o plano de organização, os sistemas, métodos e procedimentos pela direção, com a finalidade de contribuir para a eficiência e eficácia operacional e, também, para a obediência a diretrizes, políticas, normas e instruções da administração. Numere a segunda coluna, relacionando os exemplos com os respectivos tipos de controles internos descritos na primeira coluna.
1. Controles contábeis.
2. Controles administrativos.
( ) Estudos de tempos e movimentos.
( ) Controles físicos sobre os bens e informações.
( ) Sistema de autorização e aprovação de transações.
( ) Programas de treinamento e desenvolvimento de pessoal.
( ) Sistemas de avaliação e desempenho.
( ) Custódia de bens e direitos.
Assinale a alternativa que apresenta a numeração correta da segunda coluna, de cima para baixo.
Provas
Para verificar possíveis omissões ou sonegação de vendas, avalie se as técnicas a seguir são apropriadas como critérios de seleção:
1. Se o sistema em uso permite a baixa dos estoques simultaneamente com os lançamentos das vendas, fazer amostragem em busca de superavaliação das somas dos registros finais ou intermediários das baixas de estoques, simultaneamente selecionar itens individuais, compará-los com os registros iniciais de vendas (notas fiscais) quanto às quantidades e testar os preços de venda e os cálculos.
2. Se o sistema em uso permite a baixa dos estoques simultaneamente com os lançamentos das vendas, selecionar quaisquer documentos existentes (tais como ordens de vendas, pedidos de compras, notas fiscais de vendas, registros de saída de mercadorias, registros de serviços executados, ou contratos), compará-los com os registros iniciais de vendas (notas fiscais) quanto às quantidades e testar os preços de venda e os cálculos.
3. Se o sistema não permitir a baixa dos estoques simultaneamente com os lançamentos das vendas, fazer amostragem em busca de superavaliação das somas dos registros finais ou intermediários das baixas de estoques, simultaneamente selecionar itens individuais, compará-los com os registros iniciais de vendas (notas fiscais) quanto às quantidades e testar os preços de venda e os cálculos.
4. Se o sistema não permitir a baixa dos estoques simultaneamente com os lançamentos das vendas, selecionar quaisquer documentos existentes (tais como ordens de vendas, pedidos de compras, notas fiscais de vendas, registros de saída de mercadorias, registros de serviços executados, ou contratos), compará-los com os registros iniciais de vendas (notas fiscais) quanto às quantidades e testar os preços de venda e os cálculos.
São apropriadas as técnicas apresentadas nas alternativas:
Provas
A auditoria das contas de resultado deve possibilitar ao auditor concluir que as receitas, despesas e custos:
Provas
Caderno Container