Foram encontradas 295 questões.
Não é correto afirmar.
Provas
Com relação a atividades em altura, é correto afirmar que:
Provas
Qual alternativa não apresenta um protocolo de comunicação?
Provas
Dada a seguinte figura, não é correto afirmar que:

Provas
- AbrangênciaLAN: Local Area Network
- AbrangênciaMAN: Metropolitan Area Network
- AbrangênciaWAN: Wide Area Network
Considerando apenas o critério de abrangência geográfica, qual a melhor opção para implantação de uma rede de comunicação entre continentes?
Provas
Qual das alternativas apresenta um padrão de comunicação utilizado apenas para comunicação ponto a ponto?
Provas
Na representação gráfica apresentada abaixo, para o padrão RS232, quais os níveis lógicos representados pelas letras A, B e C, respectivamente?

Provas
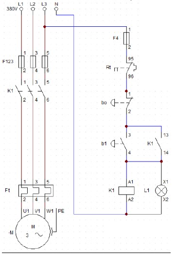
Com base na análise do diagrama apresentado abaixo, é correto afirmar que:

Provas
Qual das alternativas apresenta o meio de transmissão mais indicado para estabelecer a comunicação entre dispositivos em uma subestação?
Provas
Assinale a alternativa incorreta.
Provas
Caderno Container