Foram encontradas 272 questões.
No que se refere ao trabalho do profissional da psicologia no atendimento a situações que envolvem violência de gênero, identifique as assertivas falsas e verdadeiras.
I - A Resolução 08/2020, do Conselho Federal de Psicologia, de 7 de julho de 2020, estabelece normas de exercício profissional da psicologia em relação às violências de gênero, definindo condutas de acolhimento e protetivas especialmente em relação a mulheres, sejam elas cisgênero, transgênero ou travestis. Contudo, não contempla pessoas com expressões não binárias de gênero.
II - O Conselho Regional de Psicologia-CRP-08 elaborou nota técnica 04/2020 que orienta psicólogos/as sobre o atendimento a mulheres em situação de violência, estabelecendo princípios dentro dos seguintes eixos: acolher, informar e encaminhar.
III - A Lei nº 10.778/2003, que estabelece a notificação compulsória, no território nacional, do caso de violência contra a mulher que for atendida em serviços de saúde públicos ou privados não se aplica aos profissionais da psicologia, tendo em vista a questão do sigilo.
IV - Ambos os documentos, Resolução 08/2020 do CFP e Nota Técnica 04/2020 do CRP-08, abarcam a questão da interseccionalidade nas práticas de atendimentos psicológicos em relação a mulheres em situação de violência.
Provas
No setting terapêutico, a empatia por parte do psicoterapeuta pode ser descrita como:
Provas
No estabelecimento do contato terapêutico, é fundamental que ocorra o processo conhecido como rapport. Ele consiste em
Provas
Segundo Dalgalarrondo (2008, p. 75), ao perguntar ao paciente: 1) “Onde estamos?” ou “Como se chama a cidade onde estamos?”; 2) “Que dia é hoje?”, “Em que mês estamos?” 3) “Qual é seu nome?”, “Qual sua idade?”,“Qual é sua profissão?”, o entrevistador pode obter indícios de alterações de quais funções psíquicas, respectivamente?
Assinale a alternativa CORRETA.
Provas
Marque a alternativa que contém os termos que completam a sentença abaixo, extraída do DSM-V (p.6).
Embora alguns 1.____________________________ possam exibir limites bem definidos demarcando grupos de 2 . _ _ _ _ _ _ _ _ _ _ _ _ _ _ _ _ _ _ _ _ _ _ _ _ _ , evidências científicas atualmente colocam vários transtornos, ou mesmo a sua maioria, em um espectro com transtornos 3 . _ _ _ _ _ _ _ _ _ _ _ _ _ _ _ _ _ _ _ _ _ _ _ _ _ relacionados que apresentam sintomas, fatores de risco ambientais, genéticos e possivelmente substratos neuronais 4.__________________________ (...). Em suma, reconhecemos que os limites entre transtornos são mais 5.________________ ___________________ do que se percebia anteriormente.
Provas
Dada a importância de diferenciar os critérios diagnósticos das variações normais da vida e de respostas transitórias ao estresse, é necessário identificar os sintomas mais proeminentes que devem ser avaliados ao se diagnosticar um transtorno. Diagnósticos confiáveis são essenciais. Marque abaixo as alternativas que se referem à utilidade do diagnóstico:
1- Facilita a comunicação entre os clínicos.
2- Previsão de curso e desfecho.
3- Uso pelos seguros de saúde: controle de tratamento e reembolso.
4- Planejamento terapêutico.
5- Orienta recomendações de tratamento.
6- Identifica taxas de prevalência para planejamento de serviços de saúde mental.
7- Identifica grupos de pacientes para pesquisas básicas e clínicas.
8- Documenta importantes informações sobre a saúde pública, como taxas de morbidade e mortalidade.
Provas
- EstruturasAnálise Estrutural
- Resistência dos Materiais e Análise EstruturalEstabilidade de sistemas estruturais
Considere a escada plissada bi apoiada com 1 m de largura, conforme o esquema estático apresentado na figura abaixo. Este elemento está sendo solicitado por um carregamento distribuído de 5 kN/m², nos degraus. Determine o valor das reações nos apoios esquerdo e direito e o momento fletor máximo para a estrutura:

Provas
- EstruturasAnálise Estrutural
- Instalações em Engenharia Civil
- Resistência dos Materiais e Análise EstruturalEstabilidade de sistemas estruturais
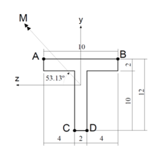
Considere a viga T sujeita ao momento fletor de 100kN.cm inclinado com ângulo de 53,13º (cos 53,13º = 0,60, sen 53,13º = 0,80) em relação à horizontal. Determine as tensões máximas de compressão e tração e determine em que ponto da seção estas ocorrem. Considere as dimensões da seção transversal dadas em cm.

Provas
De acordo com a definição da ABNT NBR 6122:2010, nos elementos estruturais de fundação superficiais, a carga é transmitida diretamente ao terreno pelas tensões distribuídas sob a base da fundação. Esse esquema estrutural é possível quando as camadas superficiais do solo são resistentes o bastante para resistir às tensões impostas pela fundação. Assim, sobre as fundações superficiais, é incorreto afirmar que
Provas
O custo unitário básico (CUB) é o principal indicador do setor da construção civil. Calculado mensalmente pelos Sindicatos da Indústria da Construção Civil de todo o Brasil, é divulgado até o dia 5 de cada mês. Ele determina o custo global da obra, para fins de cumprimento do estabelecido na lei de incorporação de edificações habitacionais em condomínio, Lei 4.591, de 16 de dezembro de 1964, que assegura aos compradores em potencial um parâmetro de comparação com a realidade dos custos. Segundo o parâmetro CUB, é INCORRETO afirmar que
Provas
Caderno Container