Foram encontradas 365 questões.
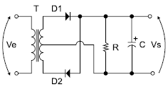
Analise o circuito a seguir, que possui dois diodos, dois capacitores e uma carga RL. Ele é alimentado por uma fonte de tensão alternada. Todos os componentes são supostos ideais.

Esse circuito comporta-se como um
Provas
Questão presente nas seguintes provas
A camada inferior de cobre (bottom cooper layer) e a camada de impressão superior (top silkscreen layer) de um layout de uma placa de circuito impresso de face simples são mostradas na figura a seguir.

Nesse layout de placa de circuito impresso,
Provas
Questão presente nas seguintes provas
Diversos protocolos de comunicação para Controle e Automação se utilizam do meio de comunicação estabelecido pelo padrão RS-485. Na implementação do RS-485, que utiliza apenas um par de fios, o protocolo de comunicação é do tipo
Provas
Questão presente nas seguintes provas
A seguinte figura apresenta os sinais do protocolo de comunicação serial assíncrona utilizado no RS-232.

A eficiência máxima desse protocolo é, aproximadamente, de
Provas
Questão presente nas seguintes provas
Analise o circuito digital a seguir, composto por portas lógicas.

Assinale a alternativa que relaciona corretamente a saída S com as entradas A, B, C e D.
Provas
Questão presente nas seguintes provas
Dispõe-se de dois diodos retificadores e se deseja construir com eles um circuito retificador de onda completa. O circuito que possibilita essa construção é o:
Provas
Questão presente nas seguintes provas
O Varistor é um dispositivo muito utilizado em equipamentos eletrônicos. Sobre esse dispositivo, é correto afirmar que
Provas
Questão presente nas seguintes provas
Uma aplicação típica do Diodo Zener é na regulação de tensão. Uma das características desse diodo, quando utilizado nessa aplicação, é que ele
Provas
Questão presente nas seguintes provas
Em um flip-flop do tipo T, a sua saída Q
Provas
Questão presente nas seguintes provas
Considerando um conversor analógico-digital de rampa digital, no qual o sinal digital de saída tem 8 bits e um fundo de escala de 25 V, o valor medido por cada degrau desse conversor é de, aproximadamente,
Provas
Questão presente nas seguintes provas
Cadernos
Caderno Container