Foram encontradas 720 questões.
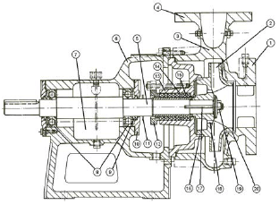
Observe a seguir o desenho de uma bomba centrífuga.

Com relação ao desenho da bomba centrífuga, assinale a alternativa que apresenta a função dos componentes de números 16 e 20.
Provas
Observe o diagrama a seguir.

No diagrama apresentado, os pontos 1, 2, 3, 4 e 5 representam, respectivamente:
Provas
Observe o quadro a seguir.

Se o vapor-d’água está a 45 ºC e 1 m³/kg, o estado do fluido é:
Provas
Observe a imagem a seguir, com as dimensões do diâmetro externo de um tubo de vidro.

Sabendo-se que as duas primeiras escalas estão em polegadas (sistema inglês) e a de baixo em milimetros (sistema métrico), qual é o valor das medidas do diâmetro do tubo que deve ser utilizado na peça?
Provas
O vidro pode ser unido não somente com outro vidro, mas é possível a união desse material com metais e cerâmicas.
Em relação à união do vidro com diferentes materiais, assinale a alternativa INCORRETA.
Provas
Durante os processos de estiramento e sopro para a modelagem de peças de vidro, esses processos sofrem modificações controladas pelo hialotécnico. Nessas operações, realizadas durante o trabalho na chama, para se fazer uma peça, há efeitos provocados no seu diâmetro e espessura.
Considerando esse contexto, assinale alternativa INCORRETA.
Provas
O hialotécnico deve preparar, em suas atividades, tarefas que exigem preparações para a fabricação de certas aparelhagens ou sistema de vidraria.
Para a fabricação de qual aparelho de vidro, a seguir, é necessário o trabalho com tubo capilar e bulbo central?
Provas
No atual mundo em que se busca o equilíbrio sustentável, o vidro tem papel de destaque, pois é total e infinitamente reciclável, além de sua inércia química proporcionar a reutilização de embalagens inclusive para alimentos e medicamentos de maneira indefinida, sem perda das propriedades.
Sobre as propriedades do vidro, assinale a alternativa INCORRETA.
Provas
Existem infinitas formulações de vidros em função da aplicação, processo de produção e disponibilidade de matérias-primas. Existem mais de 200 000 tipos de vidros estudados e mais de 20 000 tipos comercializados.
Para a identificação de vidros e testes utilizados, é correto afirmar que:
Provas
A recuperação de vidraria de laboratório é uma das principais atividades de um hialotécnico.
No que se refere à recuperação de vidraria laboratorial, assinale a alternativa CORRETA.
Provas
Caderno Container