Foram encontradas 225 questões.
Considere o circuito transistorizado ilustrado na figura abaixo:

Um voltímetro de leitura RMS é conectado aos terminais do resistor do circuito coletor. É CORRETO afirmar que a leitura realizada pelo voltímetro é:
Provas
O coração de produtos eletrônicos avançados de hoje é um microcontrolador (μC) que se comunica com um ou mais dispositivos periféricos. Eles são baratos e fáceis de usar, e permitem que se coloque inteligência de um computador em praticamente qualquer coisa eletrônica. Com relação aos microcontroladores, analise as afirmativas abaixo:
I. Trabalham com velocidade de processamento menor que os processadores construídos para computadores. Todavia, possuem CPU, memória e periféricos incluídos em um único chip.
II. Incluem tanto a memória de dados (RAM estática) quanto a memória de programa não volátil (tipo FLASH) no chip. Muitos incluem EEPROM não volátil adicional para manter dados de calibração e configuração do sistema.
III. O software embutido, chamado de firmware, deve ser desenvolvido em linguagem de máquina, sendo o programador obrigado a trabalhar com colunas de números binários, e cada bit tem que ser um bit perfeito. Não se pode programá-los com linguagens de alto nível como C ou C++.
Está CORRETO o que se afirma em:
Provas
Considere um circuito onde um capacitor e um resistor estão conectados em série. Para este tipo de circuito o produto é denominado constante de tempo do circuito RC. Para R em ohms e C em farads, o produto RC é dado em segundos.
Supondo que em t = 0 o capacitor esteja completamente carregado e a tensão medida em seus terminais seja V0 , é CORRETO afirmar que, quando t = RC, a tensão medida nos terminais do capacitor será:
Provas
Considere o circuito da Figura abaixo.

Circuito elétrico
Assinale a alternativa que apresenta CORRETAMENTE o valor da corrente que passa pelo resistor de 150Ω:
Provas
Considere o circuito do Amplificador Inversor da Figura 1a e do Não Inversor da Figura 1b, onde, para ambos, Rf = 1,2kΩ e R1 = 1kΩ.

Figura 1a) Amplificador Inversor. Figura 1b) Amplificador não inversor.
A alternativa que apresenta CORRETAMENTE o valor de Vo das figuras 1a e 1b, respectivamente, é:
Provas
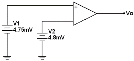
Considere o circuito ilustrado na figura a seguir. O ganho deve ser considerado igual 100.000.

Circuito esquemático
Com base nos dados acima, é CORRETO afirmar que o valor de Vo é:
Provas
Na tela do osciloscópio, como ilustrado na figura abaixo, são mostrados dois sinais, um na forma de uma onda senoidal e outro na forma de uma onda dente de serra. O osciloscópio é ajustado no eixo do tempo, horizontal, para 1/3 ms/div, enquanto a escala de tensão é 2,5V/div.

Tela de um osciloscópio
Em relação à análise dos sinais observados nesse osciloscópio, assinale a afirmativa INCORRETA:
Provas
Observe o circuito ilustrado na figura abaixo. Trata-se de um circuito inversor básico. O ganho de tensão diferencial do circuito inversor é a relação entre a tensão da saída e a tensão de entrada.

Circuito inversor básico
Considerando RF = 10 kΩ e R1 = 1kΩ, assinale a alternativa que apresenta CORRETAMENTE o valor do ganho para este circuito:
Provas
Considere uma carga trifásica equilibrada conectada em Y (estrela). A carga é alimentada por uma fonte de tensão trifásica. O neutro da fonte é conectado ao neutro da carga. Cada ramo da carga trifásica é percorrido por uma corrente de fase If .
Com relação à corrente que percorrerá o condutor neutro, In, é CORRETO afirmar que:
Provas
O choque elétrico é um estímulo rápido no corpo humano, ocasionado pela passagem da corrente elétrica. Essa corrente circulará pelo corpo quando ele se tornar parte do circuito elétrico, onde há uma diferença de potencial suficiente para vencer a resistência elétrica oferecida pelo corpo. Com relação ao choque elétrico, analise as afirmativas abaixo:
I. Embora o circuito elétrico deva apresentar uma diferença de potencial capaz de vencer a resistência elétrica oferecida pelo corpo humano, o que determina a gravidade do choque elétrico é a intensidade da corrente circulante pelo corpo.
II. O caminho percorrido pela corrente elétrica no corpo humano é um fator que determina a gravidade do choque, sendo os choques elétricos de maior gravidade aqueles em que a corrente elétrica passa pelo coração.
III. As características da corrente elétrica não são fatores determinantes na gravidade do choque elétrico. Para corrente contínua (CC), as intensidades das correntes deverão ser as mesmas que as das correntes alternadas para ocasionar as mesmas sensações do choque elétrico.
IV. Ocorrem diferenças nos valores de intensidade da corrente elétrica para uma determinada sensação de choque elétrico, se a vítima for do sexo feminino ou do sexo masculino, sendo as vítimas do sexo feminino sensíveis a menores valores de correntes que as do sexo masculino.
Está CORRETO o que se afirma em:
Provas
Caderno Container