Foram encontradas 225 questões.
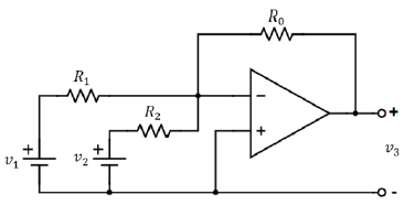
Um voltímetro de leitura RMS está conectado à saída do amplificador operacional do circuito ilustrado na figura abaixo.

É CORRETO afirmar que a leitura realizada pelo voltímetro é:
Provas
Um transformador ideal é um dispositivo constituído por duas bobinas estreitamente acopladas (denominadas enrolamento primário e enrolamento secundário). Aplicando-se uma tensão CA ao primário, é CORRETO afirmar que aparece no secundário:
Provas
Desde 1997 e conforme consta na NBR 5410, os dispositivos diferenciais residuais devem ser aplicados em alguns tipos de circuitos. É INCORRETO afirmar que eles devam ser aplicados a circuitos que alimentam:
Provas
O ponto de iluminação de teto, do quarto de casal em uma casa, será comandado por quatro interruptores diferentes. Na instalação, o eletricista, utilizará na ligação:
Provas
Considere o circuito com amplificador operacional ilustrado na figura abaixo:

É CORRETO afirmar que se trata de um circuito:
Provas
Nos padrões de energia elétrica das concessionárias, os medidores residenciais medem:
Provas
No sistema de redistribuição de energia elétrica das concessionárias nas cidades temos alguns detalhes cuja denominação é comum, na grande maioria delas. Observe o esquema ilustrado na figura abaixo.

Assinale a alternativa que apresenta CORRETAMENTE a correspondência da(s) letra(s) com sua(s) respectiva(s) denominação(ões):
Provas
A iluminação de uma árvore de Natal é exemplo de circuito ligado em série. Se ligarmos essa iluminação na tomada de 120 V da nossa casa sabendo que cada lâmpada possui tensão de 8 V e dissipa a potência de 5 W, é CORRETO afirmar que:
Provas
Em um motor trifásico alimentado em 220 V, que exige da rede de energia elétrica 25 ampères por fase e possui fator de potência de 80%, é CORRETO afirmar que:
Provas
O valor médio de uma corrente senoidal é nulo e por esse motivo utiliza-se o valor eficaz. É CORRETO afirmar que o valor eficaz de uma corrente alternada é igual ao de uma corrente contínua que:
Provas
Caderno Container