Foram encontradas 50 questões.
Considere as afirmativas a seguir, relacionadas a características comuns nas planilhas eletrônicas.
I. A partir dos dados de uma planilha é possível fazer a elaboração de gráficos.
II. Uma planilha é uma ferramenta que permite fazer manipulação numérica em geral.
III. Uma planilha é uma ferramenta que permite efetuar intensamente a formatação de textos.
IV. Uma planilha é uma ferramenta que permite efetuar cálculos sobre tabelas de duas dimensões.
V. Uma planilha é uma ferramenta que permite efetuar cálculos sobre tabelas de três dimensões.
Assinale a alternativa que apresenta apenas afirmativas verdadeiras.
Provas
Qual é o protocolo para transferência de mensagens eletrônicas (e-mail) entre os servidores de correio eletrônico?
Provas
Para o armazenamento e controle de informações, tais como folhas de pagamentos e estoque de materiais e cadastros, o programa computacional mais recomendado de ser utilizado é o
Provas
A sigla CAD significa:
Provas

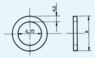
Qual o diâmetro externo “X” da arruela representada na figura acima?
Provas
A UCP ou processador é responsável
Provas

Vários símbolos são usados em diagramas pneumáticos e hidráulicos.
Em relação aos símbolos apresentados na figura acima, usados nesses tipos de diagramas, é correto afirmar que seus respectivos significados são:
Provas
Um fluido é direcionado num circuito hidráulico por meio de
Provas
O processo de usar zinco para proteger o ferro da ferrugem denomina-se
Provas
Para a figura abaixo sabendo que a mesma representa o conjunto de polias acopladas a um motor que gira a 600 rpm conectadas a outro conjunto de polias que aciona uma furadeira.

Determine a rotação da furadeira se a correia for colocada no acoplamento B.
Provas
Caderno Container