Foram encontradas 50 questões.
Considere as afirmativas sobre o transistor de efeito de campo do tipo junção (jFET) e do tipo Metal Óxido Semicondutor (MOSFET).
( ) Inexiste conexão física elétrica direta entre o terminal da porta e o canal em um MOSFET tipo depleção.
( ) O parâmetro IDss é a máxima corrente do dreno para a fonte em um transistor de efeito de campo tipo junção e ocorre com a porta fonte curto-circuitada (VGS = 0 volts).
( ) A tensão que aciona ou liga um MOSFET tipo intensificação é denominada tensão de joelho.
( ) A curva que representa a transcondutância de um MOSFET tipo junção apresenta uma característica linear (reta).
A sequência correta é
Provas
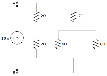
Considere o circuito apresentado a seguir.

Calculando-se a resistência equivalente entre os pontos "A" e "B" e a potência dissipada pela resistência equivalente do circuito, obtêm-se, respectivamente,
Provas
Para responder à questão, leia o texto a seguir.
A cidade em crise
Carlos Antônio Leite Brandão*
Talvez ela seja a maior invenção da história, o espaço onde é possível conquistar nossa liberdade e humanidade plenas. Contudo, a cidade encontra-se ameaçada e em vias de ser até mesmo desinventada.
Os espaços físicos urbanos são, por excelência, do domínio público em que se movimenta a cidade e a sociedade. Isso aponta, de imediato, a necessidade de pensar e promover como seu bem maior a coisa pública, a res publica. E aí repousa, justamente, a maior dificuldade: o domínio público tem perdido seu lugar na sociedade urbana contemporânea. A perda da dimensão pública de nossa existência é o maior desafio enfrentado para a implantação de ações destinadas a preservar a cidade enquanto pólis e urbe.
O cidadão, figura central do movimento da pólis, também está se perdendo e sendo substituído pela figura do contribuinte e do consumidor.
É na condição de contribuinte ou consumidor de serviços, por exemplo, que se reivindicaA) a preservação da qualidade de vida, a obtenção da segurança e o afastamento do jogo político de alguns profissionais da economia informalB). Se a qualidade de vida só pode ser requerida pelo contribuinte e consumidorC,D), ela não é comum a todosE), mas apenas a um grupo de cidadãos cuja voz é mais forte quanto maior a sua riqueza.
A cidade é mais do que um espaço físico, e o problema da qualidade de vida vai além da questão ambiental. A cidade é um espaço ético. Desenvolver essa noção é o propósito preliminar de um modelo ainda a ser implantado que tem como vértice a educação das pessoas para o agir ético dentro de uma sociedade em que a virtude pública constitui o horizonte privilegiado de nossas visadas. Fisicamente, acreditamos morar em cidades; espiritualmente, habitamos não cidades, espaços privados onde estamos, mais do que tudo, “privados” de liberdade.
Liberdade não é o prolongamento para o público daquilo que fazemos e desejamos na intimidade, mas a possibilidade de darmos um destino público às nossas ações e desenvolvermos plenamente as nossas potencialidades na medida que as dirigimos à comunidade à qual pertencemos. Isso só é possível quando nosso trabalho escolhe destinar-se ao outro, permitindo-nos transcender a finitude de nossa existência particular e de nossa temporalidade mortal.
* Professor de História da Arquitetura da UFMG.
Fonte: Disponível em: <www.ufmg.br/diversa/17/index.php/aglomerados/a-cidade-em-crise>.Acesso em: 21 mar. 2013. (adaptado)
Para responder à questão a seguir, leia atentamente o segundo e terceiro parágrafos.
Analise a contribuição dos elementos destacados para o sentido do texto e assinale a alternativa em que essa contribuição está identificada corretamente.
Provas
Em uma análise da reta de carga "cc" de um circuito de polarização fixa, com transistor de junção bipolar, observa-se que o ponto de trabalho "Q" está plotado na região linear das características do referido circuito. Para que o ponto "Q" se desloque ao longo da linha ou reta de carga "cc", deve-se alterar o valor de um dos parâmetros no circuito, ou seja, a
Provas
Três capacitores (C1 = 10 μF, C2 = 5 μF e C3 = 2 μF) são associados em paralelo e aplica-se uma diferença de potencial de 10 volts à associação.

Determinando-se a carga total e a energia potencial elétrica da associação, encontram-se, respectivamente,
Provas
Sobre sensores industriais, considere as seguintes afirmativas:
I - Sensores indutivos não são indicados para a detecção de objetos metálicos.
II - O princípio de funcionamento do sensor ultrassônico baseia-se na emissão e recepção de ondas sonoras e é capaz de detectar materiais transparentes.
III - Os termistores tipo NTC são elementos cuja resistência decresce com o aumento da temperatura.
Está(ão) correta(s)
Provas
Desejando enfeitar a casa para o Natal, uma pessoa adquiriu um conjunto de 50 lâmpadas coloridas e interligou-as em série, conforme a figura a seguir.

Considerando que, em cada lâmpada, estão especificados 2,4 V e 6 mW, essa pessoa necessita calcular o valor do resistor "Rs", para que o conjunto possa ser alimentado pela rede de energia elétrica (220 V). Determinando-se, então, o valor de "Rs", encontra-se
Provas
Observe a figura a seguir.

No circuito dessa figura, determinando-se o valor da carga armazenada no capacitor de 1 μF, obtém-se
Provas
Sobre controladores lógico-programáveis (CLPs), considere as seguintes afirmativas:
I - O princípio de funcionamento do CLP é dividido em varredura das entradas, execução do programa e atualização das saídas, nessa ordem.
II - As entradas digitais reconhecem somente dois estados: ligado ou desligado.
III - As saídas a relé são recomendadas para acionamentos em elevadas frequências, ao contrário das saídas a transistor.
Está(ão) correta(s)
Provas
O número 78 está expresso no sistema decimal. Qual das alternativas mostra a representação do mesmo número no sistema binário?
Provas
Caderno Container