Foram encontradas 1.008 questões.
A fixação é a etapa da histotécnica que tem por finalidade assegurar a preservação das estruturas morfológicas das células e tecidos, como se estivessem no animal "in vivo". A base para uma boa preparação histológica é a fixação adequada. Para tanto, é preciso obedecer a algum(ns) requisito(s). Assinale a alternativa que apresenta corretamente esse(s) requisito(s)
Provas
. As etapas de processamento histológico constituem uma técnica muito utilizada para a produção da lâmina histológica e consiste em realizar várias etapas, em que o bloco produzido será colocado em estufa e corado por técnicas que evidenciem os componentes celulares e teciduais. Assinale a alternativa que apresenta as etapas de processamento histológico na sequência em que deverão ser realizadas.
Provas
Quanto aos conversores de tensão e corrente, assinale a alternativa correta.
Provas
A tela de um osciloscópio é apresentada a seguir. Nela, pode-se observar um único sinal senoidal com amplitude e frequência constantes. Para ajustar a visualização do sinal, um técnico deve

Provas
Sobre gerador de função e osciloscópio, assinale a alternativa incorreta.
Provas
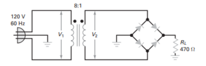
Dado o circuito a seguir, é correto afirmar que ele é um

Provas
- Medidas ElétricasTransformadores para instrumentos, Transformador de potencial e Transformador de corrente
Sobre transdutores, analise as afirmações a seguir.
1) Termopar é um sensor que converte a corrente elétrica que circula em seus terminais em temperatura.
2) Transdutor ultrassônico é constituído de material piezoelétrico.
3) Sensor feito fotoelétrico converte radiação luminosa em emissão de elétrons.
4) Acelerômetro mede a vibração ou a aceleração do movimento de uma estrutura sendo composto por material dielétrico.
Estão corretas:
Provas
Quanto a instrumentos de medição elétrica, assinale a alternativa incorreta.
Provas
Quanto aos dispositivos de medição e aos procedimentos de medida em laboratório, assinale a alternativa incorreta.
Provas
No contexto do Linux, considere o seguinte comando a ser executado no shell. Assinale a alternativa que descreve corretamente o resultado da execução do comando.
sudo useradd -u 1002 abc
Provas
Caderno Container