Foram encontradas 1.008 questões.
Sobre materiais elétricos e magnéticos, assinale a alternativa correta.
Provas
Suponha que utilizamos a estrutura de arranjo (“array”) para armazenar o vetor \( V \) e a matriz \( M \) seguintes:

Essas estruturas são definidas como:
\( V \):\( a \)\( r \)\( r \)\( a \)\( y \)[0..5] \( o \)\( f \) \( i \)\( n \)\( t \)\( e \)\( g \)\( e \)\( r \);
\( M \):\( a \)\( r \)\( r \)\( a \)\( y \)[1..4,1..4] \( o \)\( f \) \( i \)\( n \)\( t \)\( e \)\( g \)\( e \)\( r \);
Ou seja, \( V \) é um “array” de inteiros indexado de 0 a 5, e \( M \) é um “array” bidimensional de inteiros indexado de 1 a 4 em ambas as dimensões. O primeiro índice se refere às linhas, e o segundo, às colunas de \( M \). Suponha que fazemos a seguinte atribuição a uma variável inteira:
\( P \) ← \( M \)[\( V \)[2] − \( V \)[5] , \( V \)[ \( V \)[2] ] + \( V \)[1]];
Em quanto resulta o valor de \( P \) ?
Provas
Sobre materiais elétricos e magnéticos, analise as afirmações a seguir.
1) A carga de um capacitor depende da sua capacitância e da tensão a ele aplicada.
2) Um isolante se caracteriza por oferecer uma elevada resistência à passagem de corrente elétrica.
3) A intensidade da corrente elétrica que percorre um circuito é diretamente proporcional à tensão aplicada e inversamente proporcional à resistência.
4) A resistividade (p) de um material é expressa em Ω.m.
Estão corretas
Provas
Correlacione as grandezas elétricas da coluna à esquerda com suas respectivas unidades na coluna à direita.
1) Potência reativa ( ) Weber
2) Admitância ( ) Ampére espira por weber
3) Resistividade ( ) Volt-ampère reativo
4) Relutância magnética ( ) Siemens
5) Fluxo magnético ( ) Ohm por metro
A sequência correta, de cima para baixo, é
Provas
Sobre os circuitos digitais sequenciais e combinacionais, assinale a alternativa correta.
Provas
Na figura a seguir, é mostrado um circuito com resistores e diodos. Considere como entradas Va e Vb e a saída é Vo. Dado que cada uma das entradas pode ser conectada à alimentação (5 V) ou ao terra (0 V) e que se considera o nível lógico zero uma tensão abaixo de 1 V e o nível lógico 1 uma tensão acima de 2 V, qual alternativa indica corretamente a porta lógica equivalente a esse circuito?

Provas
Dado um decodificador (DEC) com a sua correspondente tabela da verdade fornecida a seguir, assinale a alternativa correta quanto às saídas dos circuitos 1, 2 e 3.

Provas
Dado o circuito combinacional a seguir, assinale a expressão da saída f (A,B,C,D,E) em função das entradas (A,B, C, D, E).

Provas
Quanto aos transistores, assinale a alternativa incorreta.
Provas
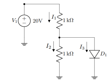
Quanto ao circuito a seguir, que contém um diodo (D1) com queda de tensão de 0,7 V, assinale a alternativa verdadeira.

Provas
Caderno Container