Magna Concursos

Foram encontradas 1.660 questões.

46315 Ano: 2009
Disciplina: Engenharia Elétrica
Banca: UFRN
Orgão: UFRN

Um capacitor de 2 μF é ligado em paralelo a um indutor de 1 mH, com uma tensão CA aplicada de 110 V.

A freqüência de ressonância aproximada do circuito, em hertz, é, aproximadamente,

 

Provas

Questão presente nas seguintes provas
46314 Ano: 2009
Disciplina: Engenharia Elétrica
Banca: UFRN
Orgão: UFRN

Considere os equipamentos abaixo relacionados para uma residência e o custo de 1kWh igual a R$ 0,20.

Equipamento

Potência (W)

Tempo de uso diário (h)

Ar-condicionado

9.000 10

Freezer

700 12

Televisor

300 8

Chuveiro elétrico

3.000 2

Computador

400 9

Lâmpadas

300 10

O custo mensal (de 30 dias) de energia dessa residência, em reais, é de, aproximadamente,

 

Provas

Questão presente nas seguintes provas
46313 Ano: 2009
Disciplina: Engenharia Elétrica
Banca: UFRN
Orgão: UFRN

Um transformador de 200 kVA, 2.200/220 V, quando ensaiado, forneceu os valores abaixo.

CA VCA = ? ICA = 4,0 A

PCA = 140 W

CC VCC = 180 V ICC = ?

PCC = 3.500 W

O valor de ICC utilizado para a realização do ensaio de curto-circuito (CC), em amperes, foi aproximadamente,

 

Provas

Questão presente nas seguintes provas
46312 Ano: 2009
Disciplina: Engenharia Elétrica
Banca: UFRN
Orgão: UFRN

Um transformador de 200 kVA, 2.200/220 V, quando ensaiado, forneceu os valores abaixo.

CA VCA = ? ICA = 4,0 A

PCA = 140 W

CC VCC = 180 V ICC = ?

PCC = 3.500 W

O valor de VCA utilizado para a realização do ensaio de circuito aberto (CA), em volts, foi, portanto,

 

Provas

Questão presente nas seguintes provas
46311 Ano: 2009
Disciplina: Engenharia Eletrônica
Banca: UFRN
Orgão: UFRN

O capacitor eletrolítico utilizado em um retificador a diodo

 

Provas

Questão presente nas seguintes provas
46310 Ano: 2009
Disciplina: Engenharia Eletrônica
Banca: UFRN
Orgão: UFRN

A configuração mais comumente utilizada para o transistor é a

 

Provas

Questão presente nas seguintes provas
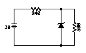
46309 Ano: 2009
Disciplina: Engenharia Eletrônica
Banca: UFRN
Orgão: UFRN

Na figura abaixo, o zener 1N1594 tem uma tensão de zener de 10 V e uma resistência zener de 1,2 W\( \Omega \).

Enunciado 3896588-1

Se a tensão de carga medir, aproximadamente, 15 V para esse, será correto afirmar que

 

Provas

Questão presente nas seguintes provas
46308 Ano: 2009
Disciplina: Engenharia Eletrônica
Banca: UFRN
Orgão: UFRN

A polarização correta de um transistor, para que ele possa trabalhar como amplificador, deve ser

 

Provas

Questão presente nas seguintes provas
46307 Ano: 2009
Disciplina: Engenharia Eletrônica
Banca: UFRN
Orgão: UFRN

O aparecimento do EFEITO AVALANCHE no diodo ocorre devido

 

Provas

Questão presente nas seguintes provas
46306 Ano: 2009
Disciplina: Engenharia Eletrônica
Banca: UFRN
Orgão: UFRN

A tensão de uma fonte é de 12 V e a resistência dessa fonte é de 2 k \( \Omega \), conforme mostra a figura abaixo.

Enunciado 3896584-1

A corrente que atravessa o diodo é

 

Provas

Questão presente nas seguintes provas