Foram encontradas 60 questões.
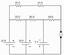
Analise o circuito a seguir, que teve seu voltímetro danificado:

Um técnico, ao ser questionado, realizou o cálculo com precisão. Dessa forma, o valor calculado pelo técnico foi de:
Provas
Questão presente nas seguintes provas
Considere que um técnico analise o circuito lógico a seguir e extraia a expressão equivalente de S, função de A, B, C e D:

Utilizando os recursos fornecidos pela Álgebra de Boole, assinale a expressão simplificada encontrada pelo técnico após minimizar esta função.
Provas
Questão presente nas seguintes provas
Analise o circuito a seguir:

A resistência equivalente da associação mista de resistores entre os pontos A e B desse circuito é igual a:
Provas
Questão presente nas seguintes provas
Analise o circuito a seguir:

Assinale a alternativa que apresenta a tensão entre as armaduras do capacitor C, supondo o gerador ideal.
Provas
Questão presente nas seguintes provas
Os circuitos magnéticos estão cada vez mais presentes no nosso dia a dia, principalmente nos sistemas de comunicações, e muitas vezes nem percebemos que eles existem. Nesse contexto, assinale a alternativa correta.
Provas
Questão presente nas seguintes provas
Analise as alternativas a seguir e assinale a alternativa correta.
Provas
Questão presente nas seguintes provas
Aplica-se uma tensão senoidal monofásica de 200 V no primário de um transformador ideal com 100 espiras no enrolamento primário e 400 espiras no enrolamento secundário. Sabendo que há uma carga de 50 KΩ no secundário, os valores da tensão no secundário e a corrente no primário são, respectivamente:
Provas
Questão presente nas seguintes provas
Em eletricidade, há duas modalidades de corrente em uso: a corrente contínua e a corrente alternada. Dentre as alternativas a seguir, assinale a INCORRETA.
Provas
Questão presente nas seguintes provas
Analise o circuito a seguir.

Assinale a alternativa que corresponde ao filtro ativo representado na ilustração.
Provas
Questão presente nas seguintes provas
Analise a imagem do circuito a seguir:

Sabendo que R1 = 4 Ω, R2 = 10 Ω, R3 = 3 Ω, R4 = 4 Ω e R5 = 5 Ω, o valor da corrente que passa por R2 é de:
Provas
Questão presente nas seguintes provas
Cadernos
Caderno Container