Foram encontradas 60 questões.
Em um determinado órgão público, coube ao Eletrotécnico realizar o levantamento dos dados de corrente, tensão, temperatura e demais parâmetros capazes de indicar a existência ou a evolução de problemas internos às instalações elétricas. Esse serviço se refere à prática da manutenção:
Provas
Questão presente nas seguintes provas
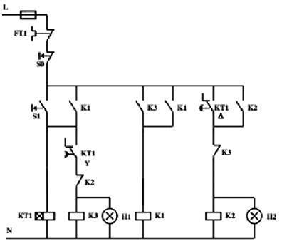
A corrente de partida de um motor de indução trifásico é de 5 a 7 vezes o valor de sua corrente nominal e independe da carga acionada. A figura a seguir exemplifica um diagrama de comando de um motor trifásico que objetiva a redução de sua corrente de partida. Assinale a alternativa correspondente ao método empregado.

Provas
Questão presente nas seguintes provas
A segurança das instalações elétricas, fundamental em nossos dias, está muito bem especificada na norma NBR 5410/2004. Aterramentos, isolamentos e todos os recursos disponíveis para evitar que a eletricidade cause danos/acidentes às pessoas são previstos. Observe o diagrama abaixo e assinale a opção que identifica o equipamento de proteção utilizado.

Provas
Questão presente nas seguintes provas
Em uma determinada instalação elétrica foram necessários dispositivos capazes de realizar operações de chaveamento e manobra através de comando local e a distância, com atuação por meio eletromagnético. Esses dispositivos são conhecidos como:
Provas
Questão presente nas seguintes provas
Em uma subestação de energia, do tipo simplificada, há alguns equipamentos destinados à proteção contra sobretensão e sobrecorrente. Assinale a alternativa que apresenta os equipamentos que propiciam as citadas funções, respectivamente.
Provas
Questão presente nas seguintes provas
O isolamento dos condutores elétricos tem como função básica o confinamento do campo elétrico gerado pela tensão aplicada no seu interior, reduzindo o risco de choques elétricos e de curtos-circuitos. Condutores de cobre com isolamento em polietileno reticulado (XLPE) ou etileno propileno (EPR) são projetados para operar em regime contínuo em uma temperatura igual a:
Provas
Questão presente nas seguintes provas
A figura a seguir exemplifica, de modo simplificado, uma estrutura instalada na cobertura de um dos prédios da UFRJ:

Em relação à função desse sistema, é correto afirmar que se trata de:
Provas
Questão presente nas seguintes provas
Para o circuito mostrado na figura a seguir, assinale a alternativa que apresenta os valores da tensão e da resistência equivalente vista dos pontos A e B, respectivamente.

Provas
Questão presente nas seguintes provas
Na figura a seguir são mostrados exemplos de um dispositivo de proteção muito utilizado em instalações elétricas residenciais e comerciais. Assinale, dentre as alternativas, aquela que corresponde a todas as funções desse dispositivo.

Provas
Questão presente nas seguintes provas
Um determinado circuito elétrico, alimentado em corrente alternada, é formado pela associação em série de três elementos: um resistor, um indutor e um capacitor. Supondo que o valor em módulo da reatância indutiva seja inferior ao valor em módulo da reatância capacitiva, podemos afirmar que o circuito é:
Provas
Questão presente nas seguintes provas
Cadernos
Caderno Container