Foram encontradas 50 questões.
O QUE É OBJETIFICAÇÃO DA MULHER?
Em muitas discussões sobre o papel da mulher na sociedade, exploramos diversos aspectos das desigualdades que persistem entre homens e mulheres. Diferenças de oportunidades de acesso ao mercado de trabalho, disparidade salarial e acesso à esfera pública em geral são algumas dimensões onde percebemos as desigualdades de gênero.
Outras dimensões, no entanto, são mais subjetivas e manifestam-se na forma como enxergamos as mulheres e em que medida as consideramos indivíduos autônomos, donas de seus próprios corpos. É aqui que entra a objetificação do corpo feminino.
OBJETIFICAR ALGUÉM? COMO ASSIM?
Primeiramente, o que significa objetificar alguém? Segundo Belmiro et al (2015): “A objetificação, termo cunhado no início dos anos 70, consiste em analisar um indivíduo a nível de objeto, sem considerar seu emocional ou psicológico.”
Quando falamos de objetificação do corpo feminino estamos nos referindo à banalização da imagem da mulher, ou seja: a aparência das mulheres importa mais do que todos os outros aspectos que as definem enquanto indivíduos.
E COMO OBSERVAMOS ISSO HOJE?
A objetificação está presente nos mais diversos setores da sociedade. Um exemplo clássico é a forma como a mulher é retratada em peças publicitárias. Em muitas campanhas, com destaque para as de cerveja, mulheres são estereotipadas e hipersexualizadas. Em pesquisa recente do Instituto Patrícia Galvão e Instituto Data Popular, 84% dos respondentes concordam que o corpo da mulher é usado para a venda de produtos nas propagandas de TV e 58% entendem que a mulher é representada como objeto sexual nessas campanhas.
[...] a nossa sociedade do início do século XXI entendia o homem como provedor e a mulher como dependente dele. A cultura patriarcal refere-se ao comportamento esperado das mulheres nesse contexto em que elas eram economicamente dependentes dos homens. O “contrato tácito de troca” previa que as mulheres, por serem sustentadas pelos maridos, cuidassem dos afazeres domésticos e os satisfizessem sexualmente.
Atualmente, por mais que as mulheres tenham alcançado mais independência financeira, uma das características da cultura patriarcal que ainda permanece é a objetificação do corpo feminino, uma vez que essa objetificação está intimamente ligada à função do corpo da mulher enquanto mero objeto de prazer sexual masculino.
A objetificação do corpo feminino tem várias consequências danosas. A primeira delas é a estereotipação da mulher e o estabelecimento de padrões estéticos irreais. Uma vez que o julgamento inicial de uma pessoa se dá pela aparência, existe uma expectativa do que é bom ou ruim, certo ou errado e, consequentemente, a exclusão e depreciação de mulheres que não atendem a esses padrões. Muitas vezes, vemos em ambientes familiares ou profissionais mulheres sendo hostilizadas pelo seu peso, altura, cabelo, depilação, formato de corpo e demais atributos físicos.
Outra consequência danosa desse fenômeno é a auto-objetificação da mulher. Mulheres que vivem em ambientes de objetificação tendem a se auto-objetificar e também a objetificar outras mulheres, sofrendo, assim, danos de autoestima e de socialização. Em pesquisa publicada na Psychological Science em 2013, sugeriu-se que mulheres que apresentam altos níveis de auto-objetificação tendem a ser menos ativas socialmente.
Por que a mulher se auto-objetificaria? Quando lembramos que parte da cultura patriarcal compreende a satisfação sexual que a mulher precisa dar ao homem, o impacto disso no comportamento de muitas mulheres é de se empenhar em tornar seus corpos sexualmente atraentes para os homens em detrimento de suas próprias expectativas. Enxergar seu próprio corpo e o corpo de outras mulheres como objetos de satisfação do desejo sexual masculino é parte do processo de auto-objetificação.
E o que ativismo social tem a ver com isso? Ora, como explicamos no início, se a objetificação consiste em desconsiderar atributos psicológicos e emocionais que nos caracterizam enquanto indivíduos, a mulher que se auto-objetifica não se compreende totalmente como um indivíduo e não se dá conta de todas as suas capacidades e possibilidades, o que influencia no seu grau de engajamento como profissional e cidadã.
Combater a objetificação é, portanto, mostrar para as mulheres que elas são indivíduos completos e capazes, que podem ser muito mais do que objetos de prazer masculino. O primeiro passo para isso é identificar atitudes que reforçam essa cultura e combatê-las no dia a dia.
Adaptado de: http://www.politize.com.br/atualidades/o-que-e-objetificacao-da-mulher/. Acesso em 24/06/2016.
Considerando a leitura e análise do texto I, julgue as afirmações a seguir e assinale a opção CORRETA.
I. A “objetificação” é diferente da “desigualdade de gênero”, enquanto esta se refere às diferenças de oportunidades entre homens e mulheres em diversos setores da sociedade, aquela consiste em analisar um ser humano como objeto. A “objetificação” do corpo da mulher, neste caso, é apenas um exemplo;
II. A partir de pistas linguísticas e do próprio conteúdo abordado, fica claro que o texto I foi escrito por uma mulher engajada no movimento feminista, uma vez que não são todas as mulheres que se identificam com o conteúdo abordado no texto;
III. Pela forma como as mulheres que se “auto-objetificam” são apresentadas e caracterizadas, vê-se que elas são o interlocutor direto do texto, uma vez que são essas mulheres que precisam conscientizar-se de que seu corpo não pode ser visto nem tratado como objeto.
Provas
Questão presente nas seguintes provas
A soldagem a arco com eletrodo revestido é um processo que produz a coalescência entre metais pelo aquecimento destes com um arco elétrico estabelecido entre um eletrodo metálico revestido e a peça que está sendo soldada. Sobre o Processo de Soldagem com Eletrodo Revestido, é CORRETO afirmar que:
Provas
Questão presente nas seguintes provas
O QUE É OBJETIFICAÇÃO DA MULHER?
Em muitas discussões sobre o papel da mulher na sociedade, exploramos diversos aspectos das desigualdades que persistem entre homens e mulheres. Diferenças de oportunidades de acesso ao mercado de trabalho, disparidade salarial e acesso à esfera pública em geral são algumas dimensões onde percebemos as desigualdades de gênero.
Outras dimensões, no entanto, são mais subjetivas e manifestam-se na forma como enxergamos as mulheres e em que medida as consideramos indivíduos autônomos, donas de seus próprios corpos. É aqui que entra a objetificação do corpo feminino.
OBJETIFICAR ALGUÉM? COMO ASSIM?
Primeiramente, o que significa objetificar alguém? Segundo Belmiro et al (2015): “A objetificação, termo cunhado no início dos anos 70, consiste em analisar um indivíduo a nível de objeto, sem considerar seu emocional ou psicológico.”
Quando falamos de objetificação do corpo feminino estamos nos referindo à banalização da imagem da mulher, ou seja: a aparência das mulheres importa mais do que todos os outros aspectos que as definem enquanto indivíduos.
E COMO OBSERVAMOS ISSO HOJE?
A objetificação está presente nos mais diversos setores da sociedade. Um exemplo clássico é a forma como a mulher é retratada em peças publicitárias. Em muitas campanhas, com destaque para as de cerveja, mulheres são estereotipadas e hipersexualizadas. Em pesquisa recente do Instituto Patrícia Galvão e Instituto Data Popular, 84% dos respondentes concordam que o corpo da mulher é usado para a venda de produtos nas propagandas de TV e 58% entendem que a mulher é representada como objeto sexual nessas campanhas.
[...] a nossa sociedade do início do século XXI entendia o homem como provedor e a mulher como dependente dele. A cultura patriarcal refere-se ao comportamento esperado das mulheres nesse contexto em que elas eram economicamente dependentes dos homens. O “contrato tácito de troca” previa que as mulheres, por serem sustentadas pelos maridos, cuidassem dos afazeres domésticos e os satisfizessem sexualmente.
Atualmente, por mais que as mulheres tenham alcançado mais independência financeira, uma das características da cultura patriarcal que ainda permanece é a objetificação do corpo feminino, uma vez que essa objetificação está intimamente ligada à função do corpo da mulher enquanto mero objeto de prazer sexual masculino.
A objetificação do corpo feminino tem várias consequências danosas. A primeira delas é a estereotipação da mulher e o estabelecimento de padrões estéticos irreais. Uma vez que o julgamento inicial de uma pessoa se dá pela aparência, existe uma expectativa do que é bom ou ruim, certo ou errado e, consequentemente, a exclusão e depreciação de mulheres que não atendem a esses padrões. Muitas vezes, vemos em ambientes familiares ou profissionais mulheres sendo hostilizadas pelo seu peso, altura, cabelo, depilação, formato de corpo e demais atributos físicos.
Outra consequência danosa desse fenômeno é a auto-objetificação da mulher. Mulheres que vivem em ambientes de objetificação tendem a se auto-objetificar e também a objetificar outras mulheres, sofrendo, assim, danos de autoestima e de socialização. Em pesquisa publicada na Psychological Science em 2013, sugeriu-se que mulheres que apresentam altos níveis de auto-objetificação tendem a ser menos ativas socialmente.
Por que a mulher se auto-objetificaria? Quando lembramos que parte da cultura patriarcal compreende a satisfação sexual que a mulher precisa dar ao homem, o impacto disso no comportamento de muitas mulheres é de se empenhar em tornar seus corpos sexualmente atraentes para os homens em detrimento de suas próprias expectativas. Enxergar seu próprio corpo e o corpo de outras mulheres como objetos de satisfação do desejo sexual masculino é parte do processo de auto-objetificação.
E o que ativismo social tem a ver com isso? Ora, como explicamos no início, se a objetificação consiste em desconsiderar atributos psicológicos e emocionais que nos caracterizam enquanto indivíduos, a mulher que se auto-objetifica não se compreende totalmente como um indivíduo e não se dá conta de todas as suas capacidades e possibilidades, o que influencia no seu grau de engajamento como profissional e cidadã.
Combater a objetificação é, portanto, mostrar para as mulheres que elas são indivíduos completos e capazes, que podem ser muito mais do que objetos de prazer masculino. O primeiro passo para isso é identificar atitudes que reforçam essa cultura e combatê-las no dia a dia.
Adaptado de: http://www.politize.com.br/atualidades/o-que-e-objetificacao-da-mulher/. Acesso em 24/06/2016.
Ainda de acordo com a leitura e análise do texto I, assinale a opção CORRETA.
I. As campanhas publicitárias que apresentam a mulher como objeto, na realidade, fazem isso, porque têm em vista o público masculino, que prefere ver uma mulher bonita relacionada a um produto de sua preferência do que um homem. A “objetificação”, por sua vez, dependerá da atitude do homem em relação a essa mulher e não ao modo como ela é apresentada;
II. Tanto a estereotipação da mulher como o estabelecimento de um padrão de beleza que não corresponde à realidade podem ser apontados como consequências reais e prejudiciais da “objetificação” da mulher. Já em relação às mulheres que se “auto-objetificam”, estas tanto se percebem nos moldes desse fenômeno como também o fazem com outras mulheres;
III. No passado, as principais atividades feministas eram cuidar das tarefas do lar e dos desejos sexuais do marido. Esse era um comportamento normal, esperado para as mulheres pela sociedade em geral, que tinha o homem como o patriarca da família e, portanto, o provedor do seu sustento.
Provas
Questão presente nas seguintes provas
Com base na composição morfossintática do período “Não há sexo frágil”, assinale a opção CORRETA.
Provas
Questão presente nas seguintes provas
As ferramentas de aço rápido utilizadas no processo de torneamento são compostas por vários ângulos, os quais são medidos através da interseção de planos e superfícies. Observando o plano de referência de uma ferramenta universal de torneamento, pode-se destacar três ângulos: o ângulo de posição, o ângulo de ponta e o ângulo de posição secundário. A soma desses três ângulos tem como resultado:
Provas
Questão presente nas seguintes provas
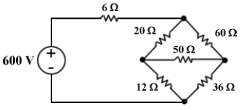
Marque a opção que apresenta o valor CORRETO da potência dissipada no resistor de 36 Ω do circuito elétrico abaixo.

Provas
Questão presente nas seguintes provas
Representar com exatidão e rigor peças e componentes é crucial ao processo de fabricação. No tocante às cotas, NÃO é correto afirmar que:
Provas
Questão presente nas seguintes provas
Eu Sou Problema Meu (Clarice Falcão)
Não sei de ninguém que me vendeu
Por dois camelos pra você
E num negócio armado no meio da rua.
Nem cartório algum reconheceu
Um documento que explicita
Em papel que legalmente eu sou sua.
Quando eu disse sim naquela hora
Eu disse sim naquela hora
Eu não disse sim por toda a eternidade.
Eu não sei se você tá por fora,
Mas eu não tenho registro compra e venda
Feito uma propriedade pessoal.
Não me leve a mal,
Mas você não me tem.
Eu não sou um chapéu
No armário de alguém.
Não valho um real,
Também não valho cem.
Eu sou problema meu.
Eu nasci pessoa, gente, eu não nasci coisa
Eu não sou brinde de criança
Nem presente de natal.
Não me espere aí na sua estante
Nem agora nem por três vezes sem juros
Nem no seu cheque especial.
Não me leve a mal,
Mas você não me tem.
Eu não sou um chapéu
No armário de alguém.
Não valho um real,
Também não valho cem.
Eu sou problema meu.
Eu sou problema meu.
https://www.vagalume.com.br/clarice-falcao/eu-sou-problema-meu.html.
Analise as afirmações a seguir a respeito das tipologias textuais empregadas tanto no texto I como no texto II, e assinale a opção CORRETA.
I. A tipologia textual predominante no texto I é distinta em relação ao texto II em virtude de os gêneros textuais a que os dois se vinculam apresentarem funções sociais diferentes. Enquanto o primeiro apresenta como tipologia predominante a injuntiva, o segundo traz a tipologia poética como principal;
II. Na letra da canção “Eu sou problema meu”, tem-se como tipologia textual predominante a explicativa, pois ao longo do texto tenta-se explicar ao interlocutor que o personagem principal não é um objeto de desejo. A tipologia textual poética se apresenta no texto a serviço do objetivo maior que é fornecer essa explicação;
III. Apesar de os trechos “O primeiro passo para isso é identificar atitudes que reforçam essa cultura e combatê-las no dia a dia” e “Não me espere aí na sua estante/ Nem agora nem por três vezes sem juros/ Nem no seu cheque especial”, dos textos I e II, respectivamente, apresentarem-se um em prosa e outro em poesia, ambos compartilham da mesma tipologia textual, a injuntiva.
Provas
Questão presente nas seguintes provas
Sobre vírus de computador, assinale a opção CORRETA.
Provas
Questão presente nas seguintes provas
A extrusão hidrostática apresenta inúmeras vantagens relativamente à extrusão direta convencional. A afirmativa que NÃO destaca de forma correta esta vantagem é:
Provas
Questão presente nas seguintes provas
Cadernos
Caderno Container