Foram encontradas 60 questões.
Um transformador ideal, de potência 330 W, possui tensão no primário de 110 V e corrente no secundário de 15 A. Qual é o valor da relação entre espiras do primário e do secundário do transformador?
Provas
Questão presente nas seguintes provas
Maria sacou R$ 3.000,00 em dinheiro de seu cartão de crédito, que cobra juros cumulativos de 20% ao mês. Passado um mês, ela depositou R$ 1.200,00; 30 dias depois ela depositou R$ 1.440,00, e liquidou a dívida. após um terceiro mês. De quanto foi o depósito no último mês?
Provas
Questão presente nas seguintes provas
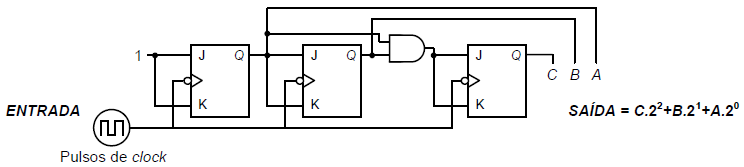
diagrama lógico a seguir representa um:

Provas
Questão presente nas seguintes provas
A figura abaixo apresenta um circuito grampeador. Considere que o diodo é ideal e que a constante de tempo RC assegura que a queda de tensão no capacitor seja desprezível, quando o diodo não está conduzindo. Com base nesses dados, é correto afirmar que:

Provas
Questão presente nas seguintes provas
O valor da corrente i no circuito RLC série é:

Provas
Questão presente nas seguintes provas
O número binário 01100111 equivale em decimal a:
Provas
Questão presente nas seguintes provas
No circuito abaixo, determine a tensão nos terminais do resistor RC. Considere a tensão coletor-emissor igual a 0,7 V.

Provas
Questão presente nas seguintes provas
A família dos porquês
A lógica costuma definir três modalidades distintas no uso do termo “porque”: o “porque” causa (“a jarra espatifou-se porque caiu ao chão”); o explicativo (“recusei o doce porque desejo emagrecer”); e o indicador de argumento (“volte logo, você sabe por quê”). O pensamento científico revelouse uma arma inigualável quando se trata de identificar, expor e demolir os falsos porquês que povoam a imaginação humana desde os tempos imemoriais: as causas imaginárias dos acontecimentos, as pseudoexplicações de toda sorte e os argumentos falaciosos.
Mas o preço de tudo isso foi uma progressiva clausura ou estreitamento do âmbito do que é ilegítimo indagar. Imagine, por exemplo, o seguinte diálogo. Alguém sob o impacto da morte de uma pessoa especialmente querida está inconformado com a perda e exclama: “Eu não consigo entender, isso não podia ter acontecido, por que não eu? Por que uma criatura tão jovem e cheia de vida morre assim?!”. Um médico solícito entreouve o desabafo no corredor do hospital e responde: “Sinto muito pela perda, mas eu examinei o caso da sua filha e posso dizer-lhe o que houve: ela padecia, ao que tudo indica, de uma máformação vascular, e foi vítima da ruptura da artéria carótida interna que irriga o lobo temporal direito; ficamos surpresos que ela tenha sobrevivido tantos anos sem que a moléstia se manifestasse”.
A explicação do médico, admita-se, é irretocável; mas seria essa a resposta ao “por quê” do pai inconsolável? Os porquês da ciência são por natureza rasos: mapas, registros e explicações cada vez mais precisas e minuciosas da superfície causal do que acontece. Eles excluem de antemão como ilegítimos os porquês que mais importam. O “porquê” da ciência médica nem sequer arranha o “por quê” do pai. Perguntar “por que os homens estão aqui na face da Terra”, afirma o biólogo francês Jacques Monod, é como perguntar “por que fulano e não beltrano ganhou na loteria”.
No macrocosmo não menos que no microcosmo da vida, as mãos de ferro da necessidade brincam com o copo de dados do acaso por toda a eternidade. Mas, se tudo começa e termina em bioquímica, então por que – e para que – tanto sofrimento?
In: GIANNETTI, Eduardo. Trópicos utópicos. São Paulo: Companhia das Letras, 2016. p. 25-26. Adaptado.
Considerando as relações de sentido estabelecidas por meio do vocabulário utilizado no Texto, assinale a alternativa correta.
Provas
Questão presente nas seguintes provas
Relacione as colunas, conforme os tipos de registradores de um microprocessador.
1) Armazena temporariamente os dados destinados à unidade lógica e aritmética. ( ) Registrador de flags
2) Contém o endereço da posição de memória que possui a próxima instrução do programa. ( ) Registrador contador de programa
3) Contém o endereço do dado. ( ) Registrador acumulador
4) Armazena a instrução. ( ) Registrador de instrução
5) Contém informações referentes ao resultado da última operação realizada pela unidade lógica aritmética. ( ) Registrador de endereço da memória
A sequência correta, de cima para baixo, é:
Provas
Questão presente nas seguintes provas
Para o circuito retificador de onda completa abaixo, é correto afirmar que:

Provas
Questão presente nas seguintes provas
Cadernos
Caderno Container