Foram encontradas 715 questões.
Considere a figura abaixo, extraída de uma sessão com o navegador Mozilla Firefox em sua configuração original.
A partir do item Barras de ferramentas do menu E xibir, é possível marcar e desmarcar quais barras serão mostradas.
Marque a alternativa que apresenta respectivamente as barras rotuladas 1, 2 e 3 na figura.
Provas
Questão presente nas seguintes provas
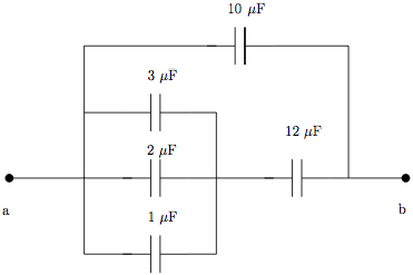
Determine a capacitância equivalente entre os terminais a-b.

Provas
Questão presente nas seguintes provas
No diagrama de equilíbrio Fe-C, o efeito dos elementos de liga em relação ao aço eutectoide é:
Provas
Questão presente nas seguintes provas
O Programa Nacional de Apoio à Educação de Surdos:
1) orienta que o material instrucional dos Cursos de Libras deverá ser organizado por cada Estado da federação.
2) oferece Cursos de Libras destinados à capacitação de recursos humanos (ouvintes e surdos) para atuarem como agentes multiplicadores.
3) inclui a implementação de Centros de Apoio Pedagógico (CAP) para os surdos, em todo o país.
4) qualifica professores em Libras, para atenderem alunos surdos, inclusos em salas de aula do sistema regular de ensino ou em escolas e classes especiais.
5) qualifica professores e outros profissionais da educação, para tradução e interpretação de Libras.
Estão corretas apenas.:
Provas
Questão presente nas seguintes provas
A Língua Portuguesa para os estudantes surdos brasileiros:
Provas
Questão presente nas seguintes provas
Em um circuito trifásico com a carga ligada em triângulo, a corrente elétrica da linha é a !$ \surd{3} !$ multiplicada pela corrente elétrica da fase. Para um circuito trifásico ligado em estrela, tem-se que a tensão elétrica de linha é a !$ \sqrt{3} !$ multiplicada pela tensão elétrica da fase. Em um sistema equilibrado, considerando um fator de potência de 0,5, a potência da fase em termos da potência total é:
Provas
Questão presente nas seguintes provas
Sobre trabalhos de locação de obras de edificações, analise as seguintes afirmações.
1) Levantamento de as built é a operação realizada até o término da obra, para fornecer as posições e dimensões das características do projeto, do modo como foram realmente construídos.
2) Ponto de referência por coordenadas UTM é um marco externo à obra para se tornar elemento de verificação das cotas altimétricas.
3) Referência de nível é uma estaca ou piquete fixado no solo para marcar a posição precisa de locação planimétrica de um ponto.
4) Bancada da obra é uma armação de madeira com pregos cravados no topo nos quais fios ou arames são esticados visando definir as posições de contorno de um prédio.
5) Planta de locação representa a disposição da construção no lote, com muros limítrofes e com cobertura da edificação no primeiro plano e com contorno das paredes em linhas tracejadas no segundo plano.
Estão corretas, apenas:
Provas
Questão presente nas seguintes provas
No posicionamento, usando-se um receptor de navegação comum, desses encontrados nas lojas especializadas de topografia, a observável fundamental é:
Provas
Questão presente nas seguintes provas
A figura a seguir ilustra alguns dos equipamentos topográficos que, independentemente da marca, têm formas parecidas.
Obedecendo à ordem da esquerda para a direita, marque a alternativa que define o tipo de instrumento.

Provas
Questão presente nas seguintes provas
- Conceitos BásicosPrincípiosAutenticidade
- Conceitos BásicosPrincípiosIntegridade
- Conceitos BásicosPrincípiosIrretratabilidade (Não Repúdio)
O uso de assinatura digital de documentos tem por objetivo preservar três valores básicos. São eles:
Provas
Questão presente nas seguintes provas
Cadernos
Caderno Container