Magna Concursos

Foram encontradas 1.150 questões.

652670 Ano: 2019
Disciplina: Contabilidade Geral
Banca: AOCP
Orgão: UFPB
Provas:
Assinale a alternativa que evidencia os três tipos de aplicações disponíveis no mercado financeiro brasileiro.
 

Provas

Questão presente nas seguintes provas
652669 Ano: 2019
Disciplina: Contabilidade Geral
Banca: AOCP
Orgão: UFPB
Provas:
Em relação às operações com mercadorias, assinale a alternativa INCORRETA.
 

Provas

Questão presente nas seguintes provas
652668 Ano: 2019
Disciplina: Contabilidade Geral
Banca: AOCP
Orgão: UFPB
Provas:
Sobre os itens amortizáveis, assinale a alternativa correta.
 

Provas

Questão presente nas seguintes provas
652667 Ano: 2019
Disciplina: Contabilidade Geral
Banca: AOCP
Orgão: UFPB
Provas:
Em relação às receitas recebidas antecipadamente, assinale a alternativa correta.
 

Provas

Questão presente nas seguintes provas
652666 Ano: 2019
Disciplina: Contabilidade Geral
Banca: AOCP
Orgão: UFPB
Provas:
Os principais tipos de empréstimos contratados são subdivididos em quatro tipos: Capital de giro com nota promissória, Capital de giro com cheque pré-datado, Operações com duplicatas e Empréstimos com emissão de debêntures. Nesse contexto, capital de giro com nota promissória é uma operação
 

Provas

Questão presente nas seguintes provas
652665 Ano: 2019
Disciplina: Engenharia Agrícola
Banca: AOCP
Orgão: UFPB
As agroindústrias podem ser definidas como qualquer indústria que utilize a produção agrícola como matéria-prima para a obtenção de produto. São etapas de instalação de uma agroindústria, EXCETO
 

Provas

Questão presente nas seguintes provas
652664 Ano: 2019
Disciplina: Eletroeletrônica
Banca: AOCP
Orgão: UFPB
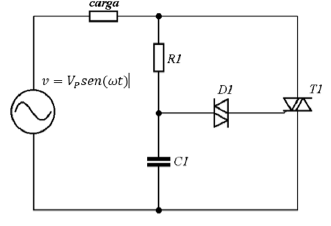
O seguinte circuito apresenta um controlador tiristorizado sobre uma carga. Tais controladores podem ser usados para variar a velocidade em motores ou a intensidade luminosa de uma lâmpada, ou, ainda, variar a potência em um resistor, a fim de controlar a temperatura dissipada por este. A respeito desse circuito, assinale a alternativa correta. Enunciado 652664-1
 

Provas

Questão presente nas seguintes provas
652663 Ano: 2019
Disciplina: Eletroeletrônica
Banca: AOCP
Orgão: UFPB
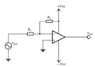
Os amplificadores operacionais são circuitos amplificadores com ganhos altíssimos e impedância de entrada alta. Tais componentes são utilizados em circuitos eletrônicos de grande sensibilidade, capazes de amplificar sinais de tensão da ordem 10-9 volts. Esses componentes também são aplicados como filtros ativos e geradores de funções. No seguinte circuito, o AO está sendo usado com amplificador, R1 = 200Ω e R2 = 100Ω.Sobre esse circuito, assinale a alternativa correta. Enunciado 652663-1
 

Provas

Questão presente nas seguintes provas
652662 Ano: 2019
Disciplina: Eletroeletrônica
Banca: AOCP
Orgão: UFPB
Provas:
A razão entre o fluxo luminoso emitido pela lâmpada e a potência consumida é definida como
 

Provas

Questão presente nas seguintes provas
652661 Ano: 2019
Disciplina: Eletroeletrônica
Banca: AOCP
Orgão: UFPB
Provas:

Sobre o conceito de campo girante em máquinas elétricas, informe se é verdadeiro (V) ou falso (F) o que se afirma a seguir e assinale a alternativa com a sequência correta.


( ) O princípio fundamental do funcionamento das máquinas CA é que, se correntes trifásicas, todas de mesma intensidade e defasadas 120° entre si, estiverem fluindo em um enrolamento trifásico, um campo magnético girante de intensidade constante será produzido.

( ) O enrolamento trifásico do estator consiste em três enrolamentos espaçados de 180° entre si ao redor da superfície da máquina.

( ) Se um campo magnético for produzido pelo estator da máquina CA e o outro for produzido pelo rotor da máquina, então um conjugado será induzido no rotor, fazendo-o girar e se alinhar com o campo magnético do estator.

 

Provas

Questão presente nas seguintes provas