Magna Concursos

Foram encontradas 1.150 questões.

652650 Ano: 2019
Disciplina: Eletroeletrônica
Banca: AOCP
Orgão: UFPB
O seguinte gráfico apresenta o comportamento de um sistema alimentado por uma fonte de tensão senoidal e um grupo de cargas. As formas de onda das tensões da rede estão representadas pelas linhas contínuas e as formas de onda das potências no grupo de cargas estão representadas pelas linhas tracejadas. Com base na análise do gráfico, assinale a alternativa correta. Enunciado 652650-1
 

Provas

Questão presente nas seguintes provas
652649 Ano: 2019
Disciplina: Eletroeletrônica
Banca: AOCP
Orgão: UFPB
Provas:

Assinale a alternativa que apresenta o valor mais próximo do módulo da corrente lida pelo amperímetro (Amp) da seguinte figura:

Enunciado 652649-1

 

Provas

Questão presente nas seguintes provas
652648 Ano: 2019
Disciplina: Eletroeletrônica
Banca: AOCP
Orgão: UFPB
Provas:

O seguinte texto e a seguinte figura se referem a um tipo de motor de corrente contínua. Assinale a alternativa que apresenta a qual motor o texto e a figura se referem.

Descrição do motor: a velocidade varia de um valor muito alto com uma pequena carga até um valor bem baixo com a carga máxima, como mostra a figura a seguir. Este motor de corrente contínua é conveniente quando realiza a sua partida com cargas pesadas ligadas a ele (ex.: guindastes e guinchos), porque, com altas correntes na armadura, ele produz um torque elevado e funciona em baixa rotação.

Enunciado 652648-1

 

Provas

Questão presente nas seguintes provas
652647 Ano: 2019
Disciplina: Eletroeletrônica
Banca: AOCP
Orgão: UFPB
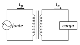
A seguinte figura apresenta um transformador monofásico alimentando uma carga puramente resistiva com uma potência de 220W. Desconsidere as impedâncias internas e considere que a bobina primária possui dez vezes mais espiras que a bobina secundária. Sabendo que a tensão da fonte é descrita por Enunciado 652647-1 e sua frequência é de 60 hertz, assinale a alternativa correta. Enunciado 652647-2
 

Provas

Questão presente nas seguintes provas
652646 Ano: 2019
Disciplina: Eletroeletrônica
Banca: AOCP
Orgão: UFPB
Os motores de corrente contínua são sistemas de grande espectro de fabricação e aplicação. Possuem diversos tamanhos e modelos desde pequenos motores de aplicação em sistemas eletrônicos ou robótica até motores industriais de grandes potências. Sobre o assunto, analise as assertivas e assinale a alternativa que aponta as corretas.
I. O motor de corrente contínua é composto por bobina de armadura e bobina de campo. A bobina de armadura, em geral, faz parte do rotor e a bobina de campo faz parte do estator. II. Nos motores de corrente contínua, a corrente plena de armadura é inferior a corrente de campo. III. Nos motores de corrente contínua de rotor bobinado, os coletores e escovas têm a finalidade de transmitir a energia elétrica de uma fonte externa para o rotor. IV. Em um motor de corrente contínua, a bobina de campo pode ser substituída por imãs permanentes. V. No motor de corrente contínua, o conjugado do motor é praticamente constante a qualquer velocidade de trabalho desde que não supere a sua velocidade máxima de trabalho.
 

Provas

Questão presente nas seguintes provas
652645 Ano: 2019
Disciplina: Eletroeletrônica
Banca: AOCP
Orgão: UFPB
Provas:
Um transformador monofásico instalado em uma rede elétrica de 120 V possui 600 espiras no primário e 150 no secundário. Assinale a alternativa que apresenta o valor correto de tensão no secundário desse transformador.
 

Provas

Questão presente nas seguintes provas
652643 Ano: 2019
Disciplina: Eletroeletrônica
Banca: AOCP
Orgão: UFPB
Provas:
São condições necessárias para que dois geradores síncronos sejam conectados em paralelo, alimentando a mesma carga, EXCETO
 

Provas

Questão presente nas seguintes provas
652642 Ano: 2019
Disciplina: Eletroeletrônica
Banca: AOCP
Orgão: UFPB
Assinale a alternativa que apresenta o valor da corrente de trabalho de um refletor odontológico cujas especificações da lâmpada halógena são de 24 V por 150 Wats.
 

Provas

Questão presente nas seguintes provas
652641 Ano: 2019
Disciplina: Eletroeletrônica
Banca: AOCP
Orgão: UFPB
Os motores monofásicos são muito utilizados em potências baixas por serem de fácil aplicação, uma vez que dispensam o uso da rede trifásica. Na maioria dos motores monofásicos, é necessário o uso de um capacitor, o qual pode ser permanente ou somente para a partida. Sobre o motor monofásico com capacitor de partida, assinale a alternativa correta.
 

Provas

Questão presente nas seguintes provas
652640 Ano: 2019
Disciplina: Eletroeletrônica
Banca: AOCP
Orgão: UFPB
Provas:
Sobre o autotransformador, assinale a alternativa INCORRETA.
 

Provas

Questão presente nas seguintes provas