Foram encontradas 30 questões.
As figuras abaixo mostram como um voltímetro (V) e um amperímetro (A) podem ser conectados em um circuito simples composto de uma bateria Vb e um resistor de valor R. Desconsiderando a polaridade dos equipamentos, assinale a opção de conexão correta dos instrumentos de medição:
Provas
As características de um instrumento de medição são também aplicáveis a um sistema de medição. Essas características descrevem o comportamento do sinal de saída (ou sinal de resposta) de um sistema de medição ante um sinal de entrada (normalmente chamado de excitação). Por exemplo, a característica definida pela variação do sinal medido, na saída, pela variação do sinal de excitação é conhecida por:
Provas
No circuito mostrado na figura abaixo, os diodos D1 e D2 são considerados ideais, e a tensão Vf é senoidal de valor igual a 127 Vrms. Há dois capacitores C e uma resistência RL.

Considerando a disposição dos componentes no circuito e suas polaridades, a saída VL será uma tensão:
Provas
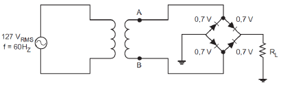
O retificador em ponte, mostrado na figura abaixo, apresenta uma tensão de pico VAB = 12 V no secundário do transformador. Admita que a queda de tensão em cada um dos quatro diodos seja de 0,7 V.

Com as informações da figura acima, conclui-se que o valor e a frequência da tensão de pico na carga RL são, respectivamente:
Provas
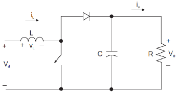
Considere o conversor CC-CC, representado na figura abaixo, em que a corrente iL flui pelo indutor L produzindo uma diferença de potencial VL. Há um capacitor C em paralelo com a resistência R na qual se mede a tensão de saída V0 e uma corrente i0 flui por este último componente.

Admitindo que o ciclo de trabalho (duty-cycle) valha 0,4 e que a tensão de entrada Vd seja de 60 V, a tensão de V0 de saída, em volts, será:
Provas
O acionamento da chave S, mostrada na figura abaixo, é executado de modo a se obter uma modulação por largura de pulso, com ciclo de trabalho (duty-cycle) igual a D. Admita a existência do capacitor C, do diodo d, do indutor L e da resistência R.

Nessas condições, esse circuito corresponde a um conversor CC-CC denominado:
Provas
Em relação a instalações elétricas, assinale a alternativa incorreta.
Provas
Considere o seguinte diagrama de estados apresentado na figura (a).

Para implementar o diagrama de estados da figura (a) com 2 flip-flops tipo D, mostrados na figura (b), a lógica de menor hardware da entrada DB do flip-flop mais significativo é:
Provas
A figura apresenta um circuito digital com duas entradas A e B.

A expressão booleana da saída F é:
Provas
A tabela-verdade a seguir representa a função lógica f de um circuito combinacional, onde A, B e C são entradas.

Utilizando a técnica de minimização através de Mapas de Karnaugh, a expressão mínima de f é:
Provas
Caderno Container