Foram encontradas 30 questões.
O funcionamento de uma máquina elétrica depende de três entradas lógicas A, B e C e seu acionamento ocorre quando a seguinte função combinacional for verdadeira (nível lógico 1): S
\( S=A.(\overline{B}+C)+\overline{A}.B \)
O único valor para o conjunto das variáveis ABC que não aciona a máquina é:
Provas
A figura abaixo apresenta um circuito contendo amplificadores operacionais considerados ideais. A tensão de entrada é denotada por Vin e a tensão de saída por Vout.

Para que o ganho total seja igual a 20, o valor de R, em kΩ, deve ser:
Provas
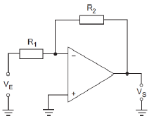
Na figura abaixo, observa-se um amplificador operacional em um circuito que contém ainda dois resistores R1 e R2.

Esse circuito é conhecido pelo nome de:
Provas
O transistor NPN da figura a seguir apresenta um valor de β igual a 100.

Determine o valor aproximado da tensão do coletor VC.
Provas
A figura abaixo apresenta um circuito com um transistor NPN. O transistor tem, nessas condições, um β=100 e VCEsat=0,3 V.

O valor aproximado da corrente de coletor IC, em mA, e a tensão VCE, em V, são, respectivamente:
Provas
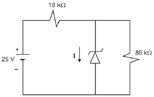
O diodo zener mostrado no circuito da figura abaixo é considerado ideal e tem tensão nominal de 16 V.

Com base nos valores dos elementos do circuito, qual o valor, mA, da corrente I sobre o diodo zener?
Provas
Um motor de indução de 6 polos e 60 Hz apresenta velocidade do campo magnético girante, em rpm, igual a:
Provas
A figura abaixo ilustra um circuito alimentado por uma fonte de tensão senoidal de frequência f = 5 kHz e amplitude 12 V (rms), operando em regime permanente.

O amperímetro A indica uma corrente de 0,2 mA (rms) e a tensão VL, medida por intermédio de um osciloscópio, foi de 8,9 V pico a pico. De acordo com as medidas mencionadas, o valor aproximado da indutância L, em Henry, é:
Provas
Observe a figura abaixo.

O equivalente Thévenin entre os pontos A e B do circuito da figura acima é formado por Vth (em volts) e Rth (em ohms), cujos valores, respectivamente, são:
Provas
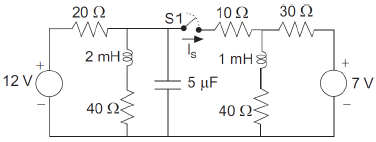
A figura abaixo apresenta um circuito de corrente contínua funcionando em regime permanente com a chave S1 aberta. Têm-se ainda duas fontes, cinco resistores, um capacitor e dois indutores.

Em determinado instante, a chave S1 é fechada. Imediatamente em seguida, o módulo da corrente IS, em ampères, que atravessa a chave S1, é, aproximadamente:
Provas
Caderno Container