Foram encontradas 60 questões.
Considere a planilha do LibreOffice 4.4.5.2 (idioma Português) em sua configuração padrão de instalação, apresentada abaixo. Nela as colunas de A1 a A7 e B1 a B7 foram preenchidas com os valores mostrados.

O usuário selecionou as células B1 à B7 e clicou no botão
para gerar um gráfico. Logo após clicar no
referido botão, a janela Assistente de gráficos foi apresentada. Após o usuário realizar alguns ajustes, a janela
do assistente ficou como mostrada na figura abaixo.

Provas
I - Na guia (aba) Inserir, no grupo Cabeçalho e Rodapé, as opções de inserir número da página permitem inseri-lo nas margens da página. II - Na guia (aba) Exibição, no grupo Modos de Exibição de Documento, existem apenas duas opções: Layout de Impressão e Leitura em Tela Inteira. III - Na guia (aba) Inserir, no menu Tabela, a opção Inserir Tabela... permite inserir uma tabela com no máximo 20 colunas e 100 linhas. IV - Na guia (aba) Layout da Página, no grupo Plano de Fundo da Página, é possível escolher uma cor para o plano de fundo da página.
Estão corretas as afirmativas
Provas
- EletromagnetismoElétricaEletricidade
- EletromagnetismoElétricaForça Elétrica, Campo Elétrico e Eletrização
A tabela abaixo apresenta as cargas elétricas de uma instalação industrial com os respectivos tempos/períodos de funcionamento.

Com base nas informações descritas, a demanda máxima e o melhor fator de potência ocorrem nos períodos, respectivamente:
Provas
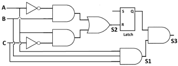
O circuito lógico abaixo permite acionar um dispositivo ligado na saída (S3), quando a sequência correta de fechamento das chaves A, B e C for realizada. Caso a sequência fornecida esteja incorreta, o Latch, inicialmente com a saída Q = 1, irá impedir que a saída S3 vá para o nível alto.

A sequência correta de fechamento das chaves A, B e C, nessa ordem, é:
Provas
A figura abaixo mostra um circuito eletrônico contendo um TRIAC, uma carga resistiva e um circuito de controle (a), juntamente com a forma de onda da corrente resultante na carga (b).

Com base na figura, assinale a afirmativa correta.
Provas
Provas
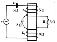
A figura abaixo apresenta um circuito no qual há um acoplamento magnético entre as bobinas L1 e L2 denominado indutância mútua M.

A impedância equivalente do circuito é:
Provas
Para elaborar um projeto luminotécnico, deve-se fazer uso de um dos métodos de cálculo luminotécnico e escolher dispositivos como luminárias, lâmpadas e, dependendo desta, de reatores. Considere que alguns fatores que influenciam no desenvolvimento do projeto, como refletâncias do recinto, posição da luminária, período de manutenção, etc., já estão definidos e são os mesmos para qualquer das combinações possíveis de serem realizadas com os dispositivos abaixo descritos.
Luminárias:
I - Luminária para duas lâmpadas fluorescentes de 32 W, fator de utilização (fu) = 0,40;
II - Luminária para duas lâmpadas fluorescentes de 32 W, fator de utilização (fu) = 0,35;
III - Luminária para duas lâmpadas fluorescentes de 32 W, fator de utilização (fu) = 0,38.
Lâmpadas:
IV - Lâmpada fluorescente tubular 32 W, 2700 lm;
V - Lâmpada fluorescente tubular 32 W, 2500 lm;
VI - Lâmpada fluorescente tubular 32 W, 2200 lm.
Reatores:
VII - Reator eletrônico 2×32 W, fator de fluxo luminoso (ffl) = 0,90 e potência total (Pt) = 64 W;
VIII - Reator eletrônico 2×32 W, fator de fluxo luminoso (ffl) = 0,95 e potência total (Pt) = 70,4 W;
IX - Reator eletrônico 2×32 W, fator de fluxo luminoso (ffl) = 1,0 e potência total (Pt) = 67,2 W.
A combinação dos dispositivos luminária, lâmpada e reator que conduz ao sistema mais eficiente é:
Provas
A norma de instalações elétricas de baixa tensão estabelece 4 categorias de suportabilidade para os equipamentos, conforme tabela parcial abaixo extraída da norma.
Com base na tabela e prescrições da norma, o nível de proteção (Up) de um DPS (dispositivo de proteção de surtos), instalado em modo comum, no ponto de entrada ou quadro de distribuição trifásico principal, para um sistema trifásico de 127/220 V, não deve ser superior a
Provas
Na proteção de edificações contra descargas atmosféricas classifica-se o nível de proteção para diferentes tipos de estruturas (ocupação). Numere a coluna da direita de acordo com a da esquerda.
1 - Nível de proteção I
2 - Nível de proteção II
3 - Nível de proteção III
( ) Estações de telecomunicações e usinas elétricas.
( ) Residências.
( ) Hospitais, casas de repouso e prisões.
( ) Refinarias, fábricas de fogos e indústrias químicas.
Marque a sequência correta.
Provas
Caderno Container