Foram encontradas 55 questões.
O circuito ponte de Wheatstone indicado a seguir é usado para medir com precisão valores de resistência.

O valor de \( R_3 \) é ajustado até que a corrente no amperímetro indique zero. Nessa condição, a resistência \( R_x \) é dada por
Provas

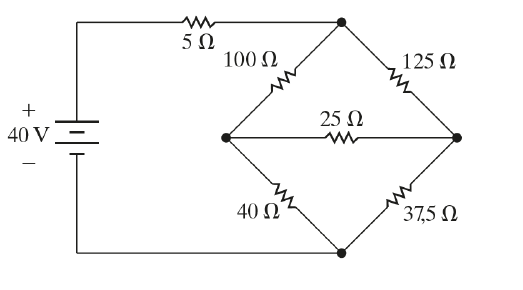
A corrente e a potência fornecidas pela fonte de 40 V ao circuito apresentado são, respectivamente,
Provas

A resistência equivalente do circuito vista pela fonte de 40 V é
Provas
Analisando o circuito apresentado na figura a seguir, determine o valor absoluto da corrente i0.

Provas
- Amplificadores em Eletrônica
- Conversores Analógicos Digitais (AD) e Digitais Analógicos (DAC)
- Diodo em Eletrônica
- Eletrônica Analógica
- Transistores

Considerando as propriedades magnéticas dos materiais e a experiência apresentada na figura acima, é possível dizer que o cobre (Cu) é um material
Provas
- Álgebra Booleana e Circuitos Lógicos
- Amplificadores em Eletrônica
- Conversores Analógicos Digitais (AD) e Digitais Analógicos (DAC)
- Diodo em Eletrônica
- Eletrônica Analógica
- Eletrônica Digital
- Flip-flops
- Transistores
A figura a seguir mostra a distribuição das correntes em parte de um circuito elétrico.

O valor da corrente i no ramo do circuito localizado na extremidade inferior direta indicado na figura acima é
Provas
- Amplificadores em Eletrônica
- Conversores Analógicos Digitais (AD) e Digitais Analógicos (DAC)
- Diodo em Eletrônica
- Eletrônica Analógica
- Transistores
Provas
- Amplificadores em Eletrônica
- Conversores Analógicos Digitais (AD) e Digitais Analógicos (DAC)
- Diodo em Eletrônica
- Eletrônica Analógica
- Transistores
Provas
Duas cargas pontuais positivas \( Q_1 \) e \( Q_2 \) estão afastadas uma da outra a uma distância \( d \). Aplicando a lei de Coulomb nessas circunstâncias, as cargas \( Q_1 \) e \( Q_2 \) estão sujeitas a uma força de repulsão \( F = 40N \).
Se a distância entre as cargas for reduzida à metade de \( d \), o que acontece com a força de repulsão entre as cargas \( Q_1 \) e \( Q_2 \)?
Provas
- Amplificadores em Eletrônica
- Conversores Analógicos Digitais (AD) e Digitais Analógicos (DAC)
- Diodo em Eletrônica
- Eletrônica Analógica
- Transistores
Um corpo inicialmente neutro é eletrizado com carga \( Q = 64 \mu C \).
Dado que a carga de um elétron é −1,6×10−19 \( C \) , qual o número de elétrons que teve que ser retirado do corpo?
Provas
Caderno Container