Foram encontradas 55 questões.
Dado o conjunto de curvas da corrente do coletor (\( I_C \) ) em função da tensão coletor emissor (\( V_{CE} \)) apresentado no gráfico a seguir,

o ganho de corrente do transistor \( \beta_{DC} \) é
Provas
Analise o circuito apresentado a seguir:

Considerando que a tensão entre a base e o emissor é 0,7 V e o ganho \( \beta_{DC} \)=200, o valor da corrente de base é
Provas
O circuito apresentado a seguir é conhecido como detector de pico.

Considerando o sinal de entrada com valor de pico \( V_p \), a tensão média na resistência de carga \( R_L \) é
Provas
O valor de pico da tensão de entrada pode ser aproximado por \( V_p \)≅\( 1,5V_{RMS} = 180V \).

Com base no circuito e nas premissas apresentadas, o valor do ripple da tensão de saída do retificador pode ser calculado em função da tensão pico a pico (\( V_{pp} \)) na saída da seguinte forma:
Provas
O valor de pico da tensão de entrada pode ser aproximado por \( V_p \)≅\( 1,5V_{RMS} = 180V \).

Considerando o diodo ideal, o valor de pico da corrente na carga \( R_L \) é, aproximadamente,
Provas

Provas

Provas
Considerando o circuito com amplificador operacional apresentado a seguir, calcule a tensão \( v_0 \) na saída para a condição de \( v_a = 1V \) e \( v_b = 0V \).

Provas

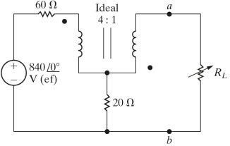
A potência máxima que pode ser transferida da fonte para a resistência \( R_L \) no circuito apresentado é
Provas

O valor da resistência equivalente de Thévenin do circuito à esquerda dos terminais a e b é
Provas
Caderno Container