Foram encontradas 65 questões.
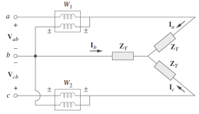
Considerando-se que o ângulo do fator de potência da carga em estrela é θ atrasado (carga indutiva), a defasagem angular entre a tensão de linha da Vab e a corrente de linha Ia é
Provas
Considerando-se a potência aparente das três cargas igual a 1000 VA e o fator de potência total da instalação visto pela fonte E igual a 0,8 indutivo, as potências ativa e reativa da carga 3 são, respectivamente,
Provas
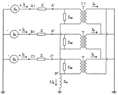
Considerando-se a impedância de magnetização ZM infinita, o valor obtido pela divisão da tensão E0 e a corrente I0 será
Provas
É dado o sistema de potência apresentado a seguir:

Considere a tensão de base como 13,8 kV no gerador e potência de base de 100 MVA. A impedância equivalente de sequência zero na barra 2 em PU vale
Provas
I Os materiais condutores possuem elétrons localizados mais distantes do núcleo atômico em comparação aos materiais não condutores. Esses elétrons estão sob a ação de forças atrativas mais fracas exercidas pelos prótons no núcleo.
II Os elétrons mais distantes do núcleo são chamados de elétrons livres ou de condução e facilitam o fluxo de corrente elétrica nos condutores.
III Os materiais condutores tendem a acumular carga estática com mais facilidade.
Das afirmações apresentadas, estão corretas apenas:
Provas
- Instalações ElétricasAterramentos
- Normas TécnicasNBRsNBR 5410: Instalações Elétricas de Baixa Tensão
Considere o sistema de aterramento apresentado a seguir.

De acordo com a NBR 5410, o sistema de aterramento apresentado na figura acima é denominado
Provas
Um transformador monofásico de 20 MVA, 138kV/13,8kV e 60 Hz foi ensaiado. Os valores da tensão, corrente e potência a vazio medidos no lado de alta do transformador foram V = 1000 V, Iz = 10 A e Pz = 200 W, respectivamente. Para o transformador ensaiado, o módulo da impedância de magnetização e o fator de potência medidos no ensaio são, respectivamente,
Provas
O parâmetro de projeto do motor de indução diretamente relacionado às diferentes classes é
Provas
Considere o conversor estático monofásico com carga resistiva apresentado a seguir e as respectivas formas de onda de entrada e de saída.

Considerando o ângulo de disparo \( \alpha = \pi /2 \), o valor médio da tensão na carga será
Provas
A figura abaixo representa uma carga trifásica equilibrada ligada em estrela.

A linha da fase C foi rompida e a corrente nas fases A e B são 100 ∠0° e 100 ∠180°, respectivamente. A corrente de sequência zero vista pela fonte que alimenta essa carga é igual a
Provas
Caderno Container