Foram encontradas 65 questões.
Em relação aos valores da resistência da armadura do motor de corrente contínua, é correto afirmar que
Provas
A linha pontilhada é formada pelos pontos de operação do motor síncrono com fator de potência unitário. Para os pontos de operação à direita da curva pontilhada, ou seja, a região indicada pela seta A, é correto afirmar que
Provas
Provas
Provas

Considere a permeabilidade relativa do núcleo de ferro da máquina igual a μr = 2000 e a permeabilidade magnética do entreferro μo = 4π × 10−7H/m. Uma corrente i = 7,51 A que circula pelas espiras produz uma densidade de fluxo no entreferro de
Provas
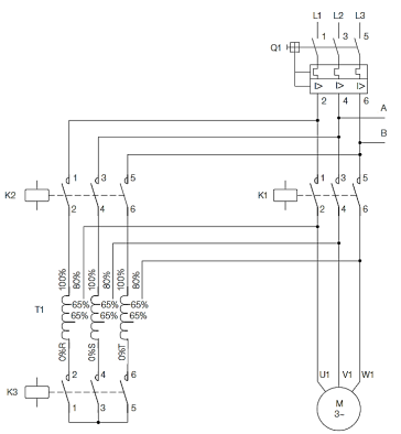
Considere o diagrama de ligação de um motor de indução trifásico apresentado a seguir.

Analisando o diagrama, é correto afirmar que se trata de uma partida com chave
Provas
A figura abaixo apresenta um circuito com um galvanômetro G.

Determine o valor absoluto da corrente que passa pelo galvanômetro.
Provas
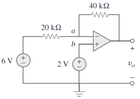
Considere o circuito com amplificador operacional ideal apresentado a seguir.

O valor da tensão de saída vo é:
Provas
Um consumidor industrial, com potência instalada de 2 MW, apresenta a seguinte perfil de carga mensal:

Considerando-se o período mensal de 720 horas, o fator de demanda dessa instalação é
Provas
Observe a figura.

O valor da tensão no nó 2 do circuito apresentado é
Provas
Caderno Container