Foram encontradas 65 questões.
O diagrama apresentado abaixo representa as curvas da capacidade de fluxo de potência entre
duas barras de um sistema de potência equivalente. A curva Pe0 indica a condição normal de operação
do sistema. Pedf é a curva durante uma falta no sistema. E Pepf é a curva após a atuação da proteção
com a eliminação da linha em falta do sistema.
Considerando que a área Aacc é menor que a área Adec, é correto afirmar que
Considerando que a área Aacc é menor que a área Adec, é correto afirmar que
Provas
Questão presente nas seguintes provas
Dado o sistema de potência apresentado a seguir.

O fluxo de potência Pe é obtido da seguinte forma:
Provas
Questão presente nas seguintes provas
Um TC usado em para proteção tem a seguinte especificação 75 VA 5P 15. Esse TC opera com
uma relação de 800:5 A. A impedância de carga nominal desse TC é:
Provas
Questão presente nas seguintes provas
O gráfico apresentado a seguir representa de forma esquemática a curva de magnetização de um
transformador de corrente (TC).
Em relação à curva de magnetização apresentada acima, é correto afirmar que
Em relação à curva de magnetização apresentada acima, é correto afirmar que
Provas
Questão presente nas seguintes provas
O esquema unifilar abaixo representa em planta a instalação elétrica necessária para o acionamento
de duas lâmpadas de 40 W.
Em relação à instalação elétrica representada no unifilar, é correto afirmar que
Em relação à instalação elétrica representada no unifilar, é correto afirmar que
Provas
Questão presente nas seguintes provas
O coordenograma abaixo mostra as curvas tempo x corrente para a atuação das unidades térmicas
e magnéticas de um disjuntor usado para proteger um cabo. A suportabilidade térmica do cabo é
representada pela curva tracejada.
Em relação a esse coordenograma é correto afirmar que
Em relação a esse coordenograma é correto afirmar que
Provas
Questão presente nas seguintes provas
A figura a seguir apresenta um sistema trifásico com fonte isolada.

Considerando-se o sistema apresentado acima, é correto afirmar que
Provas
Questão presente nas seguintes provas
Considere um gerador síncrono de uma usina termoelétrica com rotação nominal de 1200 rpm
conectada a um sistema elétrico cuja frequência nominal é 60 Hz. O número de polos desse gerador
síncrono é
Provas
Questão presente nas seguintes provas
Considere o diagrama unifilar do sistema de potência apresentado a seguir:

Considerando-se a tensão de base Vb = 100 kV na linha e a potência de base de Sb = 10 MVA, a impedância da linha de transmissão em PU vale
Provas
Questão presente nas seguintes provas
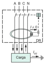
O diagrama a seguir mostra a atuação do dispositivo DR para um circuito trifásico durante uma falta
entre uma fase e a carcaça do equipamento que está aterrado.
Em relação ao dispositivo DR, é correto afirmar que ele atua para
Em relação ao dispositivo DR, é correto afirmar que ele atua para
Provas
Questão presente nas seguintes provas
Cadernos
Caderno Container