Foram encontradas 65 questões.
TEXTO 1
APRENDA A CHAMAR A POLÍCIA
-------------Eu tenho o sono muito leve, e numa noite
-----dessas notei que havia alguém andando
-----sorrateiramente no quintal de casa. Levantei em
-----silêncio e fiquei acompanhando os leves ruídos que
5 ---vinham lá de fora, até ver uma silhueta passando pela
-----janela do banheiro. Como minha casa era muito
-----segura, com grades nas janelas e trancas internas nas
-----portas, não fiquei muito preocupado, mas era claro
-----que eu não ia deixar um ladrão ali, espiando
10 -tranquilamente.
-------------Liguei baixinho para a polícia, informei a
-----situação e o meu endereço.
-----Perguntaram-me se o ladrão estava armado ou
-----se já estava no interior da casa.
15 ---------Esclareci que não e disseram-me que não
-----havia nenhuma viatura por perto para ajudar, mas que
-----iriam mandar alguém assim que fosse possível.
-----Um minuto depois, liguei de novo e disse com a
-----voz calma:
20 ----------— Oi, eu liguei há pouco porque tinha alguém
-----no meu quintal. Não precisa mais ter pressa. Eu já
-----matei o ladrão com um tiro da escopeta calibre 12,
-----que tenho guardada em casa para estas situações. O
-----tiro fez um estrago danado no cara!
25 ----------Passados menos de três minutos, estavam na
-----minha rua cinco carros da polícia, um helicóptero, uma
-----unidade do resgate, uma equipe de TV e a turma dos
-----direitos humanos, que não perderiam isso por nada
-----neste mundo.
30 ----------Eles prenderam o ladrão em flagrante, que
-----ficava olhando tudo com cara de assombrado. Talvez
-----ele estivesse pensando que aquela era a casa do
-----Comandante da Polícia.
-------------No meio do tumulto, um tenente se aproximou
-----de mim e disse:
-------------— Pensei que tivesse dito que tinha matado o
-----ladrão.
-------------Eu respondi:
-----— Pensei que tivesse dito que não havia
40 --ninguém disponível.
VERÍSSIMO, Luís Fernando. Aprenda a chamar a polícia.
Disponível em:
https://portuguesemdestaque.blogspot.com/p/cronicas.html.
Acesso em jan. 2019.
TEXTO 2
-------------Em um artigo, publicado em 23 de março de
------1999 na Folha de S. Paulo, Carlos Heitor Cony
------transcreve um manual de “Sobrevivência na Selva”,
------escrito pelo jornalista Leon Eliachar. Eis alguns
5 ----mandamentos:
-------------1) Não sair de casa;
-------------2) Não ficar em casa;
-------------3) Se sair, não sair sozinho, nem acompanhado;
-------------4) Se sair sozinho ou acompanhado, não sair a
10 --pé nem de carro;
-------------5) Se sair a pé, não andar devagar, nem
-------depressa, nem parar;
-------------6) Se sair de carro, não parar nas esquinas, nem
-------no meio da rua, nem nas calçadas, nem nos sinais.
15 --Melhor deixar o carro na garagem e pegar
-------uma condução;
-------------7) Se pegar uma condução, não pegar ônibus,
-------nem táxi, nem trem, nem carona;
-------------8) Se decidir ficar em casa, não ficar sozinho
20 --nem acompanhado;
-------------9) Se ficar sozinho ou acompanhado, não
-------deixar a porta aberta nem fechada;
-------------10) Como não adianta mudar de cidade ou de
-------país, o único jeito é ficar no ar. Mas não num avião.
25 ---------Segundo o colunista da Folha de S. Paulo
-------Carlos Heitor Cony, Leon não seguiu os conselhos
-------que deu, pois foi assassinado no banheiro de seu
-------apartamento. O caso dele teria sido passional, já
-------que se apaixonara por uma mulher casada. De
30 --qualquer forma, segundo o colunista, Leon poderia
-------ter acrescentado um mandamento aos dez que
-------inventou: “11) Não amar a mulher do próximo nem a
-------própria.”.
CONY, Carlos Heitor. Sobrevivência na selva. Folha de São Paulo, São Paulo, 23 mar. 1999.
O título do Texto 1 e os “mandamentos” do Texto 2 têm em comum
Provas
TEXTO 1
APRENDA A CHAMAR A POLÍCIA
Eu tenho o sono muito leve, e numa noite
dessas notei que havia alguém andando
sorrateiramente no quintal de casa. Levantei em
silêncio e fiquei acompanhando os leves ruídos que
5 vinham lá de fora, até ver uma silhueta passando pela
janela do banheiro. Como minha casa era muito
segura, com grades nas janelas e trancas internas nas
portas, não fiquei muito preocupado, mas era claro
que eu não ia deixar um ladrão ali, espiando
10 tranquilamente.
Liguei baixinho para a polícia, informei a
situação e o meu endereço.
Perguntaram-me se o ladrão estava armado ou
se já estava no interior da casa.
15 Esclareci que não e disseram-me que não
havia nenhuma viatura por perto para ajudar, mas que
iriam mandar alguém assim que fosse possível.
20 Um minuto depois, liguei de novo e disse com a
voz calma:
— Oi, eu liguei há pouco porque tinha alguém
no meu quintal. Não precisa mais ter pressa. Eu já
matei o ladrão com um tiro da escopeta calibre 12,
que tenho guardada em casa para estas situações. O
tiro fez um estrago danado no cara!
25 Passados menos de três minutos, estavam na
minha rua cinco carros da polícia, um helicóptero, uma
unidade do resgate, uma equipe de TV e a turma dos
direitos humanos, que não perderiam isso por nada
neste mundo.
30 Eles prenderam o ladrão em flagrante, que
ficava olhando tudo com cara de assombrado. Talvez
ele estivesse pensando que aquela era a casa do
Comandante da Polícia.
No meio do tumulto, um tenente se aproximou
35 de mim e disse:
— Pensei que tivesse dito que tinha matado o
ladrão.
Eu respondi:
— Pensei que tivesse dito que não havia
40 ninguém disponível.
VERÍSSIMO, Luís Fernando. Aprenda a chamar a polícia. Disponível em: https://portuguesemdestaque.blogspot.com/p/cronicas.html. Acesso em jan. 2019.
O trecho “Como minha casa era muito segura, com grades nas janelas e trancas internas nas portas, não fiquei muito preocupado (...)” pode ser reescrito da seguinte forma, sem perda de sentido:
Provas
Ao valor monetário que engloba o lucro desejado sobre um empreendimento e o somatório das despesas indiretas incorridas, aí incluídos os tributos, dá-se o nome de:
Provas
Para a Norma NR-10 – Segurança em Instalações e Serviços em Eletricidade –, do Ministério do Trabalho e Emprego, o termo alta tensão para corrente alternada se refere a tensões superiores a:
Provas
- Saúde e Segurança no Ambiente de TrabalhoSegurança do Trabalho e Prevenção de InfortúniosIncêndioEquipamentos de Detecção e Combate a Incêndios
Dos agentes extintores de incêndio conhecidos, aquele que NUNCA deve ser usado para incêndios de classes B e C é:
Provas
Analise as seguintes afirmativas a respeito de alguns instrumentos de medição de grandezas elétricas, utilizados na manutenção de equipamentos e instalações elétricas.
I O hipot é um equipamento desenvolvido especialmente para a realização de ensaios de rigidez dielétrica ou ensaios de tensão suportável de equipamentos, ferramentas e materiais eletroeletrônicos para verificação da qualidade de suas tensões elétricas por meio da aplicação de alta voltagem.
II O localizador de cabos elétricos possui como principal função saber se o cabeamento sofreu algum tipo de dano no seu isolamento.
III Os medidores de relação de transformação TTR é um produto disponibilizado pelas empresas para analisar e medir com eficiência os ensaios nos transformadores do tipo monofásico e trifásico.
Das afirmativas acima:
Provas
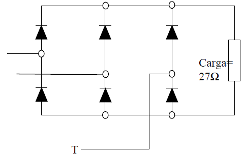
A figura abaixo se refere às questões de número 60 e 61.

Alimentação trifásica da rede em 380 V.
O valor eficaz mais próximo da corrente em cada diodo é:
Provas
A figura abaixo se refere às questões de número 60 e 61.

Alimentação trifásica da rede em 380 V.
O valor médio mais próximo da tensão retificada na carga é:
Provas
Durante o ensaio de um transformador de distribuição trifásico cuja potência nominal é 500 kVA, tensão 13,8 kV- 220 V e fator de potência 85%, foram obtidos os seguintes resultados:

Nessas condições, a partir da carga nominal, o rendimento desse transformador será de:
Provas
São exemplos de equipamentos de proteção individual contra choque elétrico e arco elétrico os abaixo relacionados, com EXCEÇÃO de:
Provas
Caderno Container