Foram encontradas 340 questões.
Provas
Considere o seguinte equipamento utilizado em manutenção eletromecânica:

Trata-se de um:
Provas
Provas
Provas
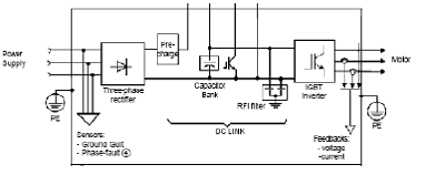
Observe o diagrama abaixo.

Trata-se de um:
Provas
Considere o amplificador de potência abaixo.

O valor da tensão Vs é, em V de:
Provas
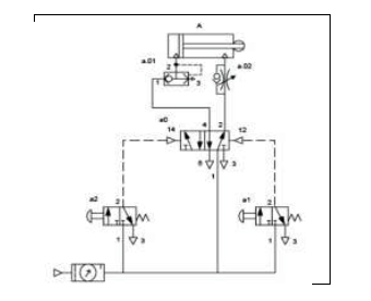
Analise o diagrama de comando abaixo.

O diagrama se refere a um:
Provas
Em uma situação de emergência, quando um motor precisa ser parado após uma falha ou perda de energia, um freio dinâmico pode ser usado para minimizar o tempo de desaceleração. Consegue-se isso conectando-se uma carga resistiva aos terminais do motor, forçando este último a funcionar como gerador e produzir torque de frenagem otimizado para um determinado motor.
Considere um motor com os seguintes dados:
indutância de fase = 1,5 mH
resistência de fase = 0,152 ohm
nº de polos = 8
Nesse sentido, a resistência externa necessária por fase para produzir torque de frenagem no motor que gira com velocidade máxima de 2000 rpm, em ohm, é:
Provas
Provas
Provas
Caderno Container