Foram encontradas 340 questões.
Um transformador monofásico possui as seguintes especificações:
- Tensão primária: 127 V
- Tensão secundária: 220 V
- Potência nominal: 750 W
- Rendimento: 90 %
A corrente máxima no primário, em A, é:
Provas
Questão presente nas seguintes provas
Um transformador monofásico possui as seguintes especificações:
- Tensão primária: 127 V
- Tensão secundária: 220 V
- Potência nominal: 750 W
- Rendimento: 90 %
A potência máxima de entrada, em W, é:
Provas
Questão presente nas seguintes provas
Um transformador monofásico possui as seguintes especificações:
- Tensão primária: 127 V
- Tensão secundária: 220 V
- Potência nominal: 750 W
- Rendimento: 90 %
A corrente máxima que ele poderá fornecer no secundário, em A, será:
Provas
Questão presente nas seguintes provas
Conforme preconiza a NR-10 – Segurança, em
Instalações e Serviços em Eletricidade, o termo
alta-tensão se refere à tensão superior a:
Provas
Questão presente nas seguintes provas
Dependendo do tipo de atrito, os mancais
podem ser:
Provas
Questão presente nas seguintes provas
Considere um transformador abaixador de 112,5 kVA, 60 Hz, 2200/220 V com os seguintes parâmetros:

A impedância interna equivalente referida ao primário é:
Provas
Questão presente nas seguintes provas
A manutenção que permite garantir uma
qualidade de serviço desejada, com base na aplicação
sistemática de técnicas de análise, utilizando-se de
meios de supervisão centralizados ou de amostragem,
para reduzir ao mínimo a manutenção preventiva e
diminuir a manutenção corretiva é a:
Provas
Questão presente nas seguintes provas
Um circuito em série de corrente contínua é
constituído de uma associação de 12 pilhas em série
de 1,5 V cada (resistência interna de 0,5 Ω) e um
elemento resistivo externo cuja resistência é de 18 Ω.
Nessas condições, o valor da corrente elétrica que
passa pelo resistor externo deverá ser, em A, de:
Provas
Questão presente nas seguintes provas
Para um funcionamento suave, baixo nível de
ruídos, sem transmissão de choques e sobrecargas,
com baixo custo e também facilidade de manutenção,
o sistema preferencialmente a ser adotado deve ser
transmissão por:
Provas
Questão presente nas seguintes provas
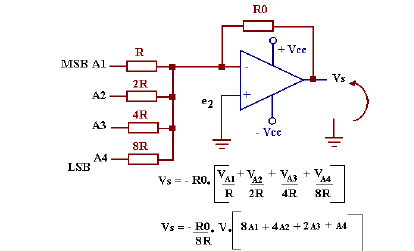
Dado o amplificador somador abaixo,

O amplificador pode ser utilizado em conversores:
Provas
Questão presente nas seguintes provas
Cadernos
Caderno Container