Foram encontradas 340 questões.
Dado o circuito elétrico abaixo,

A tensão elétrica entre os pontos A e A', em V, vale:
Provas
Provas
Observe a figura:

O valor do momento fletor no ponto 2, em toneladas x metro, vale:
Provas
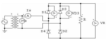
O circuito retificador abaixo se refere às questões de números 47 e 48.

Dados: R = 15 ohms e VS = 300 sen 377 t . V
A eficiência do retificador, em %, é:
Provas
O circuito retificador abaixo se refere às questões de números 47 e 48.

Dados: R = 15 ohms e VS = 300 sen 377 t . V
A corrente na carga R, em A, é:
Provas
Provas
Analise as assertivas abaixo acerca dos motores de passo.
I As razões pelas quais o motor de passo aquece podem ser expressas da seguinte forma: i) A corrente flui através do motor de passo mesmo ele estando parado. ii) Os projetos de drives com onda de pulso (PWM) tendem a fazer o motor esquentar mais. iii) A construção do motor com material de laminação e rotores com calhas também afetam o seu aquecimento.
II A razão pela qual o motor às vezes dá saltos ao ser ligado é a seguinte: o motor possui 200 posições detentoras naturais, porém o drive é ligado em um estado definido, correspondente a uma, dentre apenas 50 posições. Portanto, a movimentação pode ser de até 3,6° em qualquer direção.
III A razão pela qual um motor pode perder o passo durante um teste sem carga se deve ao fato de ele desenvolver um torque elevado em relação à sua própria inércia.
IV A diferença entre a conexão em série e a em paralelo de um motor de passo é a seguinte: com as espiras em série, o torque a baixas velocidades é maximizado. Porém, isto também provoca maior indutância. Portanto, o desempenho a altas velocidades é menor do que no caso das espiras serem conectadas em paralelo.
V Um motor pequeno pode ser utilizado em uma carga grande se o requisito de torque for baixo, porém se a inércia da carga for superior a dez vezes à inércia do rotor, pode ocorrer um amplo efeito de oscilação (“ringing”) ao final do movimento.
Das assertivas acima:
Provas
Em uma dada instalação, a tensão de entrada é 220 V, 60 Hz, e a potência instalada é de 70 kW. O fator de potência é 0,8 atrasado.

Dentre as alternativas abaixo, aquela cujo valor da capacitância mais se aproxima do valor necessário à correção do fator de potência para 0,92 (atrasado) é:
Provas
Provas
Considere uma bomba de recalque trifásica, 220 V, 20 HP, cos (∅) = 0,90 e rendimento 80%. Nessas condições, a corrente nominal trifásica da bomba, em ampères, é de aproximadamente:
Admitir: !$ \sqrt{3} !$ = 1,73 e 1 HP = 746 W
Provas
Caderno Container