Foram encontradas 50 questões.
Quando um servidor público federal ativo deve certa quantia ao Erário, nos termos da Lei nº 8.112/90, a pedido do servidor, o pagamento pode ser feito de forma parcelada, e cada parcela
Provas
Para investidura em cargo público, são requisitos básicos expressamente listados na Lei nº 8.112/90:
Provas
A peça mostrada na figura a seguir está em perspectiva isométrica e sem nenhuma de suas projeções ortogonais.

A figura que melhor representa a vista ortogonal frontal é:
Provas
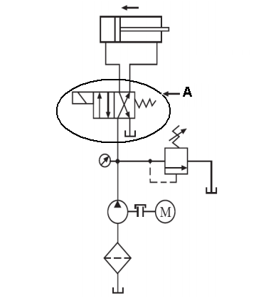
Um sistema hidráulico é um conjunto de elementos físicos convenientemente associados que, utilizando um fluido como meio de transferência de energia permite a transmissão e controle de forças e de movimento. A figura ao lado representa um circuito hidráulico.
Nesse circuito, a válvula circulada e indicada pela seta A é do tipo direcional de 4/2 vias,

Provas
A tensão sofrida por um corpo cilíndrico de diâmetro 100 mm que está sob ação de uma força de 1 kN é
Provas
Analise as afirmações a seguir sobre processamento de soldagem.
I | O processo de soldagem oxi-gás utiliza um gás como comburente e outro como combustível. |
II | Os tipos de chamas utilizadas no processo de soldagem oxi-gás são: oxidante, carbocemetante e neutra. |
III | O processo TIG é usado para aços comuns e especiais, principalmente para pequenas espessuras. |
IV | A principal dificuldade associada à soldagem do alumínio e suas ligas esta relacionada à presença de uma fina camada de óxido refratário que se forma na superfície do metal. |
Das afirmações, estão corretas
Provas
Em soldagem, conforme a American Welding Society (AWS), utiliza-se uma série de números, sinais e símbolos que representam a forma do cordão de solda, o processo utilizado, as dimensões, o acabamento e os tipos de chanfros. Na figura a seguir, estão representadas três tipos de juntas soldadas.

As juntas soldadas, ilustradas nas figuras (a), (b) e (c), são, respectivamente,
Provas
O coeficiente de Reynolds é um número adimensional usado em mecânica dos fluidos para o cálculo do regime de escoamento de determinado fluido sobre uma superfície. É utilizado, por exemplo, em projetos de tubulações industriais e asas de aviões.
O seu significado físico é um quociente entre as forças de inércia e as de
Provas
O programa 5S é assim chamado pelo fato de conter 5 palavras japonesas que começam com a letra “S” (Seiri, Seiton, Seisou Seiketsu e Shitsuke). Esse programa tem como objetivo mobilizar, motivar e conscientizar toda a empresa para a Qualidade Total, por meio da organização e da disciplina no local de trabalho.
Se esse programa fosse implantado no Brasil, a tradução dessas cinco palavras seria, respectivamente,
Provas
O círculo de Mohr é um método gráfico simples desenvolvido por Christian Otto Mohr que permite a representação do estado de tensões em um determinado ponto. A seguir, está ilustrado o círculo de Mohr para um estado uniaxial de tensões.

Nesse círculo, a tensão máxima de cisalhamento é, em MPa,
Provas
Caderno Container