Foram encontradas 100 questões.
O ENUNCIADO ABAIXO É COMUM PARA A QUESTÃO.
Um sistema elétrico de potência supre uma pequena cidade que conta com 03 circuitos que atendem, respectivamente: cargas industriais, residenciais e de iluminação pública. A curva de carga diária de demanda de cada um dos circuitos, em termos de potência ativa, em kW, é apresentada na Tabela 1. As potências instaladas para os consumidores são: iluminação pública=50 kW. residências=2500 kW. indústrias=1600 kW. Pede-se:
Tabela 1 - curva de carga diária de demanda

A energia absorvida diariamente pelo conjunto é.
Provas
Questão presente nas seguintes provas
O óleo de transformador é usado nos transformadores como meio isolante e de refrigeração, porque ele
Provas
Questão presente nas seguintes provas
Com relação aos parâmetros de seqüência do circuito equivalente de linhas de transmissão aéreas, geralmente, pode-se afirmar que:
Provas
Questão presente nas seguintes provas
O ENUNCIADO ABAIXO É COMUM PARA A QUESTÃO.
Um sistema elétrico de potência supre uma pequena cidade que conta com 03 circuitos que atendem, respectivamente: cargas industriais, residenciais e de iluminação pública. A curva de carga diária de demanda de cada um dos circuitos, em termos de potência ativa, em kW, é apresentada na Tabela 1. As potências instaladas para os consumidores são: iluminação pública=50 kW. residências=2500 kW. indústrias=1600 kW. Pede-se:
Tabela 1 - curva de carga diária de demanda

O horário e valor da demanda máxima do conjunto são:
Provas
Questão presente nas seguintes provas
De acordo com a NR 10, a reenergização dos circuitos deve ser executada respeitando a sequência de procedimentos abaixo:
I) Remoção da sinalização de impedimento de reenergização.
II) Retirada da zona controlada de todos os trabalhadores não envolvidos no processo de reenergização.
III) Destravamento, se houver, e religação dos dispositivos de seccionamento.
IV) Retirada das ferramentas, utensílios e equipamentos.
V) Remoção do aterramento temporário, da equipotencialização e das proteções adicionais.
Assinale a alternativa correta:
Provas
Questão presente nas seguintes provas
Responda a questão, com base no Texto I
Texto I
Subnutrição intelectual, anemia cívica
Uma das anedotas do folclore político brasileiro contava que, nas áreas de fronteira do Brasil com o Uruguai, não definidas pelos chamados acidentes naturais, o único método seguro para saber se havíamos deixado solo gaúcho era estar atento ao aparecimento de prédios escolares. Triste anedota que, ao menos, fazia justiça a um experimento empreendido pela pequena e notável República Oriental do Uruguai no final do século 19: a reforma educacional. Implantada por José Pedro varela, intelectual e estadista uruguaio, a reforma de 1877 baseou-se nas teses de seu principal livro – La educación del pueblo (1974) – e tinha como objetivo constituir uma identidade nacional através da educação.
Para efeito de comparação histórica, o Brasil, a essa altura, ainda debatia sobre os perigos de uma abolição do trabalho escravo, se feita de modo abrupto e impensado. A moderadíssima Lei do Ventre Livre havia sido promulgada apenas três anos antes (em 1871) e levaríamos ainda muitos anos para banir a escravidão (1888).
Com Varela, o Uruguai pôde experimentar a aplicação dos princípios da escola laica, pública e voltada, mais do que para a proficiência educacional, para a formação de cidadãos. Em suma, a reforma introduzida estabeleceu as bases de uma formação cívica, até hoje visível nos hábitos políticos e culturais daquele país.
O pessimismo da anedota pode ser refutado por um indicador aparentemente invencível: hoje, no Brasil, 97% dos jovens de 7 a 14 anos estão na escola. Uma filigrana estatística afasta-nos, pois, da universalidade de cobertura do ensino público fundamental. Há, portanto, escolas do lado de cá. No entanto, estamos diante de um fenômeno grave: a ampla cobertura educacional convive com o fato de a escola ter baixa importância na vida desses jovens. Em outros termos, seu tempo de permanência nas escolas é pífio: em média, 4,3 horas por dia.
Com efeito, é possível infelizmente reproduzir um padrão de baixa escolaridade, associado à universalização do ensino. Basta manter as crianças por poucas horas, desvalorizar material e simbolicamente a profissão dos educadores e comemorar índices enganadores. Na sombra, continuam a proliferar a subnutrição intelectual e a analfabetismo científico, ingredientes indispensáveis para a anemia cívica.
(Renato Lessa. Revista Ciência Hoje. Outubro de 2006, p. 1. Com cortes)
O uso da expressão “anemia cívica”, no texto, sugere:
Provas
Questão presente nas seguintes provas
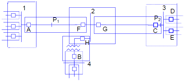
Na figura abaixo é mostrado um diagrama esquemático com as zonas de proteção. Quais são os disjuntores que operam para falhas em P1 e P2, respectivamente?

Provas
Questão presente nas seguintes provas
De acordo com a NR 10, o termo Média Tensão é definido como:
Provas
Questão presente nas seguintes provas
Na figura abaixo, pode-se ver um barramento duplo com 2 disjuntores por circuito. Deseja-se fazer a manutenção do disjuntor D1, mas a chave C1 apresenta um ponto quente. Qual deve ser a seqüência da manutenção para viabilizar o serviço sem comprometer a confiabilidade, sem provocar falta e falha na segurança. A recomposição do circuito de alimentação através de D1 será feita ao final da manutenção.

Provas
Questão presente nas seguintes provas
Quantas lâmpadas são necessárias para iluminar eletricamente um galpão industrial de 15 x 40 metros quadrados, pé direito de 5,0 metros. O galpão se destina à montagem de um laboratório de química, com bancada de 1,0 metro de altura, com as seguintes características:
• Iluminância requerida para o recinto: 1 000 lux.
• Luminária escolhida: industrial com 4 lâmpadas de 32 watts, 220 volts e 2 500 lumens. As luminárias serão penduradas a 2,0 metros do teto.
• Refletância do teto, paredes e piso: 70%, 30% e 10%.
• Fator de depreciação: 0,80.
Os dados permitiram determinar que o índice local é 3 e o coeficiente de utilização é 0,80.
Provas
Questão presente nas seguintes provas
Cadernos
Caderno Container