Foram encontradas 50 questões.
Considere as seguintes afirmativas:
I. O amperímetro é um instrumento para medição de corrente elétrica. Para se medir a corrente, devese interromper o circuito e intercalar o medidor.
II. Um voltímetro de 100000 ohms/volt introduz mais erro na medição de tensão do que um voltímetro de 50000 ohms/volt.
III. Corrente de fundo de escala é a corrente mínima suportável por um amperímetro.
IV. Quanto maior a resistência elétrica de um material, menor será a corrente que o atravessa.
V. Uma forma prática e segura de se iniciar uma medição é sempre começar pela escala de menor alcance e aumentar, paulatinamente, os alcances até um ponto acessível de medida fácil e precisa.
Assinale a alternativa correta.
Provas
Questão presente nas seguintes provas
TEXTO 1
“Há duas épocas na vida, infância e velhice, em que a felicidade está numa caixa de bombons", já asseverava Carlos Drummond de Andrade. Distante da era em que ter mais de 60 anos significava deixar para trás uma alma jovem, a produtividade e a qualidade de vida, e estar sentado num sofá assistindo televisão, a terceira idade hoje ganha espaço no mercado de trabalho, aproveita as horas de lazer não só com os netos, mas busca opções mais arrojadas como dança, viagens e passeios com os amigos. Se o conhecimento leva à colheita da sabedoria, esses 23,5 milhões de brasileiros, na casa das pessoas com mais de 60 anos, o dobro do registrado em 1991, quando a faixa etária contabilizava 10,7 milhões de pessoas, buscam alternativas para uma vida mais saudável e feliz. A população no Brasil está envelhecendo. Entre 2009 e 2011 este grupo da terceira idade aumentou em 7,6%, ou seja, alcançando a casa de 21,7 milhões de pessoas naquele referido período.
“Há duas épocas na vida, infância e velhice, em que a felicidade está numa caixa de bombons", já asseverava Carlos Drummond de Andrade. Distante da era em que ter mais de 60 anos significava deixar para trás uma alma jovem, a produtividade e a qualidade de vida, e estar sentado num sofá assistindo televisão, a terceira idade hoje ganha espaço no mercado de trabalho, aproveita as horas de lazer não só com os netos, mas busca opções mais arrojadas como dança, viagens e passeios com os amigos. Se o conhecimento leva à colheita da sabedoria, esses 23,5 milhões de brasileiros, na casa das pessoas com mais de 60 anos, o dobro do registrado em 1991, quando a faixa etária contabilizava 10,7 milhões de pessoas, buscam alternativas para uma vida mais saudável e feliz. A população no Brasil está envelhecendo. Entre 2009 e 2011 este grupo da terceira idade aumentou em 7,6%, ou seja, alcançando a casa de 21,7 milhões de pessoas naquele referido período.
Em 2050, 30% da população brasileira terá mais de 60 anos se aproximando neste item ao modelo europeu e americano no que diz respeito à terceira idade, com aumento nas preferências até mesmo de agências de viagens, com pacotes específicos para os mesmos, bem como outras possibilidades de entretenimento, com consumos compatíveis aos vários níveis sociais. No que se refere ao mercado de trabalho já não têm intenção de se aposentar tão cedo, e mesmo quando ocorre este fato continuam na ativa, buscando outras ocupações. Na verdade, o mercado laboral tem horários mais flexíveis e mais número de pessoas com ofícios em casa, cada vez mais autônomos nos trabalhos mais distintos e setores diversos. A intenção é minimizar a jornada de trabalho sem necessitar da aposentadoria.
O Ministério do Trabalho informa que no ano de 2010 o número de trabalhadores assalariados com mais de 65 anos cresceu 12%, o dobro da média dos anos anteriores. Também aumenta o número de pessoas que depois dos 50 anos querem provar um ofício diferente, ainda que com contratos por tempo limitado, ou prestação de serviços. Esse mercado também tem absorvido maior número de pessoas com mais de 60 anos, haja vista que a população está envelhecendo. Assim, pessoas da terceira idade, em geral aposentados, com qualificação e especialização são chamadas a ocupar espaços no mercado de trabalho, já que em algumas áreas faltam profissionais experientes.
A iniciativa privada já está atenta às oportunidades originadas pelo envelhecimento da população. Nos Estados Unidos, o Massachusetts Institute of Technology (MIT), criou, no final da década de 90, o AgeLab, um verdadeiro laboratório de estudos voltado para a longevidade, desenvolvendo instrumentos para orientar as indústrias na confecção de novos produtos para esta faixa etária, ocupando outros nichos na economia.
Paradigmas da idade são quebrados, sobretudo na área do turismo no Brasil. No programa criado pelo governo federal Viaja Mais Melhor Idade, do Ministério do Turismo, entre 2007 e 2010, dados levantados demonstram que mais de 600 mil pacotes turísticos foram vendidos para a melhor idade. Saúde, vida social e segurança financeira se destacam nos quesitos mais valorizados pelos idosos. Estar bem com o próprio corpo, sabendo das barreiras, mas procurando ultrapassar limitações é questão fundamental, se valendo de exercícios físicos e alimentação equilibrada e benéfica.
Dados estatísticos apontam que a longevidade brasileira aumenta a cada ano. Se em 1990 a expectativa de vida era de 66,9 anos, a previsão para o ano de 2050 é de 81,3 anos, um número bastante significativo. Entre os itens que mais prejudicam a longevidade estão: os alimentos gordurosos, sedentarismo, estresse, sobrepeso e a higiene oral. Mais de 70% da população idosa depende do sistema público de saúde. Por volta de 2015, a população idosa economicamente ativa deve crescer em torno de 3,6% ao ano. Carlos Drummond de Andrade estava certo: na velhice, a felicidade pode estar numa caixa de bombons, mas também pode estar na saúde, na segurança de estar amparado pela família e os amigos tendo a oportunidade de escancarar as janelas e sentir a vida tal qual ela é: Mágica. Só depende de nós.
LISITA, Bruno. Envelhecer rejuvenescendo. Diário da Manhã,
15/05/2013. Adaptado. Disponível em: <http://www.dm.com.br/texto/112841 envelhecer-rejuvenescendo>. Acesso em 02 out. 2013.
Acerca da pontuação do trecho: “No que se refere ao mercado de trabalho já não têm intenção de se aposentar tão cedo, e mesmo quando ocorre este fato continuam na ativa, buscando outras ocupações”, observa-se corretamente que:
Provas
Questão presente nas seguintes provas
Sendo R1 = 6 Kohms e R2 = 12 Kohms, assinale a alternativa que representa o ganho do circuito da figura abaixo:

Provas
Questão presente nas seguintes provas
Assinale a alternativa que contém a equação lógica simplificada representada pelo Mapa de Karnaugh abaixo.

Provas
Questão presente nas seguintes provas
Dado o circuito apresentado na figura abaixo, cuja fonte de tensão alternada vi (t) é igual a , assinale a alternativa correta.

Provas
Questão presente nas seguintes provas
O seguintes barramentos internos a um PC são seriais e diferenciais (com um ou mais canais):
Provas
Questão presente nas seguintes provas
Sobre circuitos retificadores a diodo, assinale a alternativa correta.
Provas
Questão presente nas seguintes provas
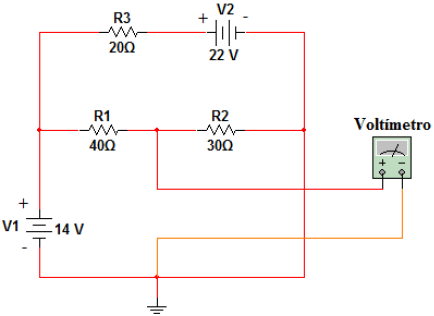
Considere o circuito elétrico de corrente contínua da figura, no qual se realiza uma medida com um voltímetro. Com base nos valores dos elementos do circuito, a tensão medida pelo voltímetro é. (Os valores de todos os resistores são dados em Ohms e das tensões em Volts).

Provas
Questão presente nas seguintes provas
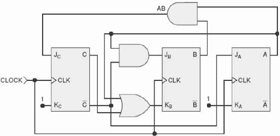
Sobre o contador síncrono de flip-flops tipo JK representado na figura abaixo, considerando que o mesmo inicia-se com as saídas em 0, assinale a alternativa que contém os estados de contagem C B A do respectivo contador.

Provas
Questão presente nas seguintes provas
As placas mães modernas contêm uma bateria que serve para alimentar a memória:
Provas
Questão presente nas seguintes provas
Cadernos
Caderno Container