Foram encontradas 50 questões.
O micrômetro, também chamado Palmer, é um instrumento de grande precisão usado em laboratórios e oficinas para medidas de espessura de chapas, diâmetros de fios e esferas, etc. Qual a sensibilidade de um Micrômetro que possui passo de 0,5 mm e tambor com 50 divisões?
Provas
Questão presente nas seguintes provas
Um objeto com peso de 0,030 N e densidade de 1,5 g/cm3 apresenta um peso aparente de 0,010 N quando totalmente imerso em água; e quando totalmente imerso em um líquido desconhecido possui um peso aparente de 0,015 N. Considerando a densidade da água igual a 1,0 g/cm3 e g = 10 m/s2, determine a densidade do líquido desconhecido.
Provas
Questão presente nas seguintes provas
Duas pilhas de 1,5 V cada podem ser ligadas em série ou em paralelo. Desta forma obtém-se respectivamente:
Provas
Questão presente nas seguintes provas
Um automóvel de massa 1.500 kg se move com velocidade constante de 72 km/h quando tem que frear bruscamente para não atropelar um pedestre. O automóvel se desloca 10 metros até parar completamente. Determine o módulo do trabalho realizado pela força de atrito para parar o automóvel.
Provas
Questão presente nas seguintes provas
TEXTO 2
A indignação aparentemente sem objeto, levando a manifestações de massa espontâneas, sem liderança e sem organização, finalmente chegou ao Brasil. Surpreendente é que tardasse a chegar por aqui.
A indignação aparentemente sem objeto, levando a manifestações de massa espontâneas, sem liderança e sem organização, finalmente chegou ao Brasil. Surpreendente é que tardasse a chegar por aqui.
Esses levantes de indignação têm algumas características comuns e outras singulares, ligadas à conjuntura de cada país. Autocracia aqui, crise econômica ali, corrupção acolá. Muitas vezes um tanto de tudo isso junto. Em comum, têm a espontaneidade, o uso das redes sociais para alastrar a convocação e a articulação das manifestações, a insatisfação, a desconfiança, a ausência de lideranças e os alvos múltiplos: poder, imprensa, empresas. De todos se diz que não têm um objeto claro. Não têm mesmo, eles refletem pautas fragmentadas de sociedades fragmentadas. As pessoas não se juntam porque seguem liderança coletiva, ou para demandar itens de uma pauta coletivamente acordada em algum espaço institucionalizado. Vão para as ruas por contágio. O espaço público se transforma em um palco onde pautas singularizadas promovem encontros espontâneos e transitórios entre indivíduos movidos por sentimentos, valores e visões diferentes. Essa individualização do movimento de massas desconcerta e espanta.
(...)
Eles se colocam por fora e por cima dos governos, dos partidos e das outras instituições de representação ou agregação de interesses organizadas. Todos se oligarquizaram, criaram barreiras à entrada e impuseram pautas autoconcebidas a pessoas cada vez mais descrentes e mais individualizadas.
Um dos pontos que impressiona é que aparentemente a reação social parece, às vezes, desproporcional à sua motivação aparente. Não existe essa contrariedade. São muitas as motivações. Algo como micro-ofensas que provocam macrorreações. A soma de indignações individualizadas se transforma em um tsunami arrasador de protestos.
Evidentemente que as tarifas de ônibus foram e não foram causa da sublevação que ocupa as ruas das principais cidades brasileiras. Qualquer aumento de preços, com a inflação em alta e preços essenciais, como os dos alimentos e dos serviços básicos subindo acima da média, provoca desconforto e irritação. Algumas pessoas talvez se lembrem que o governo atrasou o reajuste de tarifas, marcado para janeiro, para “segurar” a inflação. E que acabou autorizando-o em momento ainda pior, por imperícia e pela inevitável aceleração dos preços diante da inércia da política econômica, excessivamente tolerante com a inflação sempre no topo da meta. O atraso não surtiu efeito algum, a elevação fora do tempo só piorou as coisas.
Não é só a tarifa do ônibus, o preço do pão francês ou do tomate. Tem o engarrafamento. O ônibus, o trem e o metrô lotados. A desatenção dos prestadores de serviços. Tem o sistema de saúde que não funciona. O pronto-socorro atulhado, a fila das cirurgias, todas urgentes e atrasadas. A escola aos frangalhos, os professores desmotivados. O desemprego de jovens mais que o dobro do desemprego médio. Tem o político sem reputação ou escrúpulo mandando e desmandando, impune e imune à rejeição majoritária. O marketing mentiroso, público e privado. O estádio superfaturado e de desenho mais elitista. As decisões ou ameaças de decisões ao avesso da opinião dominante na sociedade. O fastio com a corrupção impune. O desencanto com políticos que eram portadores da esperança de mudança e deram os braços aos oligarcas de sempre. Enfim, motivo para indignação há de sobra, há muito tempo.
(...)
O melhor cenário é que da reiteração dessas manifestações surjam novos tipos de liderança e novas formas de identidade entre indivíduos com autonomia e coletividade, ou sentido de coletividade. Que da força da indignação social venha a mudança real. E que a conjugação entre novas lideranças e novas identidades coletivas dê rumo e objeto mais direto e concreto à mudança.
ABRANCHES, Sérgio. O “Vem para a rua” é sem lenço e
sem documento. Análise, 19/06/2013. Adaptado. Disponível em <http://www.ecopolitica.com.br>. Acesso em 02 out. 2013.
Segundo o texto, “O fastio com a corrupção impune” é:
Provas
Questão presente nas seguintes provas
O gráfico abaixo representa a velocidade em função do tempo de um móvel em movimento retilíneo.

Baseado no gráfico e admitindo que o móvel parte de xo = 0 no instante t = 0, podemos afirmar que a posição do móvel no instante t = 10 s, é:
Provas
Questão presente nas seguintes provas
TEXTO 1
“Há duas épocas na vida, infância e velhice, em que a felicidade está numa caixa de bombons", já asseverava Carlos Drummond de Andrade. Distante da era em que ter mais de 60 anos significava deixar para trás uma alma jovem, a produtividade e a qualidade de vida, e estar sentado num sofá assistindo televisão, a terceira idade hoje ganha espaço no mercado de trabalho, aproveita as horas de lazer não só com os netos, mas busca opções mais arrojadas como dança, viagens e passeios com os amigos. Se o conhecimento leva à colheita da sabedoria, esses 23,5 milhões de brasileiros, na casa das pessoas com mais de 60 anos, o dobro do registrado em 1991, quando a faixa etária contabilizava 10,7 milhões de pessoas, buscam alternativas para uma vida mais saudável e feliz. A população no Brasil está envelhecendo. Entre 2009 e 2011 este grupo da terceira idade aumentou em 7,6%, ou seja, alcançando a casa de 21,7 milhões de pessoas naquele referido período.
“Há duas épocas na vida, infância e velhice, em que a felicidade está numa caixa de bombons", já asseverava Carlos Drummond de Andrade. Distante da era em que ter mais de 60 anos significava deixar para trás uma alma jovem, a produtividade e a qualidade de vida, e estar sentado num sofá assistindo televisão, a terceira idade hoje ganha espaço no mercado de trabalho, aproveita as horas de lazer não só com os netos, mas busca opções mais arrojadas como dança, viagens e passeios com os amigos. Se o conhecimento leva à colheita da sabedoria, esses 23,5 milhões de brasileiros, na casa das pessoas com mais de 60 anos, o dobro do registrado em 1991, quando a faixa etária contabilizava 10,7 milhões de pessoas, buscam alternativas para uma vida mais saudável e feliz. A população no Brasil está envelhecendo. Entre 2009 e 2011 este grupo da terceira idade aumentou em 7,6%, ou seja, alcançando a casa de 21,7 milhões de pessoas naquele referido período.
Em 2050, 30% da população brasileira terá mais de 60 anos se aproximando neste item ao modelo europeu e americano no que diz respeito à terceira idade, com aumento nas preferências até mesmo de agências de viagens, com pacotes específicos para os mesmos, bem como outras possibilidades de entretenimento, com consumos compatíveis aos vários níveis sociais. No que se refere ao mercado de trabalho já não têm intenção de se aposentar tão cedo, e mesmo quando ocorre este fato continuam na ativa, buscando outras ocupações. Na verdade, o mercado laboral tem horários mais flexíveis e mais número de pessoas com ofícios em casa, cada vez mais autônomos nos trabalhos mais distintos e setores diversos. A intenção é minimizar a jornada de trabalho sem necessitar da aposentadoria.
O Ministério do Trabalho informa que no ano de 2010 o número de trabalhadores assalariados com mais de 65 anos cresceu 12%, o dobro da média dos anos anteriores. Também aumenta o número de pessoas que depois dos 50 anos querem provar um ofício diferente, ainda que com contratos por tempo limitado, ou prestação de serviços. Esse mercado também tem absorvido maior número de pessoas com mais de 60 anos, haja vista que a população está envelhecendo. Assim, pessoas da terceira idade, em geral aposentados, com qualificação e especialização são chamadas a ocupar espaços no mercado de trabalho, já que em algumas áreas faltam profissionais experientes.
A iniciativa privada já está atenta às oportunidades originadas pelo envelhecimento da população. Nos Estados Unidos, o Massachusetts Institute of Technology (MIT), criou, no final da década de 90, o AgeLab, um verdadeiro laboratório de estudos voltado para a longevidade, desenvolvendo instrumentos para orientar as indústrias na confecção de novos produtos para esta faixa etária, ocupando outros nichos na economia.
Paradigmas da idade são quebrados, sobretudo na área do turismo no Brasil. No programa criado pelo governo federal Viaja Mais Melhor Idade, do Ministério do Turismo, entre 2007 e 2010, dados levantados demonstram que mais de 600 mil pacotes turísticos foram vendidos para a melhor idade. Saúde, vida social e segurança financeira se destacam nos quesitos mais valorizados pelos idosos. Estar bem com o próprio corpo, sabendo das barreiras, mas procurando ultrapassar limitações é questão fundamental, se valendo de exercícios físicos e alimentação equilibrada e benéfica.
Dados estatísticos apontam que a longevidade brasileira aumenta a cada ano. Se em 1990 a expectativa de vida era de 66,9 anos, a previsão para o ano de 2050 é de 81,3 anos, um número bastante significativo. Entre os itens que mais prejudicam a longevidade estão: os alimentos gordurosos, sedentarismo, estresse, sobrepeso e a higiene oral. Mais de 70% da população idosa depende do sistema público de saúde. Por volta de 2015, a população idosa economicamente ativa deve crescer em torno de 3,6% ao ano. Carlos Drummond de Andrade estava certo: na velhice, a felicidade pode estar numa caixa de bombons, mas também pode estar na saúde, na segurança de estar amparado pela família e os amigos tendo a oportunidade de escancarar as janelas e sentir a vida tal qual ela é: Mágica. Só depende de nós.
LISITA, Bruno. Envelhecer rejuvenescendo. Diário da Manhã,
15/05/2013. Adaptado. Disponível em: <http://www.dm.com.br/texto/112841 envelhecer-rejuvenescendo>. Acesso em 02 out. 2013.
Assinale a alternativa em que o complemento verbal sublinhado em “estar sentado num sofá assistindo televisão”, comum na língua oral, deveria ser substituído pelo pronome correspondente, de acordo com a norma padrão.
Provas
Questão presente nas seguintes provas
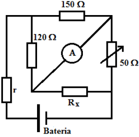
O circuito a seguir é usado para determinar o valor de uma resistência elétrica desconhecida Rx a partir do ajuste do resistor variável, de modo que a corrente elétrica no Amperímetro seja nula. Para os valores dados no circuito, qual é o valor de Rx?

Provas
Questão presente nas seguintes provas
TEXTO 2
A indignação aparentemente sem objeto, levando a manifestações de massa espontâneas, sem liderança e sem organização, finalmente chegou ao Brasil. Surpreendente é que tardasse a chegar por aqui.
A indignação aparentemente sem objeto, levando a manifestações de massa espontâneas, sem liderança e sem organização, finalmente chegou ao Brasil. Surpreendente é que tardasse a chegar por aqui.
Esses levantes de indignação têm algumas características comuns e outras singulares, ligadas à conjuntura de cada país. Autocracia aqui, crise econômica ali, corrupção acolá. Muitas vezes um tanto de tudo isso junto. Em comum, têm a espontaneidade, o uso das redes sociais para alastrar a convocação e a articulação das manifestações, a insatisfação, a desconfiança, a ausência de lideranças e os alvos múltiplos: poder, imprensa, empresas. De todos se diz que não têm um objeto claro. Não têm mesmo, eles refletem pautas fragmentadas de sociedades fragmentadas. As pessoas não se juntam porque seguem liderança coletiva, ou para demandar itens de uma pauta coletivamente acordada em algum espaço institucionalizado. Vão para as ruas por contágio. O espaço público se transforma em um palco onde pautas singularizadas promovem encontros espontâneos e transitórios entre indivíduos movidos por sentimentos, valores e visões diferentes. Essa individualização do movimento de massas desconcerta e espanta.
(...)
Eles se colocam por fora e por cima dos governos, dos partidos e das outras instituições de representação ou agregação de interesses organizadas. Todos se oligarquizaram, criaram barreiras à entrada e impuseram pautas autoconcebidas a pessoas cada vez mais descrentes e mais individualizadas.
Um dos pontos que impressiona é que aparentemente a reação social parece, às vezes, desproporcional à sua motivação aparente. Não existe essa contrariedade. São muitas as motivações. Algo como micro-ofensas que provocam macrorreações. A soma de indignações individualizadas se transforma em um tsunami arrasador de protestos.
Evidentemente que as tarifas de ônibus foram e não foram causa da sublevação que ocupa as ruas das principais cidades brasileiras. Qualquer aumento de preços, com a inflação em alta e preços essenciais, como os dos alimentos e dos serviços básicos subindo acima da média, provoca desconforto e irritação. Algumas pessoas talvez se lembrem que o governo atrasou o reajuste de tarifas, marcado para janeiro, para “segurar” a inflação. E que acabou autorizando-o em momento ainda pior, por imperícia e pela inevitável aceleração dos preços diante da inércia da política econômica, excessivamente tolerante com a inflação sempre no topo da meta. O atraso não surtiu efeito algum, a elevação fora do tempo só piorou as coisas.
Não é só a tarifa do ônibus, o preço do pão francês ou do tomate. Tem o engarrafamento. O ônibus, o trem e o metrô lotados. A desatenção dos prestadores de serviços. Tem o sistema de saúde que não funciona. O pronto-socorro atulhado, a fila das cirurgias, todas urgentes e atrasadas. A escola aos frangalhos, os professores desmotivados. O desemprego de jovens mais que o dobro do desemprego médio. Tem o político sem reputação ou escrúpulo mandando e desmandando, impune e imune à rejeição majoritária. O marketing mentiroso, público e privado. O estádio superfaturado e de desenho mais elitista. As decisões ou ameaças de decisões ao avesso da opinião dominante na sociedade. O fastio com a corrupção impune. O desencanto com políticos que eram portadores da esperança de mudança e deram os braços aos oligarcas de sempre. Enfim, motivo para indignação há de sobra, há muito tempo.
(...)
O melhor cenário é que da reiteração dessas manifestações surjam novos tipos de liderança e novas formas de identidade entre indivíduos com autonomia e coletividade, ou sentido de coletividade. Que da força da indignação social venha a mudança real. E que a conjugação entre novas lideranças e novas identidades coletivas dê rumo e objeto mais direto e concreto à mudança.
ABRANCHES, Sérgio. O “Vem para a rua” é sem lenço e
sem documento. Análise, 19/06/2013. Adaptado. Disponível em <http://www.ecopolitica.com.br>. Acesso em 02 out. 2013.
Assinale a alternativa em que a frase “Algumas pessoas talvez se lembrem que o governo atrasou o reajuste de tarifas” está reescrita segundo a norma padrão, sem qualquer alteração de sentido.
Provas
Questão presente nas seguintes provas
TEXTO 2
A indignação aparentemente sem objeto, levando a manifestações de massa espontâneas, sem liderança e sem organização, finalmente chegou ao Brasil. Surpreendente é que tardasse a chegar por aqui.
A indignação aparentemente sem objeto, levando a manifestações de massa espontâneas, sem liderança e sem organização, finalmente chegou ao Brasil. Surpreendente é que tardasse a chegar por aqui.
Esses levantes de indignação têm algumas características comuns e outras singulares, ligadas à conjuntura de cada país. Autocracia aqui, crise econômica ali, corrupção acolá. Muitas vezes um tanto de tudo isso junto. Em comum, têm a espontaneidade, o uso das redes sociais para alastrar a convocação e a articulação das manifestações, a insatisfação, a desconfiança, a ausência de lideranças e os alvos múltiplos: poder, imprensa, empresas. De todos se diz que não têm um objeto claro. Não têm mesmo, eles refletem pautas fragmentadas de sociedades fragmentadas. As pessoas não se juntam porque seguem liderança coletiva, ou para demandar itens de uma pauta coletivamente acordada em algum espaço institucionalizado. Vão para as ruas por contágio. O espaço público se transforma em um palco onde pautas singularizadas promovem encontros espontâneos e transitórios entre indivíduos movidos por sentimentos, valores e visões diferentes. Essa individualização do movimento de massas desconcerta e espanta.
(...)
Eles se colocam por fora e por cima dos governos, dos partidos e das outras instituições de representação ou agregação de interesses organizadas. Todos se oligarquizaram, criaram barreiras à entrada e impuseram pautas autoconcebidas a pessoas cada vez mais descrentes e mais individualizadas.
Um dos pontos que impressiona é que aparentemente a reação social parece, às vezes, desproporcional à sua motivação aparente. Não existe essa contrariedade. São muitas as motivações. Algo como micro-ofensas que provocam macrorreações. A soma de indignações individualizadas se transforma em um tsunami arrasador de protestos.
Evidentemente que as tarifas de ônibus foram e não foram causa da sublevação que ocupa as ruas das principais cidades brasileiras. Qualquer aumento de preços, com a inflação em alta e preços essenciais, como os dos alimentos e dos serviços básicos subindo acima da média, provoca desconforto e irritação. Algumas pessoas talvez se lembrem que o governo atrasou o reajuste de tarifas, marcado para janeiro, para “segurar” a inflação. E que acabou autorizando-o em momento ainda pior, por imperícia e pela inevitável aceleração dos preços diante da inércia da política econômica, excessivamente tolerante com a inflação sempre no topo da meta. O atraso não surtiu efeito algum, a elevação fora do tempo só piorou as coisas.
Não é só a tarifa do ônibus, o preço do pão francês ou do tomate. Tem o engarrafamento. O ônibus, o trem e o metrô lotados. A desatenção dos prestadores de serviços. Tem o sistema de saúde que não funciona. O pronto-socorro atulhado, a fila das cirurgias, todas urgentes e atrasadas. A escola aos frangalhos, os professores desmotivados. O desemprego de jovens mais que o dobro do desemprego médio. Tem o político sem reputação ou escrúpulo mandando e desmandando, impune e imune à rejeição majoritária. O marketing mentiroso, público e privado. O estádio superfaturado e de desenho mais elitista. As decisões ou ameaças de decisões ao avesso da opinião dominante na sociedade. O fastio com a corrupção impune. O desencanto com políticos que eram portadores da esperança de mudança e deram os braços aos oligarcas de sempre. Enfim, motivo para indignação há de sobra, há muito tempo.
(...)
O melhor cenário é que da reiteração dessas manifestações surjam novos tipos de liderança e novas formas de identidade entre indivíduos com autonomia e coletividade, ou sentido de coletividade. Que da força da indignação social venha a mudança real. E que a conjugação entre novas lideranças e novas identidades coletivas dê rumo e objeto mais direto e concreto à mudança.
ABRANCHES, Sérgio. O “Vem para a rua” é sem lenço e
sem documento. Análise, 19/06/2013. Adaptado. Disponível em <http://www.ecopolitica.com.br>. Acesso em 02 out. 2013.
Na frase “Muitas vezes um tanto de tudo isso junto”, a expressão sublinhada indica que há uma referência anterior a ser recuperada. Assinale a alternativa em que a substituição dessa expressão por outro elemento coesivo melhor se ajusta ao contexto.
Provas
Questão presente nas seguintes provas
Cadernos
Caderno Container