Foram encontradas 858 questões.
Considerando as normas acerca do sigilo contidas no código ética profissional de Secretariado e os procedimentos de proteção e controle de informações nos órgãos públicos, o secretário executivo que atua em uma instituição pública precisará:
Provas
Questão presente nas seguintes provas
A figura abaixo representa uma parede de alvenaria contínua sem aberturas, sofrendo um carregamento de compressão. Analisando as fissuras que apareceram, pode-se afirmar que as fissuras são decorrentes de:

Provas
Questão presente nas seguintes provas
Para que se aplica a Transforma de Fourrier no PDI?
Provas
Questão presente nas seguintes provas
O espaço regular existentes entre duas placas cerâmicas adjacentes que absorve parte das deformações do revestimento cerâmico, permite que as diferenças dimensionais entre peças sejam compensadas e facilitam eventuais trocas de placas, evitando que outras sejam danificadas, refere-se a:
Provas
Questão presente nas seguintes provas
A identificação de chamadas na botoeira da cabina do elevador, conforme a NBR 13994/2000, deve estar sequenciada do seguinte modo:
Provas
Questão presente nas seguintes provas
O joelho é uma articulação complexa, com três ossos, com dois graus de liberdade de movimentos e três superfícies que se articulam. É uma articulação muito lesionada em atletas devido ao estresse extremo de movimentos de torção e rotação. Para testar a estabilidade do joelho existem testes específicos. Para se avaliar uma lesão de Ligamento cruzado anterior os testes indicados são:
Provas
Questão presente nas seguintes provas
2453949
Ano: 2013
Disciplina: TI - Organização e Arquitetura dos Computadores
Banca: UFC
Orgão: UFC
Disciplina: TI - Organização e Arquitetura dos Computadores
Banca: UFC
Orgão: UFC
Provas:
Sobre NAS (Network Attached Storage), é correto afirmar:
Provas
Questão presente nas seguintes provas
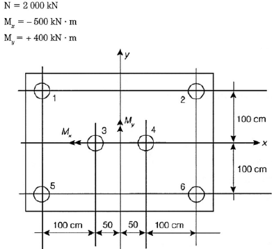
A carga atuante nas estacas do bloco abaixo, sabendo-se que no mesmo atuam as seguintes cargas (consideradas na cota de arrasamento) será igual:

Provas
Questão presente nas seguintes provas
Ainda sobre o Código de Ética, com relação às perícias por ele realizadas, lhe é vedado:
Provas
Questão presente nas seguintes provas
De acordo com o carregamento representado na figura abaixo, a largura b e altura h respectivamente, de uma viga de madeira que deverá suportar este carregamento deverão ser de:
Utilizar σ mad. = 10 MPa e h ≡ 3b.

Provas
Questão presente nas seguintes provas
Cadernos
Caderno Container