Foram encontradas 1.315 questões.
A derivada de primeira ordem da função !$ y \, = \, \dfrac {3} {x+2} !$ é igual a
Provas

A função y = f(x), em coordenadas cartesianas, é tal que 2x2 - y2 = 4. Então, em coordenadas polares (!$ \rho !$, !$ \theta !$), essa equação é corretamente expressa por
Provas
Se !$ y \, = \, f(x) \, = \, \dfrac {2x \, - \, 7} {5x \, - \, 2}, !$ então a função inversa x = f-1(y) é tal que
Provas
Considere que a !$ \in !$R e que !$ f: R \backslash \{a\} \, \rightarrow \, R !$ é a função definida por !$ f(x) \, = \, \dfrac {x + a} {x - a}. !$
Nesse caso, se !$ b \, \ne \, 0 !$ então o valor de !$ f(a \, + \, b) !$ é igual a
Provas

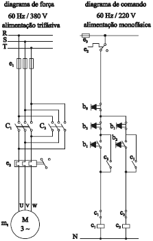
H. Creder. Instalações elétricas. 14.aed., LTC 2000, p. 249 (com adaptações).
A figura acima mostra os circuitos de força e de comando de um motor de indução trifásico que opera normalmente desde que seja alimentado de forma adequada.
Considerando os circuitos de força e de comando acima, assinale a opção correta.
Provas
A figura a seguir mostra curvas características tempo de fusão/corrente de curto-circuito de fusíveis diazed, 500 V, do tipo retardado.

J. Niskier. Manual de instalações elétricas. 1.a ed., LTC, 2005, p. 162.
A respeito dos fusíveis diazed citados no texto e de suas curvas características, assinale a opção correta.
Provas
A figura a seguir mostra curvas características tempo de fusão/corrente de curto-circuito de fusíveis diazed, 500 V, do tipo retardado.

J. Niskier. Manual de instalações
elétricas. 1.a ed., LTC, 2005, p. 162.
Considerando que se deseje instalar fusíveis diazed em determinado circuito e estimando-se em aproximadamente 6 s, no circuito, o tempo de duração para uma corrente de curto-circuito igual a 20 A, tendo o gráfico mostrado no texto como base, pode-se afirmar que o fusível mais adequado para essa instalação é o de
Provas

J. Niskier. Manual de instalações elétricas.
1a ed., LTC, 2005, p. 60 (com adaptações).
Considere a planta baixa mostrada na figura acima, que ilustra parte de uma instalação elétrica.
Tendo como referência a instalação elétrica mostrada na planta, assinale a opção correta.
Provas

O diagrama unifilar mostrado acima representa um sistema elétrico de potência cujos dados são informados individualmente para cada equipamento. Os dados de geradores e de transformadores são especificados na base de potência e de tensão nominal do equipamento. Para efeito de análise de faltas, considere que as linhas sejam representadas apenas por suas reatâncias de seqüência positiva x1, seqüência negativa x2 e seqüência zero x0, em ohms. Considere que as reatâncias de seqüências positiva, negativa e zero de cada gerador e de cada transformador sejam iguais. Suponha que a tensão em cada barra do sistema seja aproximadamente igual a 1,0 pu e que as correntes de carga sejam desprezíveis. Considere ainda, nas questões que se seguem, base de potência do sistema igual a 100 MVA e base de tensão igual a 10 kV em um dos geradores.
Ainda tendo o texto como referência e com relação a um curto-circuito fase-terra na barra 3, julgue os itens a seguir.
I A corrente de falta não é afetada pela reatância de aterramento xN.
II A corrente de curto-circuito na barra 3 apresenta menor intensidade do que a corrente do mesmo tipo de falta na barra 4.
III Uma vez calculada a intensidade da corrente de curtocircuito fase-terra em pu, o seu valor, em ampères, pode ser calculado multiplicando
se o valor dessa intensidade de corrente em pu por !$ \dfrac {1.000}{\sqrt{3}}. !$
IV A intensidade da corrente de falta não é afetada pelas reatâncias das linhas de transmissão.
Estão certos apenas os itens
Provas

O diagrama unifilar mostrado acima representa um sistema elétrico de potência cujos dados são informados individualmente para cada equipamento. Os dados de geradores e de transformadores são especificados na base de potência e de tensão nominal do equipamento. Para efeito de análise de faltas, considere que as linhas sejam representadas apenas por suas reatâncias de seqüência positiva x1, seqüência negativa x2 e seqüência zero x0, em ohms. Considere que as reatâncias de seqüências positiva, negativa e zero de cada gerador e de cada transformador sejam iguais. Suponha que a tensão em cada barra do sistema seja aproximadamente igual a 1,0 pu e que as correntes de carga sejam desprezíveis. Considere ainda, nas questões que se seguem, base de potência do sistema igual a 100 MVA e base de tensão igual a 10 kV em um dos geradores.
A impedância base, em !$ \Omega !$, no lado das linhas de transmissão mostradas no texto é igual a
Provas
Caderno Container