Foram encontradas 880 questões.
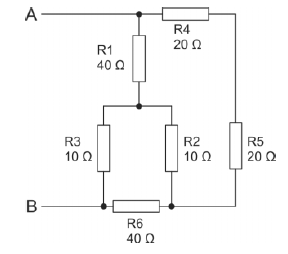
Considere o circuito abaixo.

A resistência equivalente aproximada entre os pontos A e B é
Provas
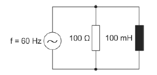
Veja o circuito abaixo, composto por uma fonte de tensão alternada, um resistor e um indutor.
Considerar !$ π !$ = 3,14

A impedância aproximada do circuito é
Provas
Na fibra óptica multimodo, a parte que é responsável por conduzir o sinal luminoso, tendo, para isso, um índice de refração elevadíssimo, é
Provas
O ESP32 disponibiliza um protocolo que permite formar um barramento serial de dois fios para conectar vários periféricos escravos de baixa velocidade com endereçamentos predefinidos. Trata-se de
Provas
Em uma estrutura metálica utilizou-se uma viga de aço com peso próprio característico de 12 kN/m. Considerando as combinações normais das ações permanentes no estado-limite último, o peso próprio de cálculo, em kN/m, que deve ser utilizado no dimensionamento da viga, é
Provas
Uma barra birrotulada, com 1,26 m de comprimento, está submetida a uma força axial de compressão. Se o raio de giração da seção transversal da barra é igual a 1,20 cm, então, o índice de esbeltez da barra é igual a
Provas
A viga simplesmente apoiada da figura a seguir, com vão de 8 m, está submetida a três cargas concentradas de 40 kN.

O momento fletor máximo que traciona as fibras inferiores da viga é igual a
Provas
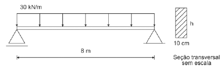
A viga simplesmente apoiada da figura a seguir está submetida a uma carga uniformemente distribuída de 30 kN/m em todo o seu vão de 8 metros.

A tensão normal admissível na flexão da viga é igual a 160 MPa e a seção transversal da viga é retangular com 10 cm de largura. Para resistir às tensões normais na flexão, a altura da viga deve ser é igual a
Provas
O pórtico isostático triarticulado da figura a seguir está submetido a uma carga uniformemente distribuída de 50 kN/m em todo o seu vão de 10 m e a uma carga concentrada horizontal de 150 kN.

As reações nos apoios A e B, em kN são, respectivamente,
Provas
Uma obra de engenharia foi dividida em 5 etapas independentes e duração de 5 meses, conforme o cronograma a seguir:
| Serviço | meses | Custo (%) | ||||
| 1 | 2 | 3 | 4 | 5 | ||
| A | 60% | 40% | 10 | |||
| B | 30% | 50% | 20% | 20 | ||
| C | 20% | 40% | 20% | 20% | 40 | |
| D | 40% | 60% | 20 | |||
| E | 100% | 10 | ||||
O contrato prevê uma retenção de 10% em cada medição, ou seja, são pagos 90% dos serviços medidos e reservados 10% para a entrega da obra. Em relação ao custo total, a medição acumulada no segundo mês corresponde ao percentual de
Provas
Caderno Container