Foram encontradas 630 questões.
No setor de uma empresa, houve a necessidade de instalação de um novo extintor de incêndio na parede. A altura máxima permitida pelo corpo de bombeiros, conforme Instrução Técnica nº 21/2019 é de
Provas
Considere dois dos principais indicadores de manutenção: o MTBF e o MTTR.
!$ MTBF={\large{Tempo \, de \, trabalho\, em \, bom \, funcionamento \over Número \, de \, paradas \, para \, manutenções \, corretivas}} !$
!$ MTTR={\large{Tempo \, de \, reparo \over Número \, de \, paradas \, para \, manutenções \, corretivas }} !$
Após analisar as fórmulas para o cálculo de cada indicador,
Provas
A manutenção preditiva é o acompanhamento periódico de equipamentos ou máquinas, através da coleta e interpretação de dados que permite identificar estágios iniciais de falhas. Uma determinada máquina apresentou problemas mecânicos que impediram a continuidade da produção. Ao realizar análise de vibração, o mecânico identificou uma folga em um mancal e realizou o reaperto corrigindo o problema. Esse tipo de manutenção é caracterizada como
Provas
A temperatura de cor pode ser definida como a aparência da cor quando emitida por uma fonte de luz. A luz fria serve para ambientes onde há uma necessidade de maior luminosidade. A luz quente provoca a sensação de relaxamento. Baseado nisso, a lâmpada que deve ser aplicada para um ambiente aconchegante com melhor eficiência luminosa é a
Provas
De acordo com a Lei nº 14.133/2021, considere as proposições abaixo, que trata dos objetivos do processo licitatório.
I. Assegurar a seleção da proposta apta a gerar o resultado de contratação mais vantajoso para a Administração Pública, inclusive no que se refere ao ciclo de vida do objeto.
II. Assegurar tratamento isonômico entre os licitantes, bem como a justa competição.
III. Evitar contratações com sobrepreço ou com preços manifestamente inexequíveis e superfaturamento na execução dos contratos.
IV. Incentivar a inovação e o desenvolvimento nacional sustentável.
Está correto o que se afirma em
Provas
Com relação a conceitos de manutenção, considere as proposições a seguir:
I. Confiabilidade: período que uma máquina ou equipamento ficou disponível para desempenhar sua função.
II. Defeito: alteração do funcionamento de uma máquina ou equipamento que comprometeu o processo operacional.
III. Prioridade: grau de necessidade de manutenção de uma máquina, sistema ou equipamento.
IV. Falha: perda parcial ou total do funcionamento de uma máquina, sistema, equipamento, comprometendo a produção.
Está correto o que se afirma APENAS em
Provas
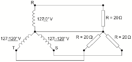
Considere o circuito trifásico equilibrado abaixo.

A potência ativa que está sendo dissipada na carga é:
Provas
Considere o transformador trifásico representando abaixo, cuja tensão em cada bobina equivale a 220 V.

O fechamento que deve ser realizado para que o secundário forneça uma tensão de 380 V é:
Provas
De acordo com a NBR 5410, considere as proposições abaixo, referente aos tipos de eletrodos de aterramento.
I. Preferencialmente, fazer o uso das próprias armaduras do concreto das fundações.
II. Uso de fitas, barras ou cabos metálicos, especialmente previstos, que não podem estar imersos no concreto das fundações.
III. Uso de malhas metálicas enterradas, no nível das fundações, cobrindo a área da edificação e complementadas, quando necessário, por hastes verticais e/ou cabos dispostos radialmente (pés-de-galinha)
IV. No mínimo, uso de anel metálico enterrado, circundando o perímetro da edificação e complementado, quando necessário, por hastes verticais e/ou cabos dispostos radialmente (pés-de-galinha).
Está correto o que se afirma APENAS em
Provas
De acordo com a NBR-16690, considere as proposições abaixo, referente às baterias em sistemas fotovoltaicos e sua proteção contra sobrecorrentes.
I. Baterias em sistemas fotovoltaicos podem ser uma fonte de altas correntes de falta e devem possuir proteção contra sobrecorrente.
II. A localização do dispositivo de proteção contra sobrecorrente em sistemas fotovoltaicos deve ser o mais distante da bateria.
III. A proteção contra sobrecorrente deve ser instalada em todos os condutores vivos não aterrados.
IV. O dispositivo de proteção contra sobrecorrente pode ser utilizado para fornecer proteção contra sobrecorrente para o cabo do arranjo fotovoltaico desde que o mesmo tenha sido projetado para suportar uma corrente igual ou superior à corrente nominal do dispositivo de proteção contra sobrecorrente da bateria.
Está correto o que se afirma APENAS em
Provas
Caderno Container