Magna Concursos

Foram encontradas 630 questões.

2176046 Ano: 2022
Disciplina: Engenharia Elétrica
Banca: FCC
Orgão: TRT-4

As baterias nem sempre apresentam as mesmas características. Os materiais que as compõem, além de outros processos físicos e químicos influenciam nas características apresentadas por elas. A bateria que apresenta a melhor eficiência para ser utilizada em um carro de golfe elétrico é a

 

Provas

Questão presente nas seguintes provas
2176045 Ano: 2022
Disciplina: Engenharia Elétrica
Banca: FCC
Orgão: TRT-4

O dimensionamento de UPS deve ser realizado após o levantamento de informações do comportamento e características elétricas dos equipamentos do circuito. A carga total dos equipamentos, tensão de entrada, tensão de saída e autonomia desejada são informações importantes e indispensáveis para seleção. Considerando o dimensionamento de um UPS para circuitos industriais contendo motores de indução trifásicos, é correto afirmar:

 

Provas

Questão presente nas seguintes provas
2176044 Ano: 2022
Disciplina: Engenharia Elétrica
Banca: FCC
Orgão: TRT-4

Considere o seguinte botão do AutoCAD:

Enunciado 3356905-1

A função do botão é

 

Provas

Questão presente nas seguintes provas
2176043 Ano: 2022
Disciplina: Engenharia Elétrica
Banca: FCC
Orgão: TRT-4

São escalas padronizadas para desenhos técnicos:

 

Provas

Questão presente nas seguintes provas
2176042 Ano: 2022
Disciplina: Engenharia Eletrônica
Banca: FCC
Orgão: TRT-4

A região delimitada por dois semiplanos perpendiculares é chamada de diedro. No Brasil, a ABNT recomenda a representação em desenhos técnicos no 1º diedro. Entretanto, alguns países, representam seus desenhos no 3º diedro. Por isso, é importante a familiarização do interpretador com os dois sistemas de representação. São desenhos correspondentes ao 3º diedro:

 

Provas

Questão presente nas seguintes provas
2176041 Ano: 2022
Disciplina: Engenharia Elétrica
Banca: FCC
Orgão: TRT-4

No MS Project, pode-se optar por configurar suas tarefas ou atividades, das seguintes formas:

- Duração fixa: Quando você alterar a unidade ou quantidade de trabalho da tarefa ou atividade, a duração será mantida.

- Trabalho fixo: Quando você alterar a unidade ou a duração da tarefa ou atividade, a quantidade de trabalho será mantida.

- Unidades fixas: Quando você alterar a quantidade de trabalho ou a duração da tarefa ou atividade, a unidade será mantida.

O termo “unidade” refere-se

 

Provas

Questão presente nas seguintes provas
2176040 Ano: 2022
Disciplina: Engenharia Elétrica
Banca: FCC
Orgão: TRT-4

Segundo o item 6.4.3.1.2 da NBR-5410, a seção dos condutores de proteção não deve ser inferior ao valor determinado pela expressão seguinte, aplicável apenas para tempos de seccionamento que não excedam 5 s:

!$ S={\large{\sqrt{I^2.t} \over k}} !$

Onde:

- S é a seção do condutor, em milímetros quadrados.

- I é o valor eficaz, em ampères, da corrente de falta presumida, considerando falta direta.

- t é o tempo de atuação do dispositivo de proteção responsável pelo seccionamento automático, em segundos.

- k é um fator que depende do material do condutor de proteção, de sua isolação e outras partes, e das temperaturas inicial e final do condutor.

Dados:

I = 850A

t = 4s

k = 23

A seção do condutor que deverá ser utilizada é:

 

Provas

Questão presente nas seguintes provas
2176039 Ano: 2022
Disciplina: Engenharia Elétrica
Banca: FCC
Orgão: TRT-4

Os Dispositivos de Proteção contra Surtos (DPS) são utilizados para proteger o(s) equipamento(s) dos danos causados por surtos elétricos. Dois dos parâmetros importantes para escolha de um DPS são: Máxima tensão de operação contínua (Uc) e Corrente nominal de descarga (In). Sobre esse tema, é correto afirmar:

 

Provas

Questão presente nas seguintes provas
2176038 Ano: 2022
Disciplina: Engenharia Elétrica
Banca: FCC
Orgão: TRT-4

Para a alimentação elétrica de um painel de comando e potência do sistema HVAC de uma indústria foi previsto a utilização de barramentos de cobre com capacidade nominal de 1.200 A por fase. Como os motores utilizam inversores de frequência para partida em rampa, a corrente máxima atingida será 900 A. Com a lista de materiais em mãos, um dos engenheiros concluiu que a utilização de cabos ao invés de barramentos seria uma alternativa de menor custo, porém, para isso seria necessário utilizar cabos em paralelo na mesma fase. Com base na NBR-5410, considere as proposições abaixo.

I. É vedada a utilização de cabos em paralelo na mesma fase ou polaridade.

II. Devem ser tomadas medidas que garantam igual divisão de corrente entre os condutores em paralelo ou realizado um estudo específico sobre a divisão da corrente entre os condutores em paralelo.

III. Para circuitos com corrente nominal superiores à capacidade de condução dos cabos elétricos comerciais, é obrigatório a utilização de barramentos.

Está correto o que se afirma em

 

Provas

Questão presente nas seguintes provas
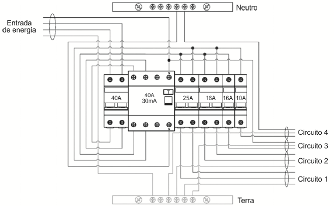
2176037 Ano: 2022
Disciplina: Engenharia Elétrica
Banca: FCC
Orgão: TRT-4

Após o comissionamento de um quadro de alimentação elétrica residencial, com conexão das cargas, o Interruptor Diferencial Residual (IDR) atuou. Considere a imagem de representação das ligações do quadro abaixo.

Enunciado 3356890-1

Apresenta a causa provável da atuação do IDR:

 

Provas

Questão presente nas seguintes provas