Magna Concursos

Foram encontradas 590 questões.

763476 Ano: 2016
Disciplina: Contabilidade Geral
Banca: FCC
Orgão: TRT-20

Atenção: Considere o balanço patrimonial abaixo para responder a questão a seguir.

enunciado 763476-1

Com base no Balanço Patrimonial pode-se afirmar que o

 

Provas

Questão presente nas seguintes provas
763475 Ano: 2016
Disciplina: Engenharia Civil
Banca: FCC
Orgão: TRT-20

Considere a ligação com parafusos entre duas chapas metálicas pintadas, em contato contínuo, não sujeitas à corrosão e submetidas à tração, como ilustrado na figura abaixo.

enunciado 763475-1

Se a espessura das chapas for de 10 mm cada, o espaçamento máximo “d” entre parafusos é, em milímetros,

 

Provas

Questão presente nas seguintes provas
763474 Ano: 2016
Disciplina: Engenharia Civil
Banca: FCC
Orgão: TRT-20
Considere a treliça metálica representada na figura abaixo. enunciado 763474-1
Se a treliça for submetida às cargas concentradas de 2 kN nos nós B e F, e de 4 kN no nó D, a força de tração na diagonal AB é, em kN,
 

Provas

Questão presente nas seguintes provas
763473 Ano: 2016
Disciplina: Engenharia Civil
Banca: FCC
Orgão: TRT-20
Considere o poste que deve suportar uma carga de fiação, representado na figura abaixo. enunciado 763473-1
O poste possui um tirante de aço conectado entre os pontos A e B. O tirante de aço possui Módulo de Elasticidade de 200 GPa e área da seção transversal de 5 cm2. Se a força exercida pela fiação no ponto B do poste for 6 kN, o alongamento do tirante de aço, em milímetros, é
 

Provas

Questão presente nas seguintes provas
763472 Ano: 2016
Disciplina: Engenharia Civil
Banca: FCC
Orgão: TRT-20
Para orçar a pintura das esquadrias de madeira de uma edificação com tinta esmalte a base de água com massa niveladora, um engenheiro utilizou a tabela de insumos unitários abaixo. Tinta esmalte a base de água com massa niveladora em esquadrias de madeira
UNIDADE (m2)
enunciado 763472-1
Após a medição o engenheiro verificou que seria necessário pintar 80 m2 de esquadrias de madeira. Sem contar os encargos sociais da mão de obra, o custo direto desse serviço resultou no valor, em reais, de
 

Provas

Questão presente nas seguintes provas
763471 Ano: 2016
Disciplina: Engenharia Civil
Banca: FCC
Orgão: TRT-20
Considere o cronograma PERT-CPM da reforma de uma residência, representado na figura abaixo. enunciado 763471-1
No cronograma os serviços estão representados genericamente por letras e suas respectivas durações, em dias. O prazo para a conclusão dessa obra é, em dias,
 

Provas

Questão presente nas seguintes provas
763470 Ano: 2016
Disciplina: Engenharia Civil
Banca: FCC
Orgão: TRT-20
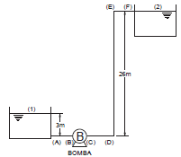
O sistema de recalque, representado na figura abaixo, deve elevar água do reservatório (1) para o reservatório (2), com vazão de 12 litros por segundo. enunciado 763470-1
A perda de carga nos trechos A-B, C-D, D-E e E-F são, respectivamente, 1 m, 2 m, 6 m e 1 m. Se o rendimento da bomba for 88%, a potência requerida para a bomba é, em CV,
 

Provas

Questão presente nas seguintes provas
763469 Ano: 2016
Disciplina: Engenharia Civil
Banca: FCC
Orgão: TRT-20
Considere a planta de armação da laje de concreto armado, representada na figura abaixo.
enunciado 763469-1
A laje foi armada com barras de aço φ 6,3 mm. Se a massa linear nominal da barra for 0,25 kg/m, então, o consumo de aço é, em kg,
 

Provas

Questão presente nas seguintes provas
763468 Ano: 2016
Disciplina: Engenharia Civil
Banca: FCC
Orgão: TRT-20
Segundo a ABNT NBR 9050:2015 − Acessibilidade a edificações, mobiliário, espaços e equipamentos urbanos, para a utilização de portas em sequência, é necessário um espaço de transposição com um círculo de X m de diâmetro, somado às dimensões da largura das portas (Y), exemplificado na figura a seguir, além dos Z m ao lado da maçaneta de cada porta, para permitir a aproximação de uma pessoa em cadeira de rodas. Medidas em metros enunciado 763468-1 Espaço para transposição de portas

Os valores de X e Z são, correta e respectivamente,
 

Provas

Questão presente nas seguintes provas
763467 Ano: 2016
Disciplina: Engenharia Civil
Banca: FCC
Orgão: TRT-20

Considere a tabela abaixo sobre o levantamento planialtimétrico de um terreno.

Cotas em metros obtidas por quadriculação do terreno.

enunciado 763467-1

Dados:

− Cota de referência = 0 m

− O projeto de terraplenagem prevê uma plataforma horizontal, porém não impõe sua cota final.

− Quadriculação do terreno de 10 m em 10 m.

− Volume total de terra calculado a partir da cota de referência = 7200 m3

Para que haja sobra de 1200 m3 de solo no projeto de terraplenagem, a cota final, em metros, que gerará uma plataforma horizontal é

 

Provas

Questão presente nas seguintes provas