Foram encontradas 709 questões.
Provas
I. Não houve mudança no torque. II. A parametrização foi alterada. III. A modulação PWM passou a gerar pulsos mais largos. IV. O valor da tensão não foi alterado.
Está correto o que se afirma APENAS em
Provas
− 1a harmônica: h1 = 100% − 3a harmônica: h3 = 60% − 5a harmônica: h5 = 20%
Nesse caso, a THD total vale, aproximadamente,
Provas
Quando a velocidade atinge 50% de seu valor síncrono, a corrente, em ampères, vale
Provas
Considere os sinais na tela do osciloscópio e a sua calibração apresentada abaixo.

Os sinais têm
Provas

O fator de utilização encontra-se na coordenada dada por um índice K, que consta na primeira coluna vertical, variando de 0,60 a 5,00, e por um código dado na primeira linha, variando de 751 a 311.
Índice K -
Código -
Provas
Nesse caso, o tempo médio de identificação do defeito, em minutos e segundos, é
Provas
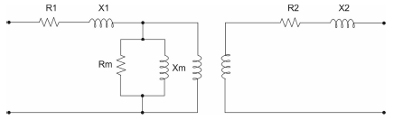
Considere o modelo elétrico de um transformador real abaixo.

O parâmetro
Provas
Um equipamento de bancada possui um transformador embutido, mas seus terminais são acessíveis externamente para uso em testes de dispositivos, como mostra a figura abaixo.

As especificações do transformador são:
Primário: 110 / 220 V
Secundário: 24 + 24 V
Potência: 0,5 kVA
Como a identificação dos bornes estava apagada, usando um multímetro digital calibrado como ohmímetro e com fundo de escala de 200 Ω, foram feitas as seguintes medidas
R12 = 50 Ω R23 = 50 Ω R34 = ∞ R45 = 0,8 Ω R56 = 0,8 Ω
R13 = 100 Ω R24 = ∞ R35 = ∞ R46 = 1,6 Ω
R14 = ∞ R25 = ∞ R36 = ∞
R15 = ∞ R26 = ∞
R16 = ∞
Provas
Considere o circuito abaixo, operando em 60 Hz.

O fator de potência do circuito (cos ϕ) é, aproximadamente,
Provas
Caderno Container