Foram encontradas 512 questões.
Para determinarmos a indutância de uma bobina, aplicamos a ela uma tensão com 120 V e 60Hz. Medimos a corrente e obtemos 24 A. Em seguida aplicamos um ohmiter nas extremidades da bobina e lemos uma resistência de 3
Com rápidos cálculos determinamos que a indutância terá:
Provas
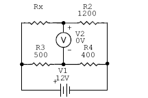
No circuito abaixo com R2 = 1.200
, R3 = 500
e R4 = 400
se V1 = 12 V e V2 = 0 , podemos dizer que Rx terá:

Provas
Está correto afirmar que:
Provas
O prazo de prescrição começa a correr da data em que o fato se tornou conhecido. Diante desta assertiva, o prazo prescricional para a aplicação da penalidade disciplinar de advertência é:
Provas
São vantagens, dentre outras, dos servidores públicos da União:
Provas
O instituto através do qual o servidor estável demitido retorna ao serviço público com ressarcimento de todas as vantagens é:
Provas
A investidura em cargo público ocorrerá com:
Provas
Nos termos da Constituição Federal, são órgãos do poder Judiciário:
Provas
- Organização do EstadoAdministração PúblicaDisposições Gerais (Art. 37)Princípios da Administração Pública
O Caput do art. 37 da Constituição da República Federativa do Brasil elenca os princípios que devem ser obedecidos pela administração pública direta e indireta de qualquer dos Poderes da União, dos Estados, do Distrito Federal e dos Municípios. Com a modificação implementada pela Emenda Constitucional nº 19, de 4/6/1998, foi acrescido ao referido artigo o seguinte princípio:
Provas
Constitui um dos objetivos fundamentais da República Federativa do Brasil
Provas
Caderno Container