Foram encontradas 1.186 questões.
A figura abaixo representa a escala graduada de um amperímetro analógico:

O valor da medida indicado pelo ponteiro é:

O valor da medida indicado pelo ponteiro é:
Provas
Questão presente nas seguintes provas
- EletrotécnicaCircuitos Elétricos em Eletricidade
- EletrotécnicaCircuitos de Corrente Contínua e de Corrente Alternada
Uma tensão senoidal de valor eficaz Vef = 220 V e frequência de 60 Hz tem valores de pico (Vp) e de pico a pico (Vpp), respectiva e aproximadamente, iguais a:
Provas
Questão presente nas seguintes provas
No motor monofásico de fase dividida com capacitor de partida há um dispositivo cuja função é desligar o capacitor e o enrolamento auxiliar após a partida. Trata-se de
Provas
Questão presente nas seguintes provas
Sobre diodo retificador, é correto afirmar:
Provas
Questão presente nas seguintes provas
- EletrotécnicaCircuitos Elétricos em Eletricidade
- EletrotécnicaCircuitos de Corrente Contínua e de Corrente Alternada
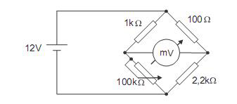
Analise a ponte de Wheatstone abaixo:

Para que ela esteja em equilíbrio, o potenciômetro deve estar ajustado em:

Para que ela esteja em equilíbrio, o potenciômetro deve estar ajustado em:
Provas
Questão presente nas seguintes provas
- Elementos OrçamentáriosReceita OrçamentáriaClassificação da Receita Orçamentária
- Elementos OrçamentáriosIngressos e Dispêndios
É um exemplo de receita extra-orçamentária:
Provas
Questão presente nas seguintes provas
- Lei de Responsabilidade FiscalTransparência, Controle e Fiscalização (arts. 48 ao 59)RREO: Relatório Resumido da Execução Orçamentária (arts. 52 e 53)
Um demonstrativo que é exigido em todos os Relatórios Resumidos da Execução Orçamentária bimestrais é o relativo
Provas
Questão presente nas seguintes provas
Os procedimentos do SIAFI impõem a determinados servidores, formalmente designados pela unidade gestora, a confirmação da conformidade dos lançamentos efetuados no sistema relativamente aos fatos que devem representar. A que consiste no confronto da documentação comprobatória com o registro efetuado no SIAFI, atestando que, para todos os lançamentos existe a documentação hábil exigida pela legislação que disciplina a execução orçamentária, financeira e contábil, é denominada Conformidade
Provas
Questão presente nas seguintes provas
São créditos adicionais especiais aqueles destinados a custear despesas
Provas
Questão presente nas seguintes provas
- NBCsNBC TSP 07: Ativo ImobilizadoDepreciação, Amortização e Exaustão
- Procedimentos Contábeis Patrimoniais
De acordo com a NBC T 16.9, que trata da depreciação no setor público, analise:
I. A vida útil econômica deve ser definida com base em parâmetros e índices admitidos em norma ou laudo técnico específico.
II. O valor residual e a vida útil econômica de um ativo devem ser revisados, pelo menos, no final de cada exercício.
III. No cálculo da depreciação de bens imóveis deve ser considerado o custo de construção do imóvel acrescido do valor de aquisição dos terrenos.
IV. O valor contábil do bem corresponde ao seu custo de aquisição, sem a dedução da correspondente depreciação, amortização ou exaustão acumulada.
É correto o que consta APENAS em
I. A vida útil econômica deve ser definida com base em parâmetros e índices admitidos em norma ou laudo técnico específico.
II. O valor residual e a vida útil econômica de um ativo devem ser revisados, pelo menos, no final de cada exercício.
III. No cálculo da depreciação de bens imóveis deve ser considerado o custo de construção do imóvel acrescido do valor de aquisição dos terrenos.
IV. O valor contábil do bem corresponde ao seu custo de aquisição, sem a dedução da correspondente depreciação, amortização ou exaustão acumulada.
É correto o que consta APENAS em
Provas
Questão presente nas seguintes provas
Cadernos
Caderno Container