Foram encontradas 1.186 questões.
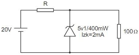
Considere o circuito abaixo:

O valor comercial do resistor R para que o diodo Zener opere dentro da região estabilizada é:

O valor comercial do resistor R para que o diodo Zener opere dentro da região estabilizada é:
Provas
Questão presente nas seguintes provas
Analise o trecho de programa, em assembly, do microcontrolador 8051:
MOV A,#35H
MOV R1, #25H
MOV 25, #C5H
ADD A,@R1
Após esse processamento, o conteúdo do acumulador passa a ser:
MOV A,#35H
MOV R1, #25H
MOV 25, #C5H
ADD A,@R1
Após esse processamento, o conteúdo do acumulador passa a ser:
Provas
Questão presente nas seguintes provas
Caracteriza o SCR:
Provas
Questão presente nas seguintes provas
É possível implementar uma porta NOR de duas entradas usando necessariamente e apenas
Provas
Questão presente nas seguintes provas
Analise o trecho de programa de um controlador lógico programável em linguagem LADDER:

A expressão lógica que o representa é:

A expressão lógica que o representa é:
Provas
Questão presente nas seguintes provas
- Modelo OSIModelo OSI: Camada de Rede
- Modelo OSIModelo OSI: Camada de Transporte
- Modelo OSIModelo OSI: Camada de Aplicação
Das sete camadas da arquitetura OSI (Open System Interconection), três são:
Provas
Questão presente nas seguintes provas
O parâmetro do transistor correspondente ao ganho direto de corrente na configuração emissor comum é:
Provas
Questão presente nas seguintes provas
Analise o circuito do dimmer abaixo:

É correto afirmar:

É correto afirmar:
Provas
Questão presente nas seguintes provas
A figura abaixo apresenta um trecho de programa de CLP em linguagem LADDER:

Para manter a mesma lógica, esse trecho pode ser substituído por:

Para manter a mesma lógica, esse trecho pode ser substituído por:
Provas
Questão presente nas seguintes provas
Para a distribuição dos sistemas de CFTV pode-se utilizar cabo RG59, que é do tipo
Provas
Questão presente nas seguintes provas
Cadernos
Caderno Container