Foram encontradas 540 questões.
Na Figura abaixo, três polias estão fixadas ao eixo ABCD
para transmitir torques. Considere o eixo como engastado
em D, com diâmetro único, e que todos os trechos estão
sujeitos à torção pura.
A maior tensão cisalhante por torção ocorre no trecho entre as polias
A maior tensão cisalhante por torção ocorre no trecho entre as polias
Provas
Questão presente nas seguintes provas
Em um terreno para o qual estão previstas fundações diretas, foi realizado um ensaio de prova de carga estática
com carregamento lento. Um técnico verificou as anotações do ensaio e constatou que, em cada estágio de carregamento, a carga foi mantida até a estabilização dos
deslocamentos. O técnico verificou também o tempo que
a carga foi mantida em cada estágio e anotou os seguintes estágios nos quais o tempo foi inferior a uma hora:
De acordo com a norma brasileira para esse tipo de ensaio, o técnico comunicou ao engenheiro que o(s) tempo(s)
De acordo com a norma brasileira para esse tipo de ensaio, o técnico comunicou ao engenheiro que o(s) tempo(s)
Provas
Questão presente nas seguintes provas
Em um calorímetro perfeito, foram colocados 400 g de
água a 10º C, 400 g de água a 70ºC e 1,60 kg de um material, de calor específico cM, na temperatura de 30ºC.
A temperatura de equilíbrio final é Tfinal = 35ºC.
O calor específico cM desse material, em cal/(gºC), é igual a
Dado calor especifico da água = 1,0 cal/(gºC)
O calor específico cM desse material, em cal/(gºC), é igual a
Dado calor especifico da água = 1,0 cal/(gºC)
Provas
Questão presente nas seguintes provas
Considere que a deformação medida no ensaio de uma
peça prismática de 2,0 m de comprimento sob tração foi ΔL = 0,01 mm.
O cálculo da correspondente deformação específica ε = ΔL/L é
O cálculo da correspondente deformação específica ε = ΔL/L é
Provas
Questão presente nas seguintes provas
Admitindo-se π igual a 3, uma rotação de 1.000 rpm pode
ser expressa em unidades derivadas do Sistema Internacional de Unidades por
Provas
Questão presente nas seguintes provas
Na Figura abaixo, é representado um arranjo de montagem de um conjunto mecânico sobre o qual se sabe que os símbolos de rugosidade (∇∇) são equivalentes à classe de rugosidade N8.

Com base nessa informação e a partir da interpretação do desenho, constata-se que tal conjunto mecânico é um

Com base nessa informação e a partir da interpretação do desenho, constata-se que tal conjunto mecânico é um
Provas
Questão presente nas seguintes provas
O alumínio e o aço, e suas ligas, são dois materiais amplamente utilizados em construção mecânica, e a correta avaliação
das propriedades mecânicas é fator decisivo para a seleção desses materiais em seus campos de aplicação. Nesse contexto, considere os diagramas tensão x deformação apresentados abaixo.
Admita que, para designação dos materiais, foram empregadas as nomenclaturas comerciais usuais (AISI e Aluminum Association).
A partir da análise e da interpretação dos diagramas tensão x deformação apresentados, constata-se que o(s)
Admita que, para designação dos materiais, foram empregadas as nomenclaturas comerciais usuais (AISI e Aluminum Association).
A partir da análise e da interpretação dos diagramas tensão x deformação apresentados, constata-se que o(s)
Provas
Questão presente nas seguintes provas
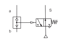
Na Figura abaixo, é representada uma função lógica.

O sinal de saída S dessa função lógica é equacionado pela seguinte expressão:
Provas
Questão presente nas seguintes provas
Elementos de liga adicionados aos aços têm a função de melhorar as propriedades mecânicas como resistência, ductilidade, dureza, tenacidade, entre outras.
Na observação do Quadro acima, sobre a forma como os elementos de liga se apresentam na microestrutura das ligas Fe-C, verifica-se que
Provas
Questão presente nas seguintes provas
No contexto da confiabilidade das medições, as técnicas
metrológicas conceituam diversos tipos de erros de medição e metodologias para avaliação de erros, objetivando
minimizá-los e mantê-los dentro de limites aceitáveis. De
acordo com a terminologia normalizada pelo Inmetro, no
Vocabulário Internacional de Medições (VIM), existe um
tipo de erro de medição que está associado à dispersão
das indicações em relação à referência.
Trata-se do erro
Trata-se do erro
Provas
Questão presente nas seguintes provas
Cadernos
Caderno Container